GM Service Manual Online
For 1990-2009 cars only
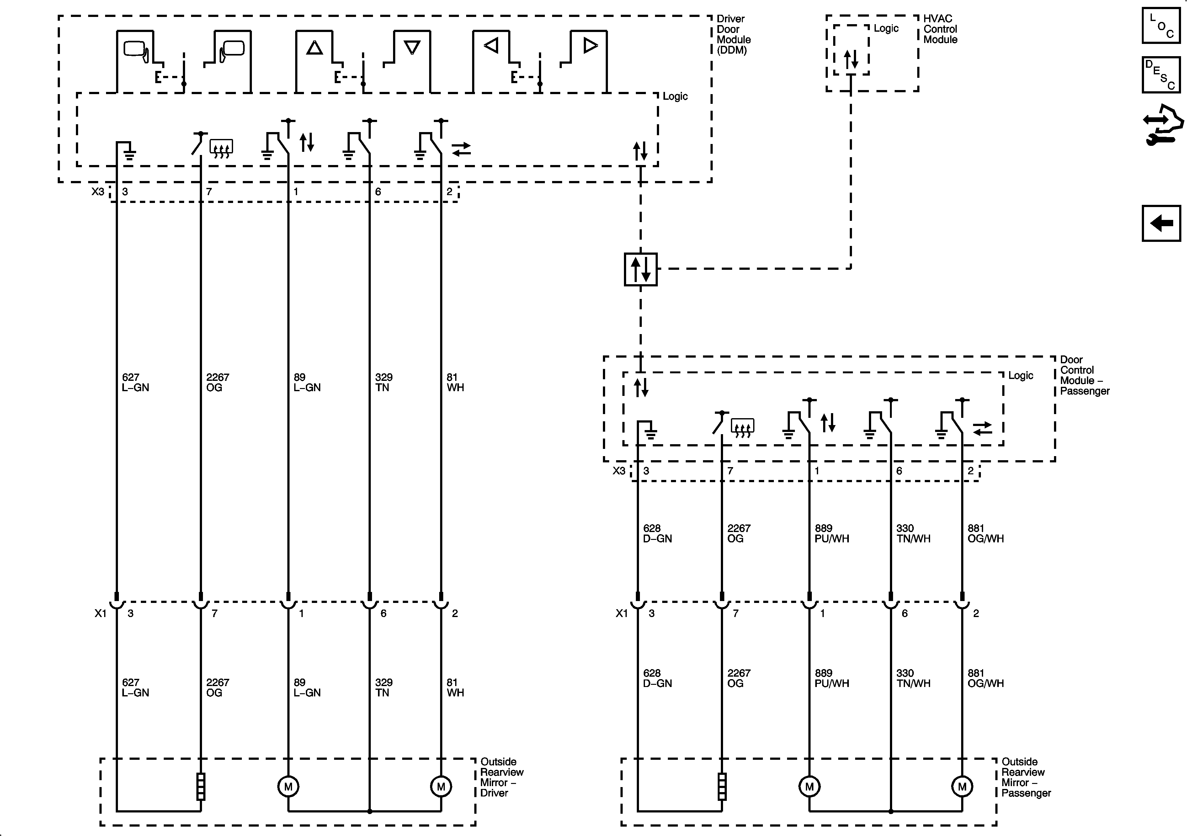
Figure 1:

DG6/DS3


Object Number: 1883214  Size: FS
Master Electrical Component List
Outside Mirror Description and Operation (Power Mirrors)
Control Module References
Driver - DNP
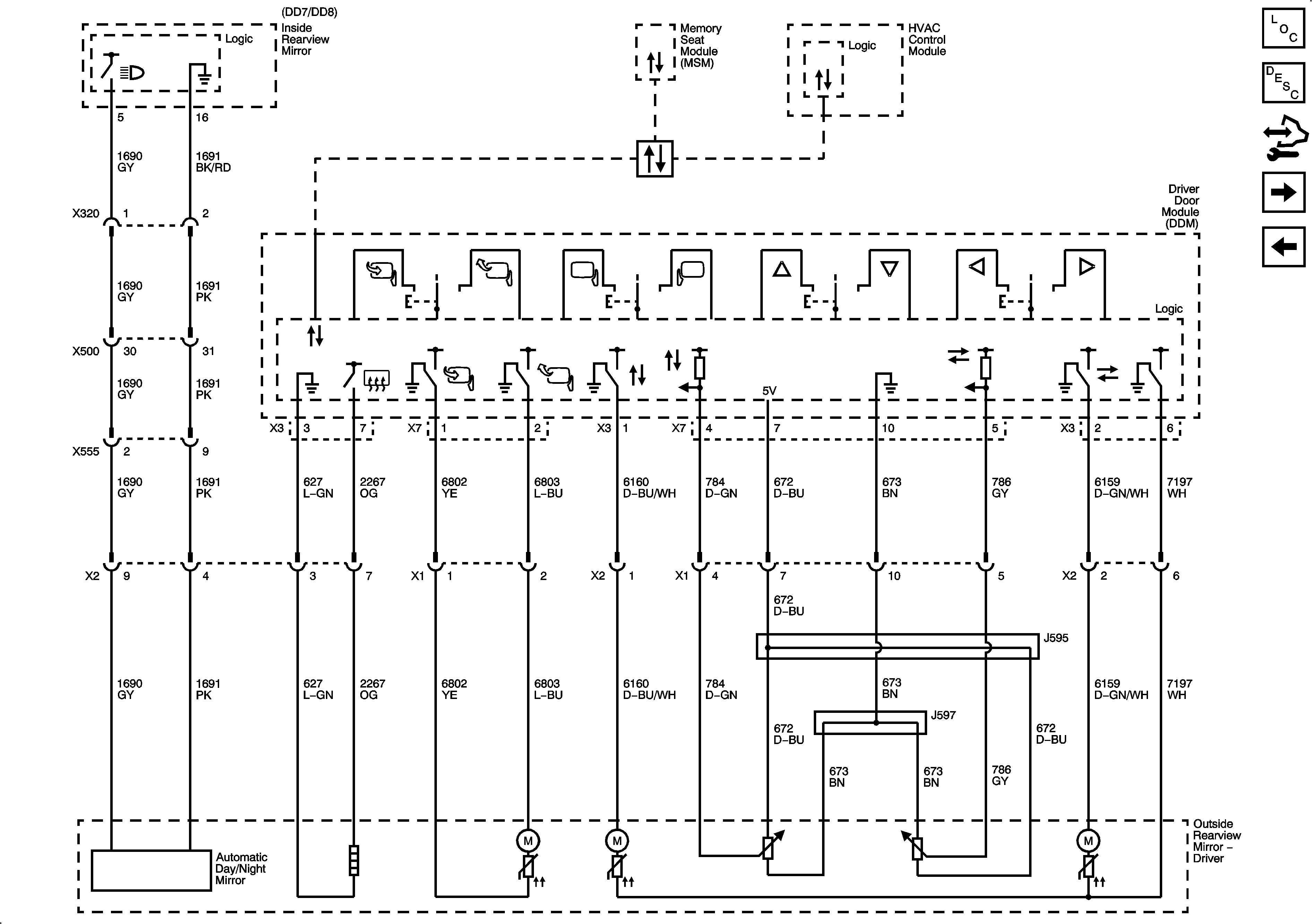
Figure 2:

Driver - DNP


Object Number: 1883215  Size: FS
Master Electrical Component List
Outside Mirror Description and Operation (Power Mirrors)
Control Module References
Passenger - DNP
DG6/DS3
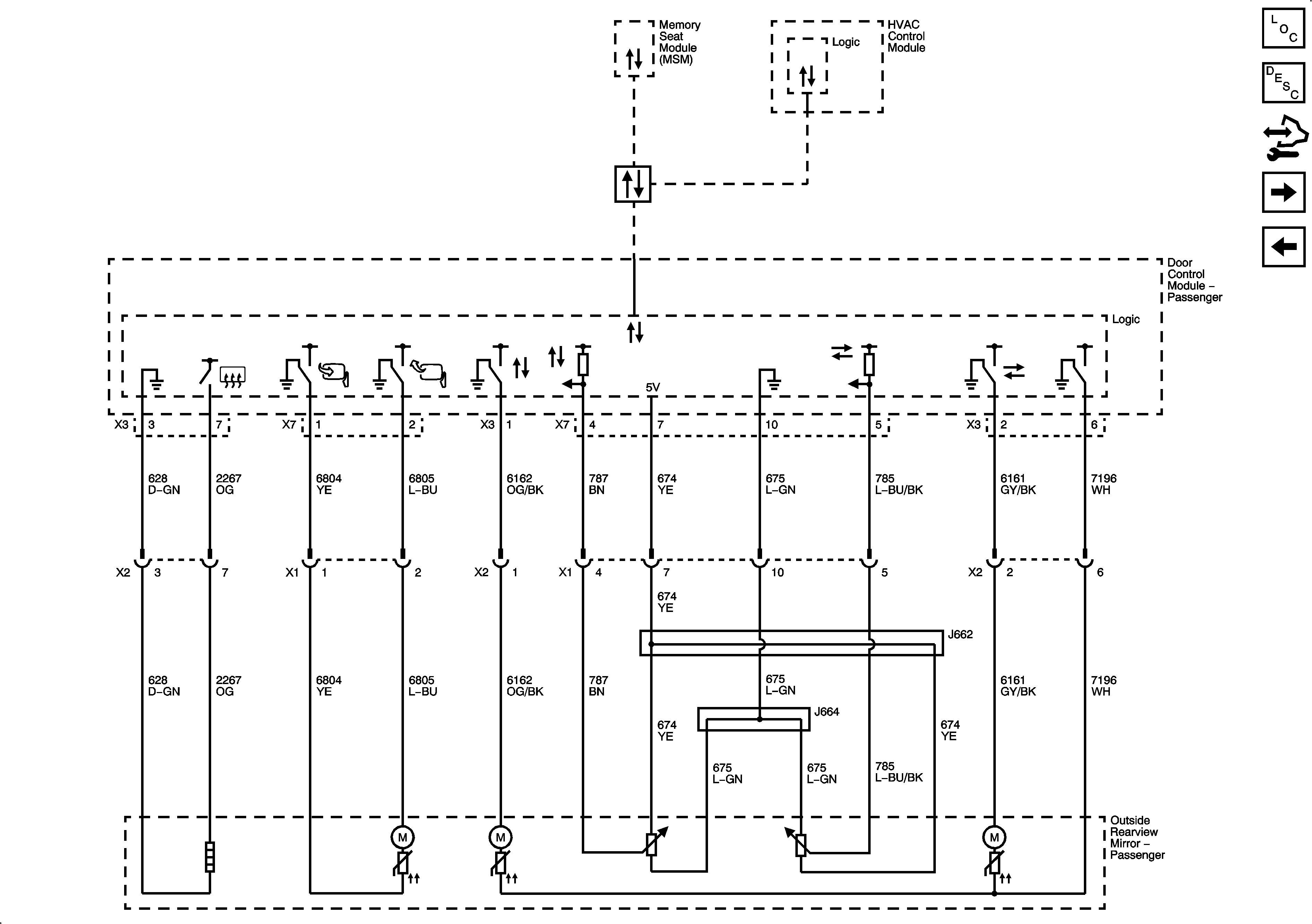
Figure 3:

Passenger - DNP


Object Number: 1883216  Size: FS
Master Electrical Component List
Outside Mirror Description and Operation (Power Mirrors)
Control Module References
W49
Driver - DNP
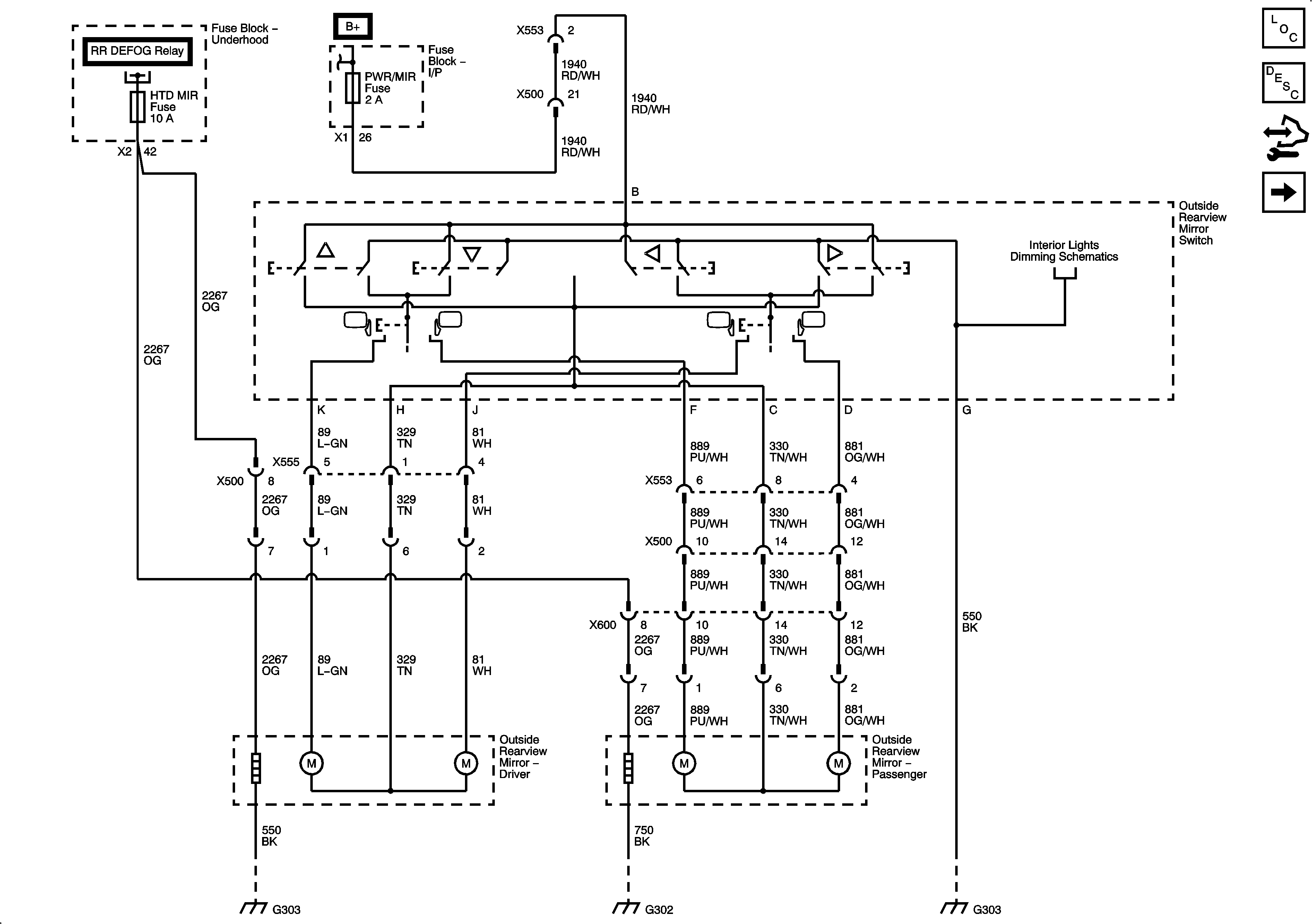
Figure 4:

W49


Object Number: 1883217  Size: FS
Master Electrical Component List
Outside Mirror Description and Operation (Power Mirrors)
Control Module References
Passenger - DNP