GM Service Manual Online
For 1990-2009 cars only

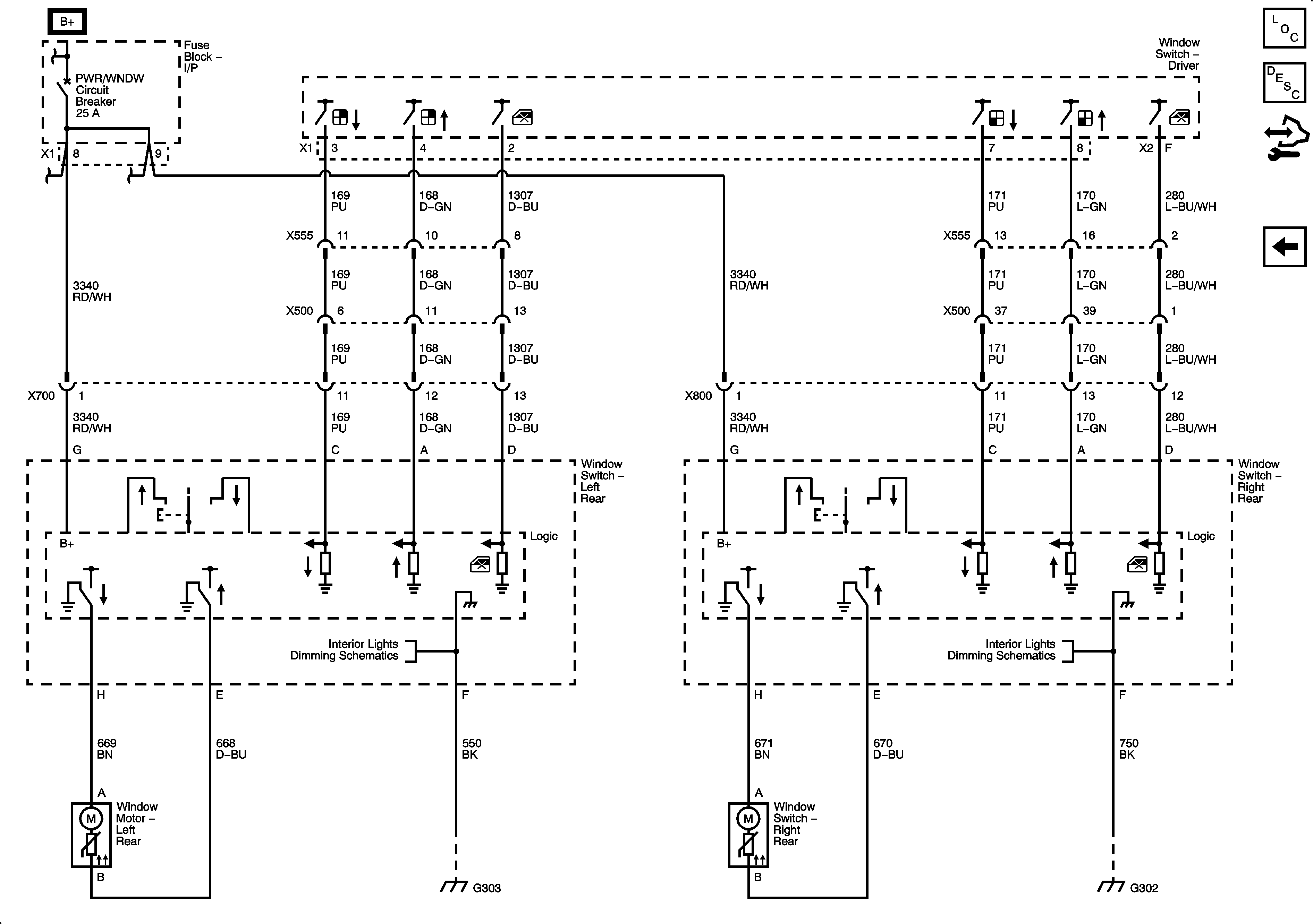
Moveable Window Schematics Except AXC/AXE

Figure 1:

Front


Object Number: 1883209  Size: FS
Master Electrical Component List
Power Windows Description and Operation (W/O AXC/AXE)
Control Module References
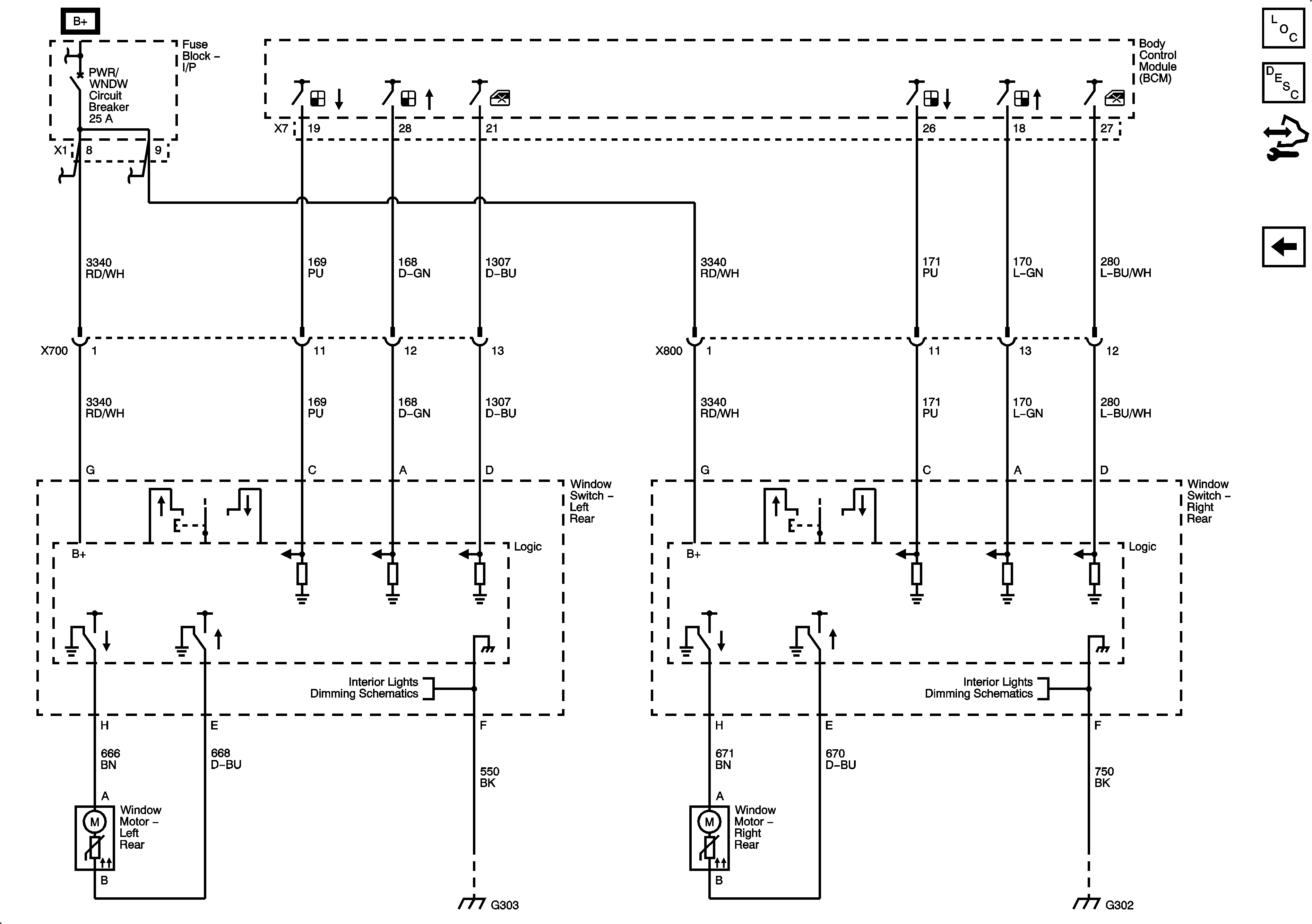
Rear
Figure 2:

Rear


Object Number: 1883210  Size: FS
Master Electrical Component List
Power Windows Description and Operation (W/O AXC/AXE)
Control Module References
Front

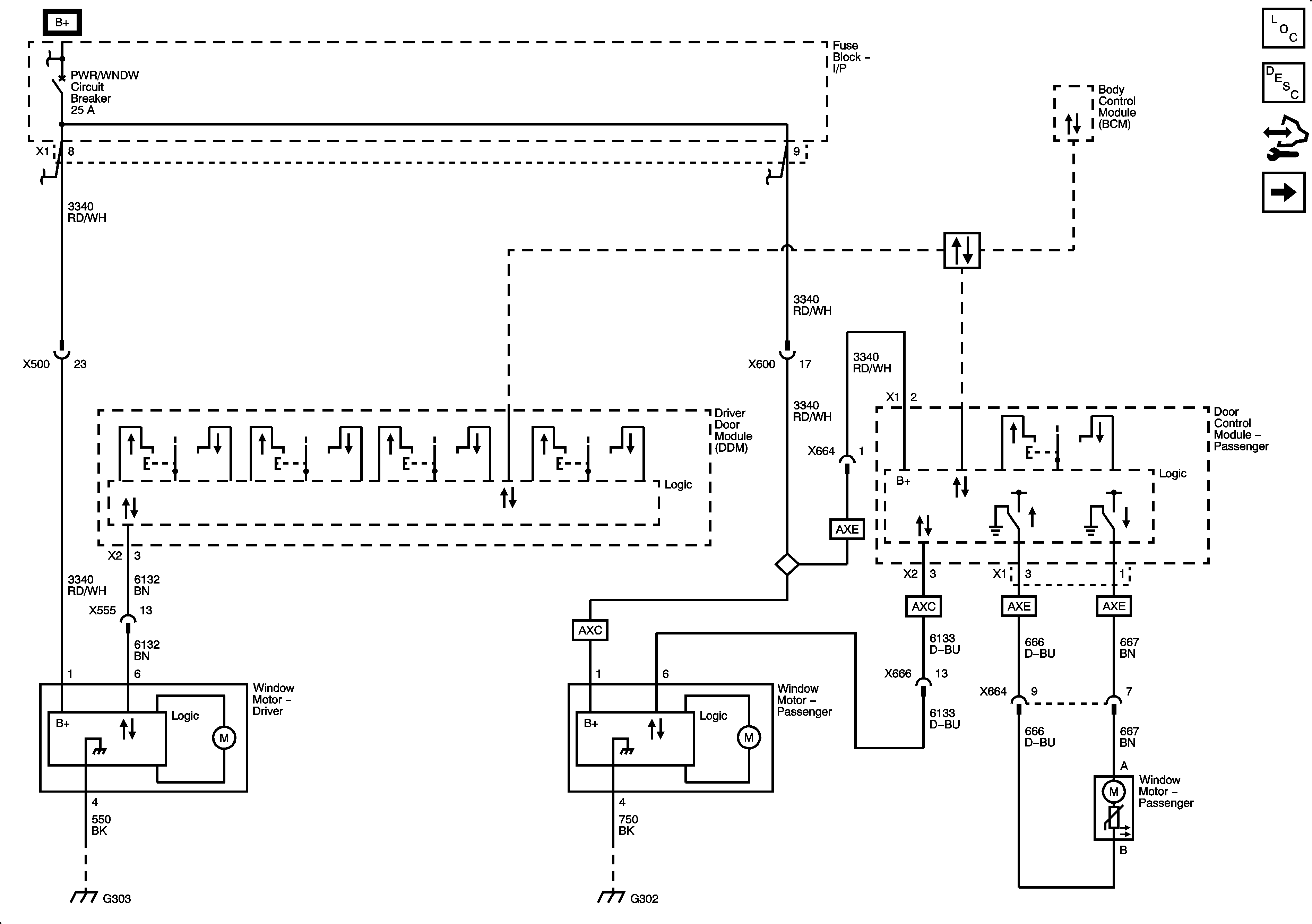
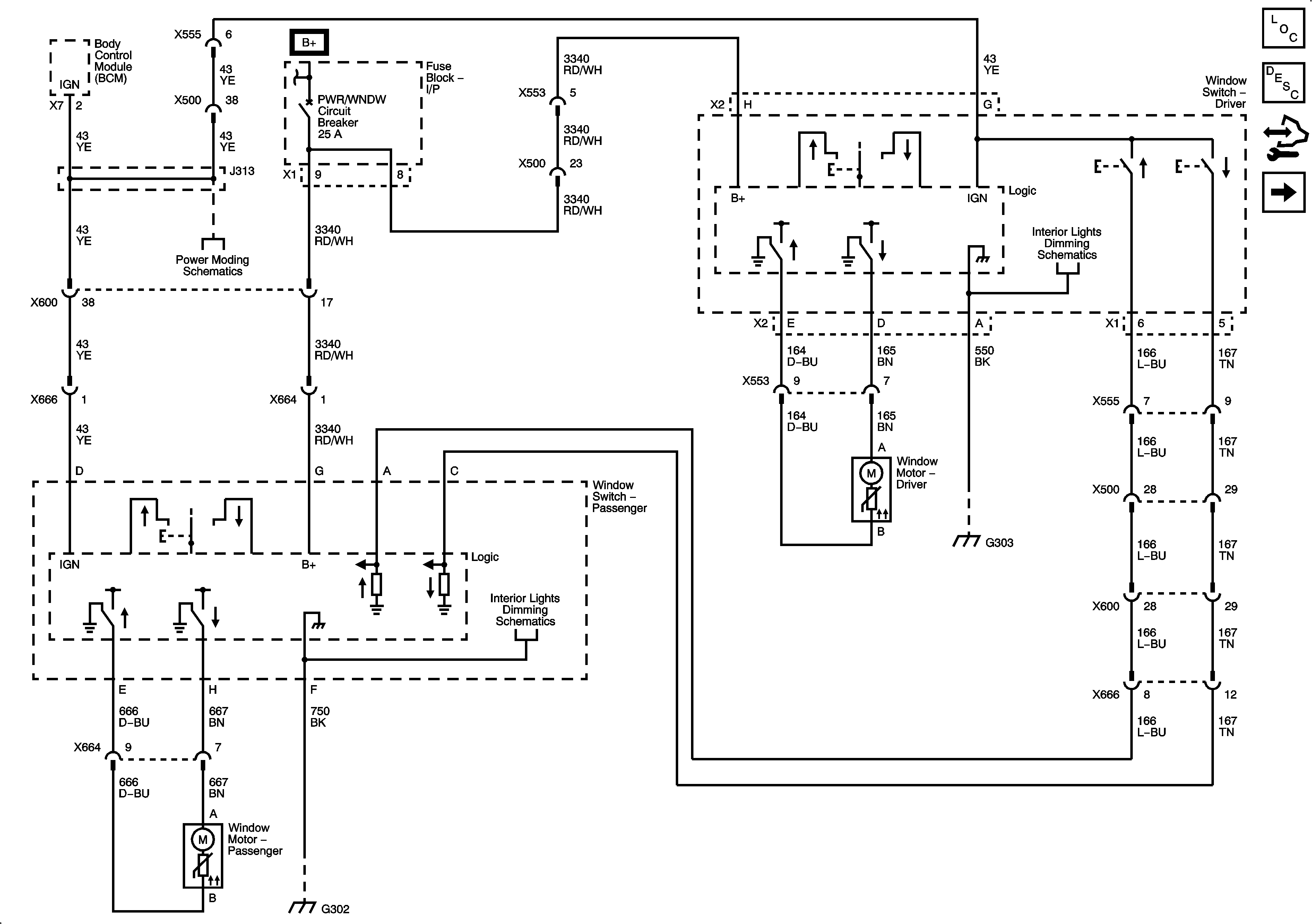
Moveable Window Schematics AXC/AXE

Figure 1:

Front


Object Number: 1883211  Size: FS
Master Electrical Component List
Power Windows Description and Operation (RPO AXC/AXE)
Control Module References
Rear
Figure 2:

Rear


Object Number: 1883212  Size: FS
Master Electrical Component List
Power Windows Description and Operation (RPO AXC/AXE)
Control Module References
Front