GM Service Manual Online
For 1990-2009 cars only

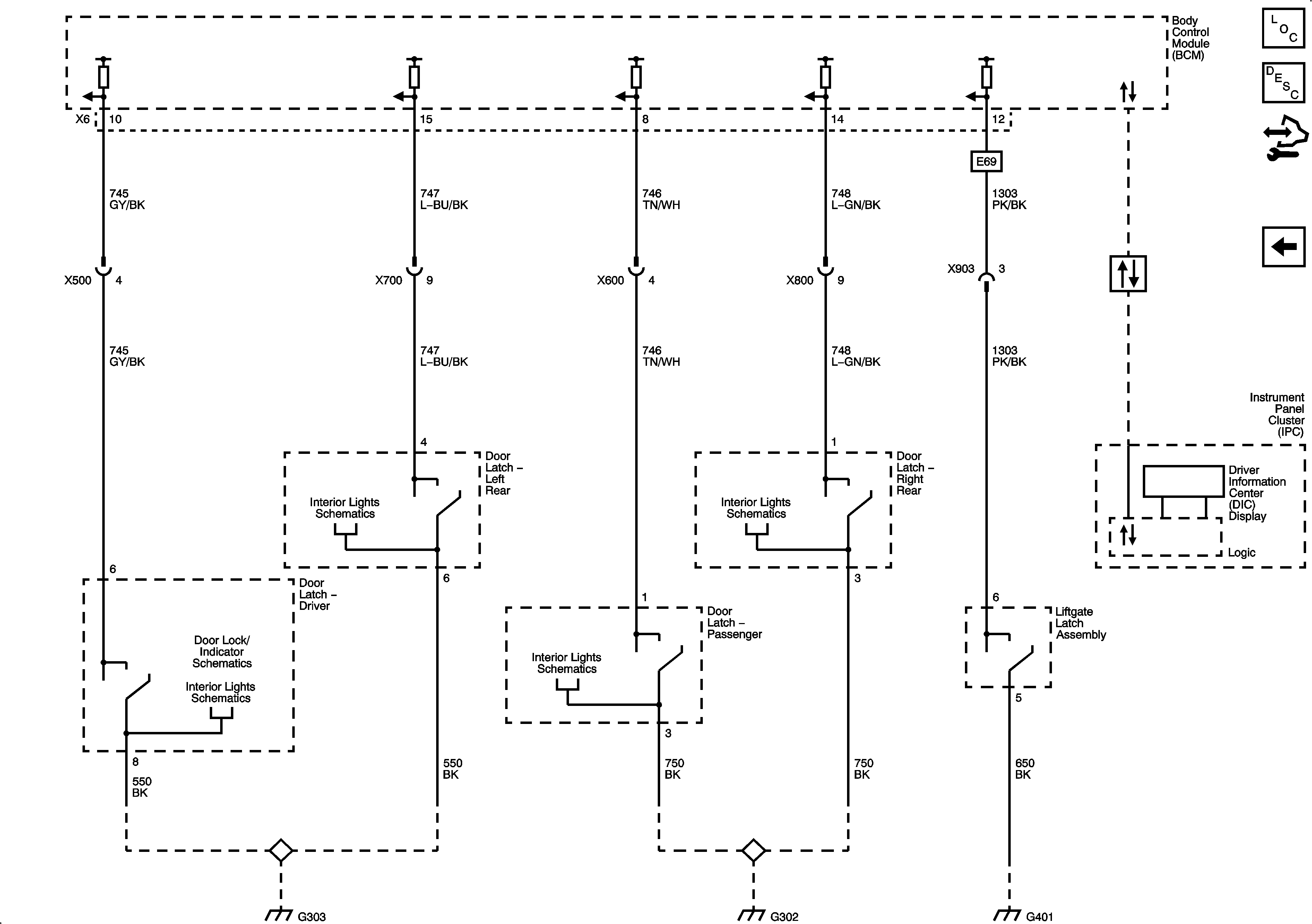
Door Lock/Indicator Schematics except AXC/AXE

Figure 1:

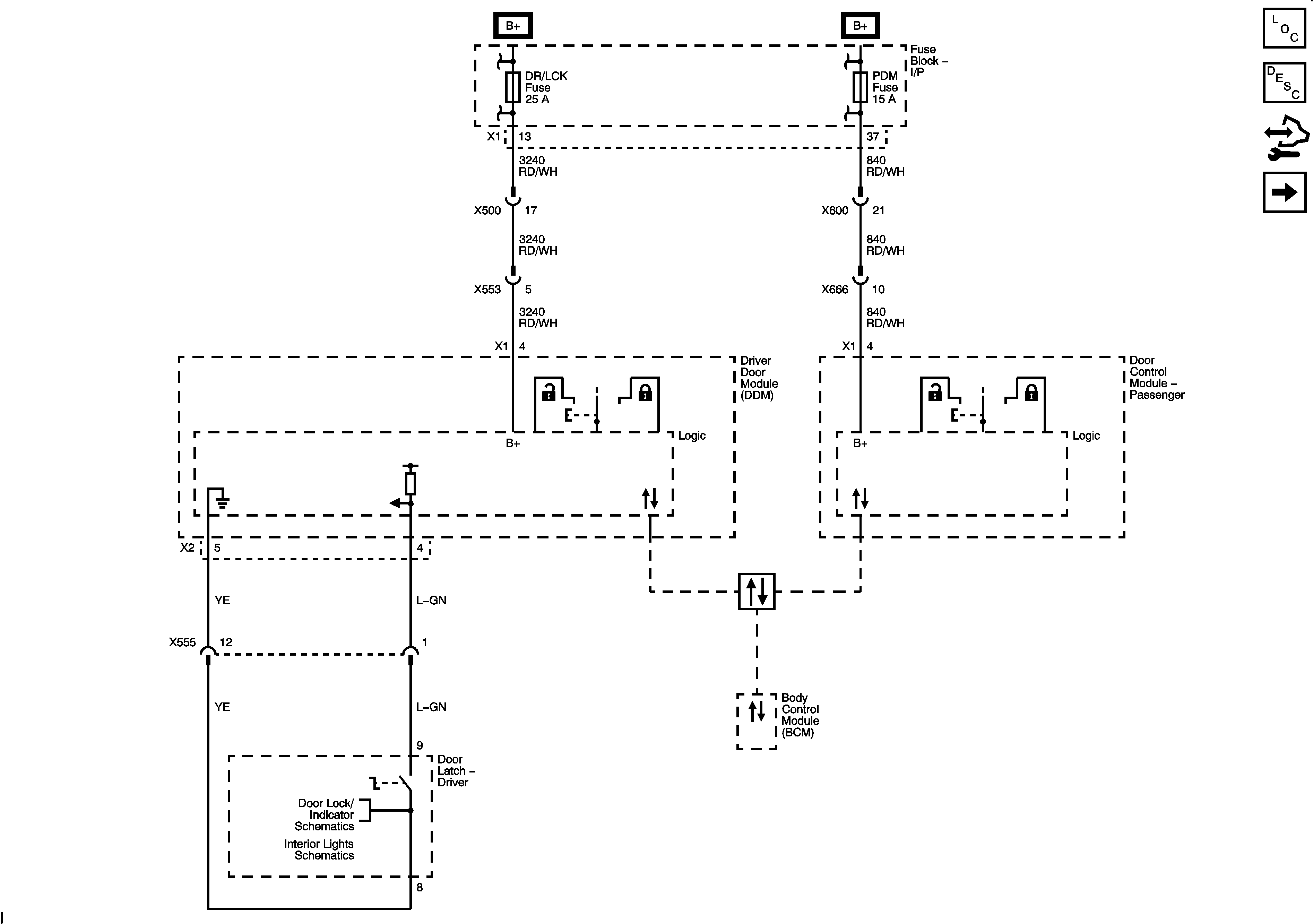
Switches


Object Number: 1883202  Size: FS
Master Electrical Component List
Power Door Locks Description and Operation (AXA)
Control Module References
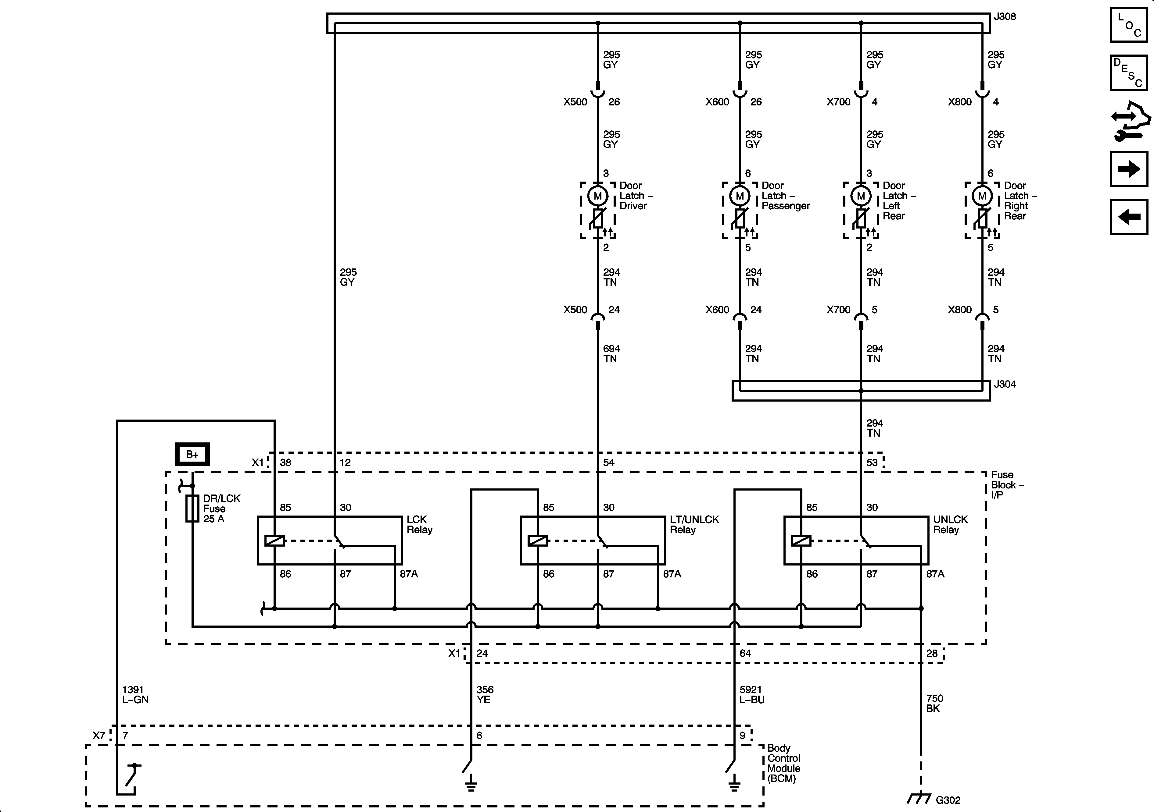
Actuators
Figure 2:

Actuators


Object Number: 1883203  Size: FS
Master Electrical Component List
Power Door Locks Description and Operation (AXA)
Control Module References
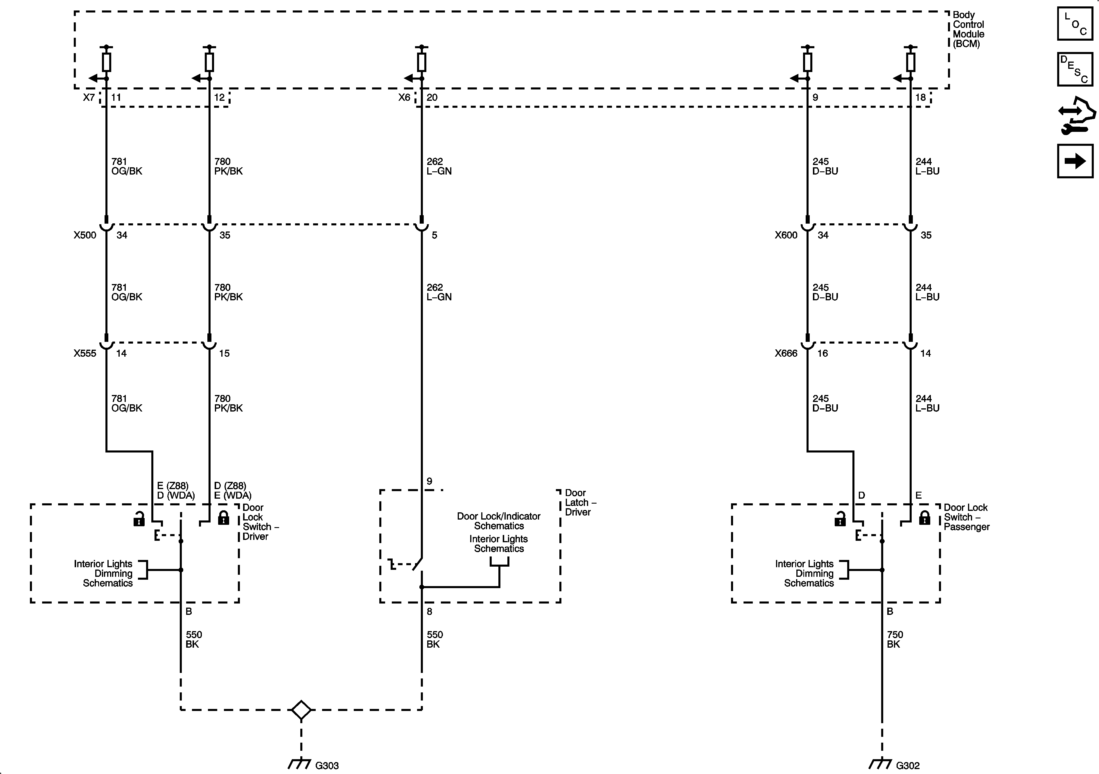
Indicators
Switches
Figure 3:

Indicators


Object Number: 1883204  Size: FS
Master Electrical Component List
Power Door Locks Description and Operation (AXA)
Control Module References
Actuators

Door Lock/Indicator Schematics AXC/AXE

Figure 1:

Switches


Object Number: 1883205  Size: FS
Master Electrical Component List
Power Door Locks Description and Operation (AXC/AXE)
Control Module References
Actuators
Figure 2:

Actuators


Object Number: 1883206  Size: FS
Master Electrical Component List
Power Door Locks Description and Operation (AXC/AXE)
Control Module References
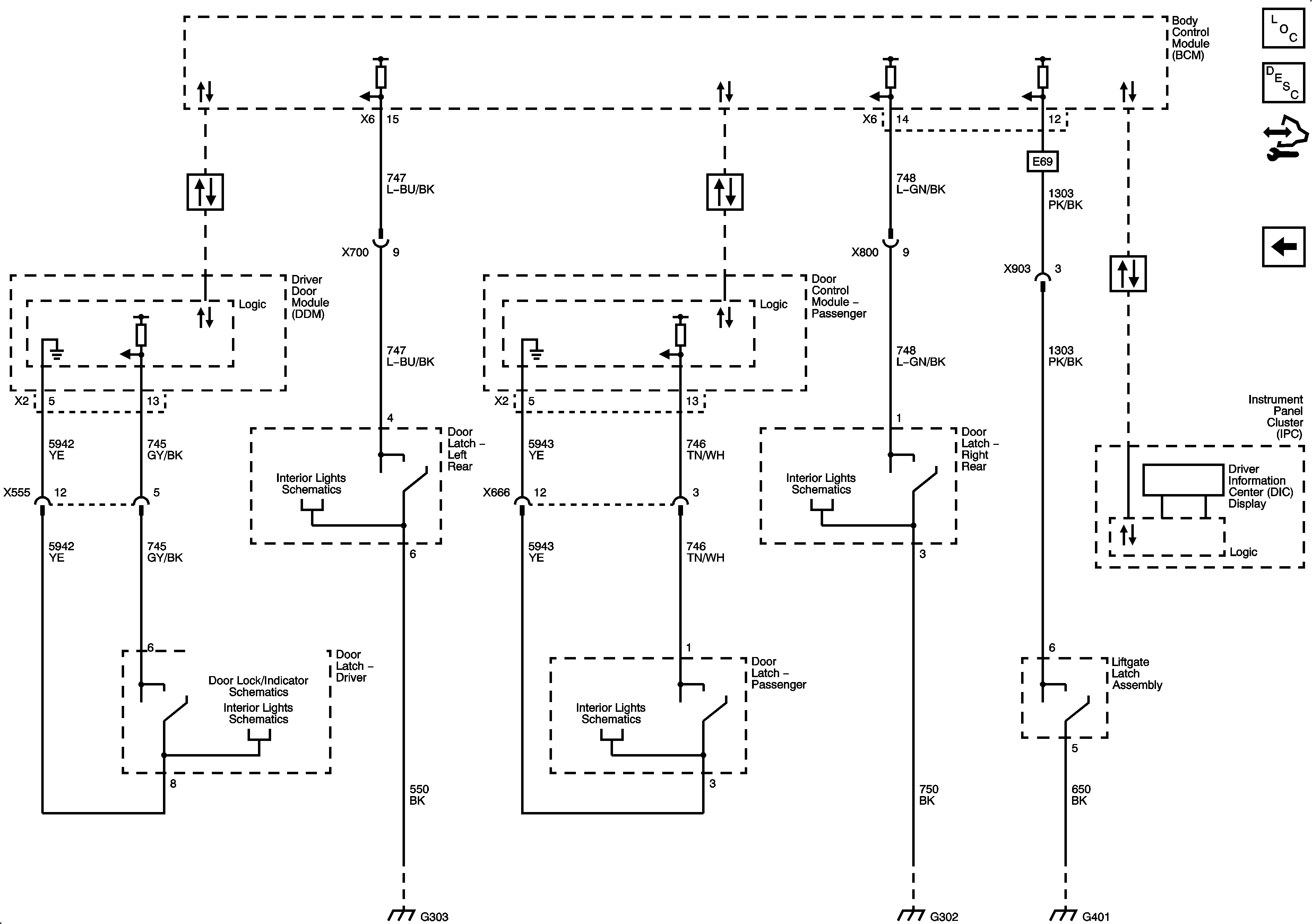
Indicators
Switches
Figure 3:

Indicators


Object Number: 1883207  Size: FS
Master Electrical Component List
Power Door Locks Description and Operation (AXC/AXE)
Control Module References
Actuators