GM Service Manual Online
For 1990-2009 cars only
Makes
🢒
Saturn
🢒
2008
🢒
OUTLOOK - FWD
🢒
Diagnostic Navigation
🢒
Vehicle Diagnostic Information
🢒 Radio/Navigation System Schematics
Figure
1:
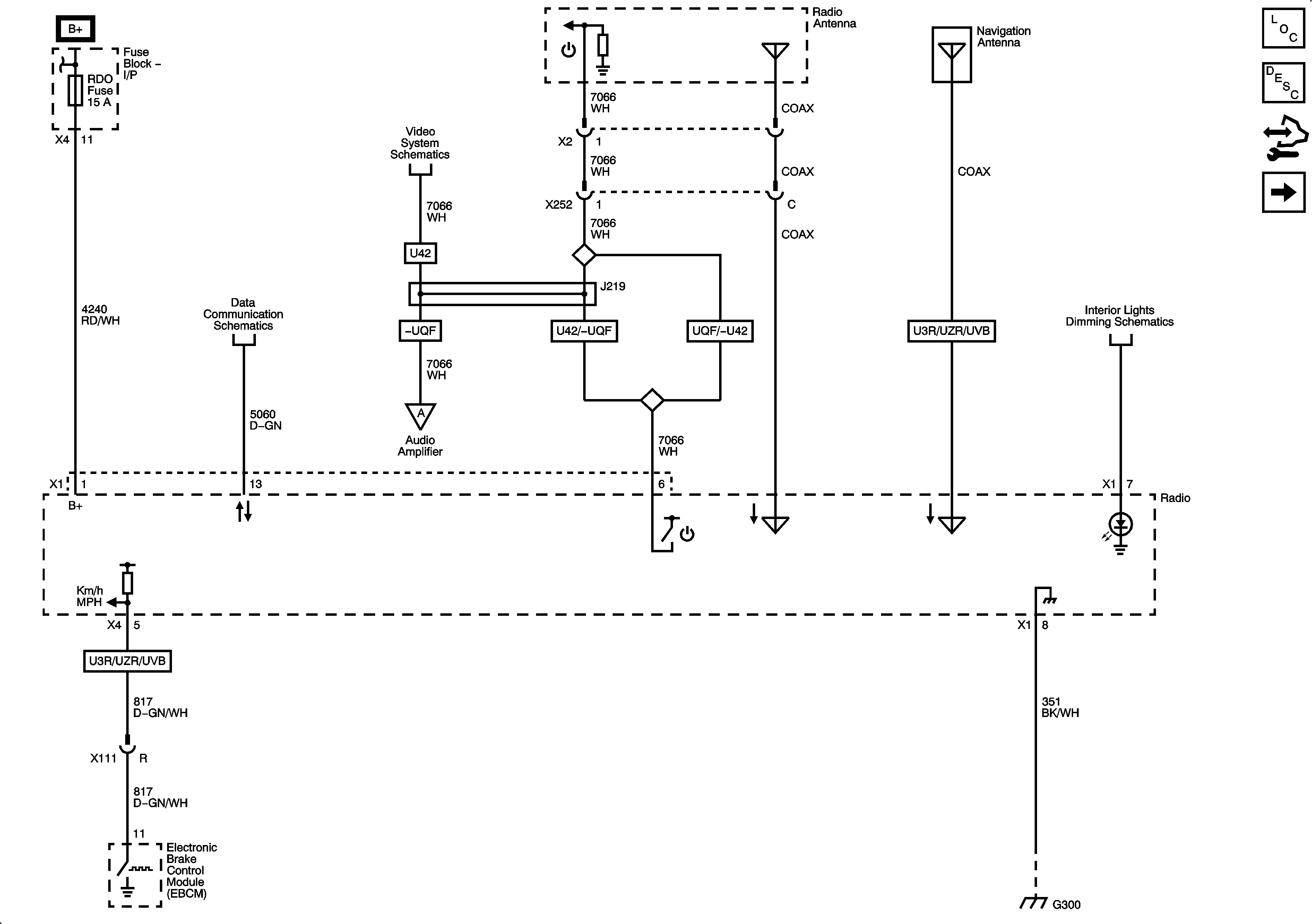
Radio Antennas, Data Communication, Lighting, Power, and Vehicle Speed Signal
Master Electrical Component List
Radio/Audio System Description and Operation
Control Module References
Audio Amplifier Power, Ground, and All Audio Inputs - UQG, Front and Rear Audio Inputs - UQA/UQS
Figure
2:
Audio Amplifier Power, Ground, and All Audio Inputs - UQG, Front and Rear Audio Inputs - UQA/UQS
Master Electrical Component List
Radio/Audio System Description and Operation
Control Module References
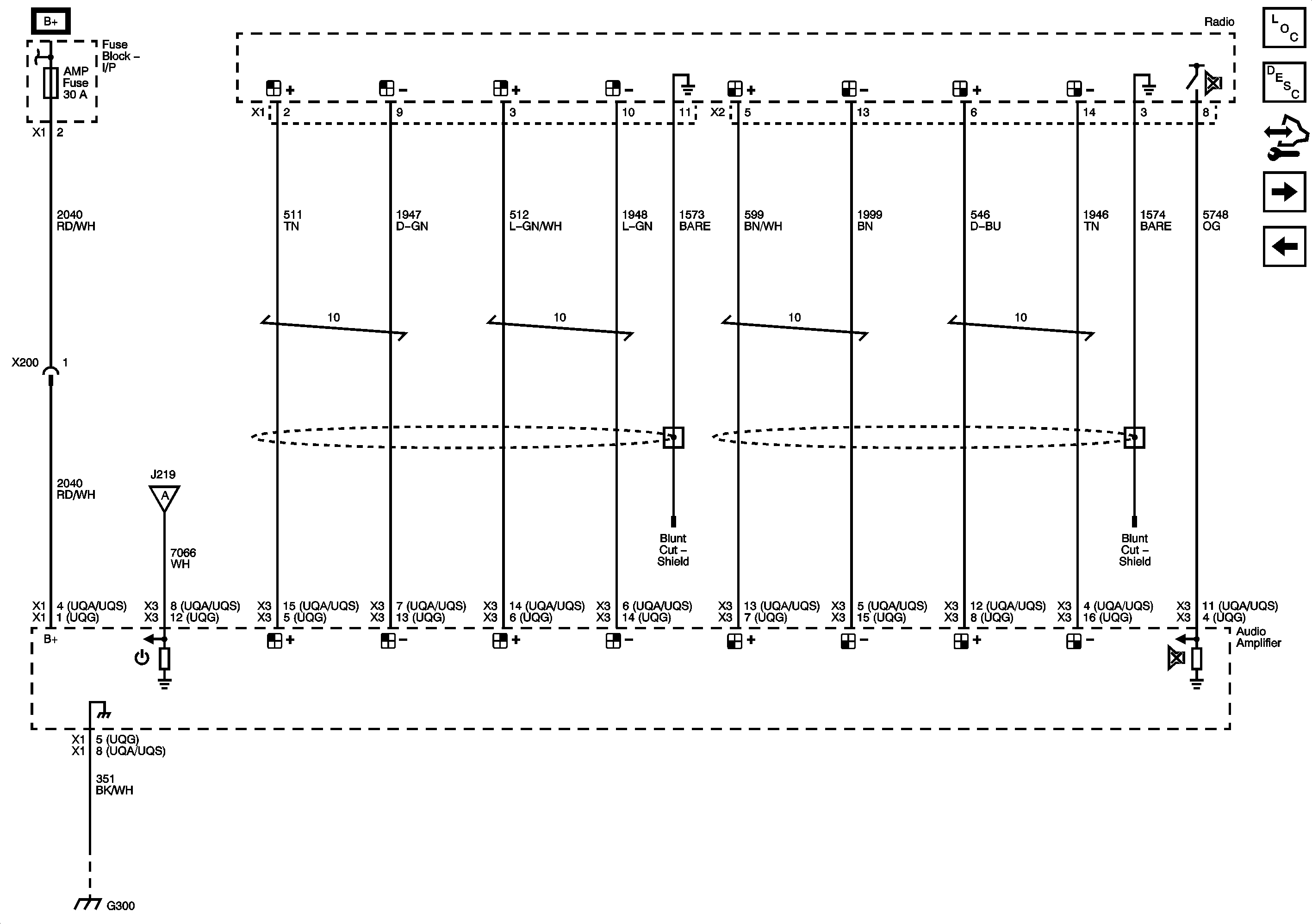
Audio Amplifier Power, Ground, and All Audio Inputs - UQG+UK6, Front and Rear Audio Inputs - UQA/UQS+UK6
Radio Antennas, data Communication, Lighting, Power, and Vehicle Speed Signal
Figure
3:
Audio Amplifier Power, Ground, and All Audio Inputs - UQG+UK6, Front and Rear Audio Inputs - UQA/UQS+UK6
Master Electrical Component List
Radio/Audio System Description and Operation
Control Module References
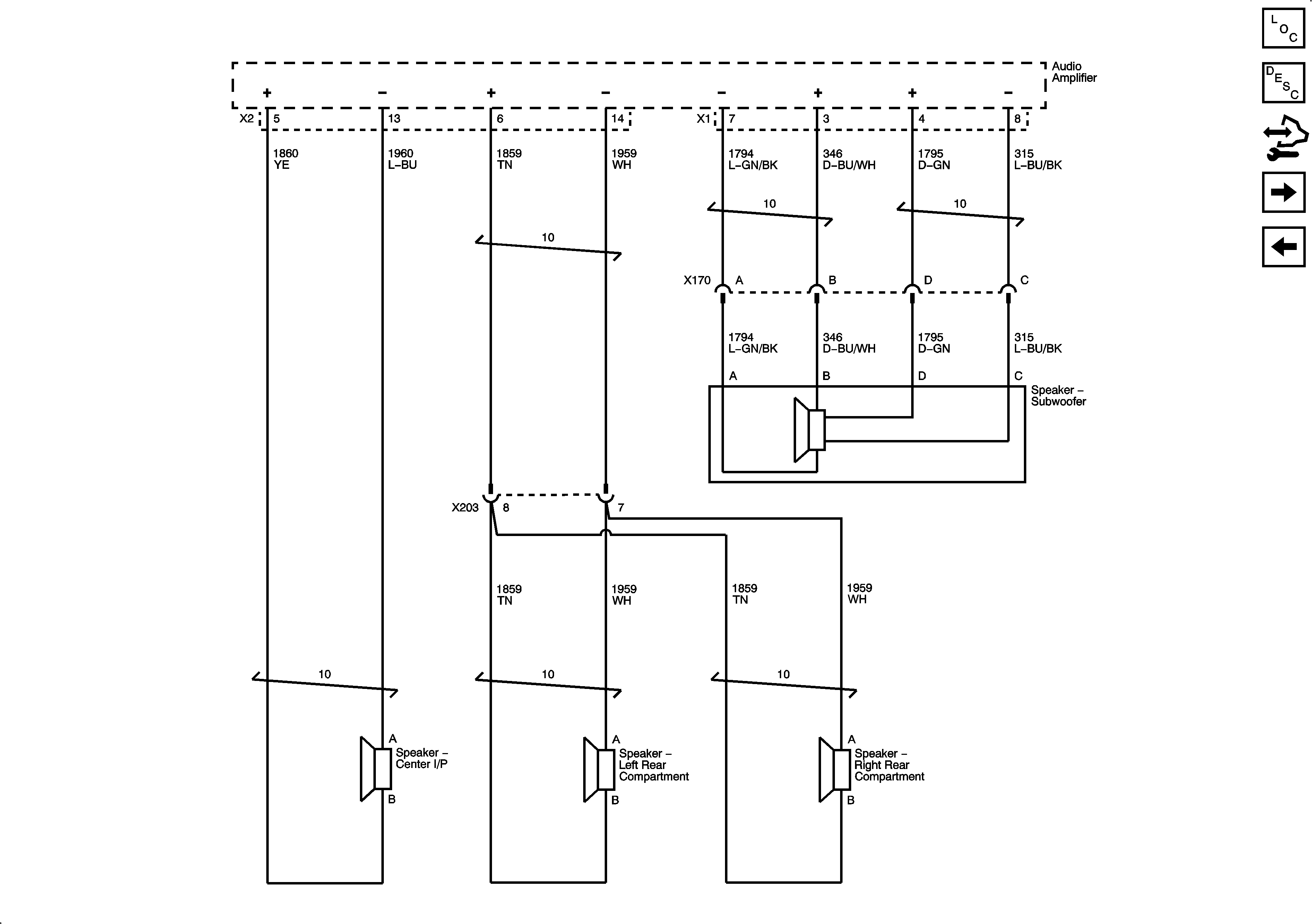
Audio Amplifier Center and Subwoofer Audio Inputs - UQS
Audio Amplifier Power, Ground, and All Audio Inputs - UQG, Front and Rear Audio Inputs - UQA/UQS
Figure
4:
Audio Amplifier Center and Subwoofer Audio Inputs - UQS
Master Electrical Component List
Radio/Audio System Description and Operation
Control Module References
Speakers - UQF
Audio Amplifier Power, Ground, and All Audio Inputs - UQG+UK6, Front and Rear Audio Inputs - UQA/UQS+UK6
Figure
5:
Speakers - UQF
Master Electrical Component List
Radio/Audio System Description and Operation
Control Module References
Speakers - UQF+UK6
Audio Amplifier Center and Subwoofer Audio Inputs - UQS
Figure
6:
Speakers - UQF+UK6
Master Electrical Component List
Radio/Audio System Description and Operation
Control Module References
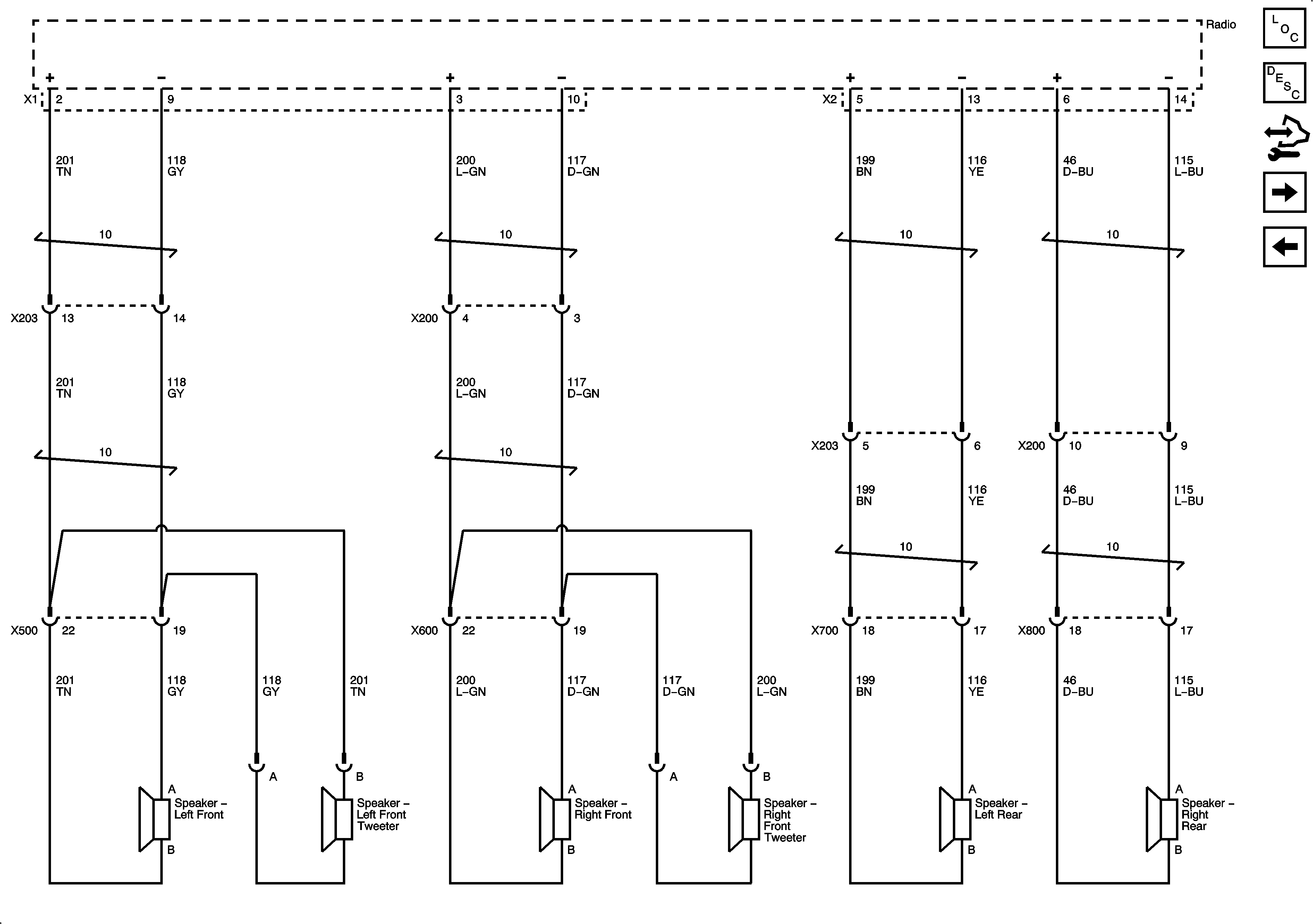
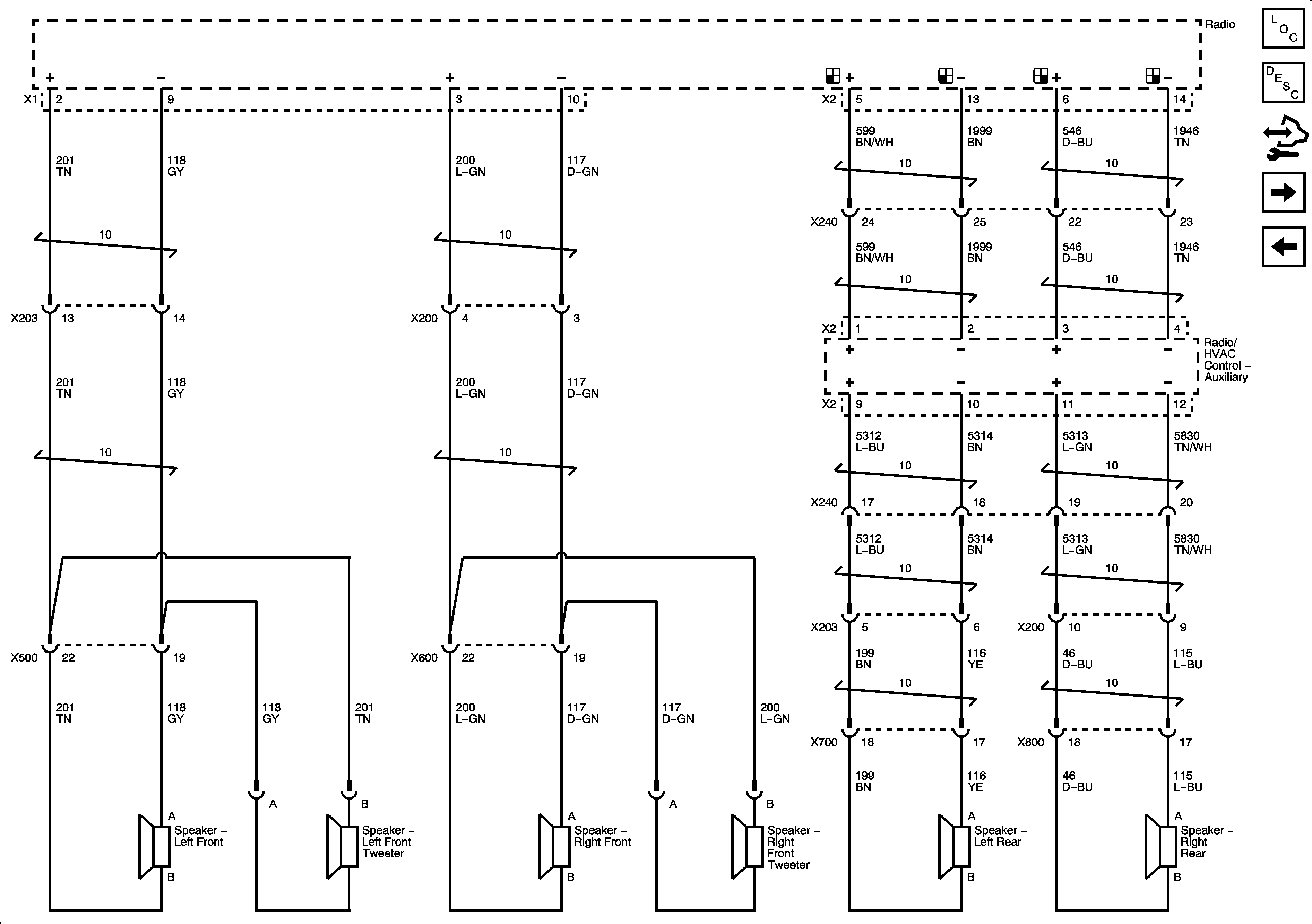
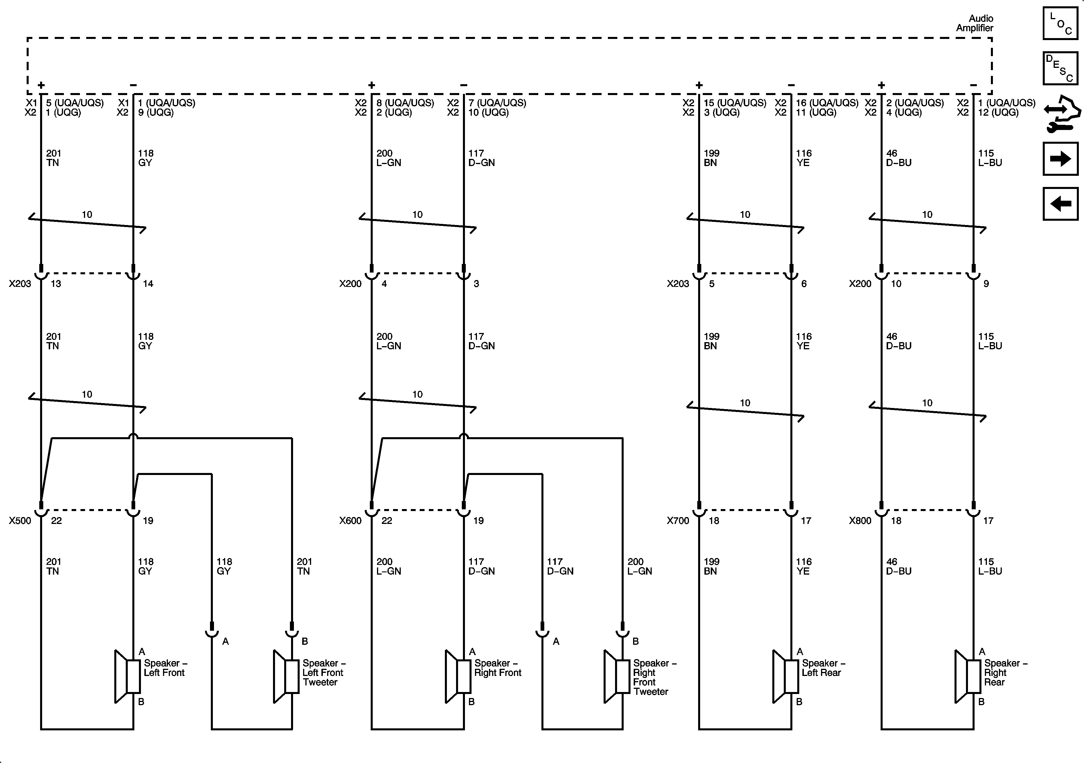
Door and A-Pillar Speakers - UQA/UQG/UQS
Speakers - UQF
Figure
7:
Door and A-Pillar Speakers - UQA/UQG/UQS
Master Electrical Component List
Radio/Audio System Description and Operation
Control Module References
Except Door and A-Pillar Speakers - UQA/UGS
Speakers - UQF+UK6
Figure
8:
Except Door and A-Pillar Speakers - UQA/UQS
Master Electrical Component List
Radio/Audio System Description and Operation
Control Module References
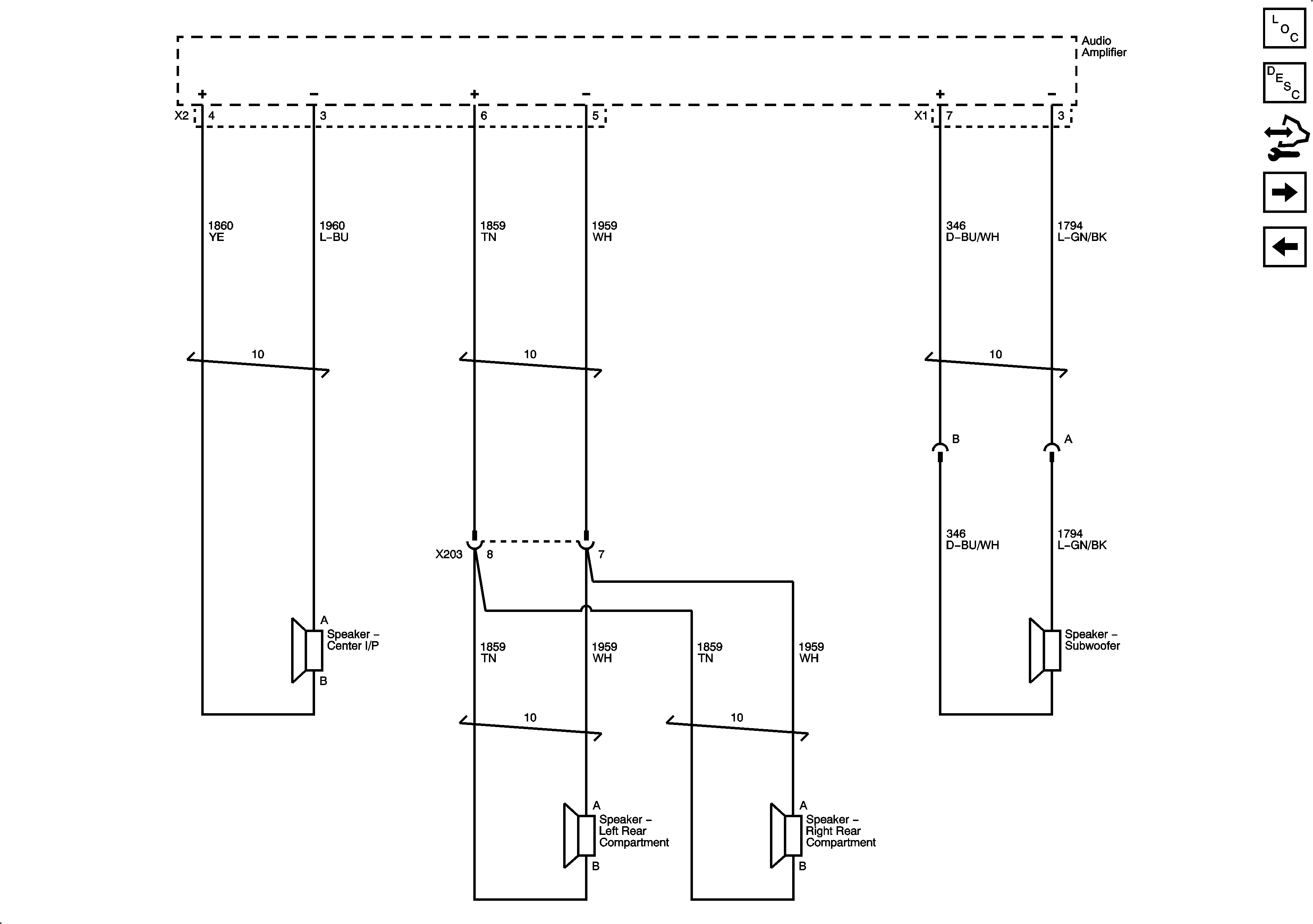
Except Door Speakers - UQG
Door and A-Pillar Speakers - UQA/UQG/UQS
Figure
9:
Except Door Speakers - UQG
Master Electrical Component List
Radio/Audio System Description and Operation
Control Module References
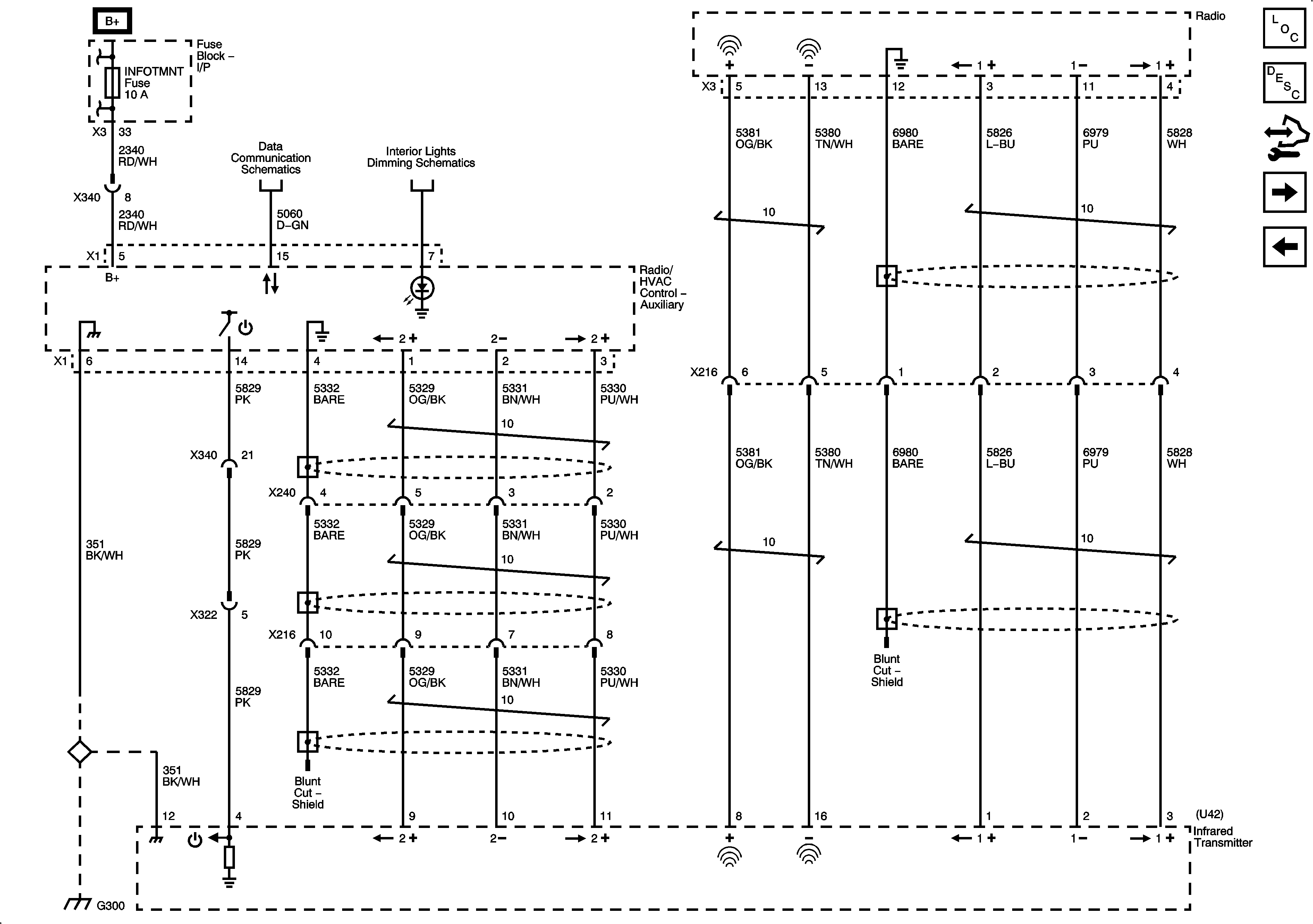
Rear Audio/HVAC Module Power, Ground, Lighting, Data Communication, and Infrared Module
Except Door and A-Pillar Speakers - UQA/UGS
Figure
10:
Rear Audio/HVAC Module Power, Ground, Lighting, Data Communication, and Infrared Module
Master Electrical Component List
Radio/Audio System Description and Operation
Control Module References
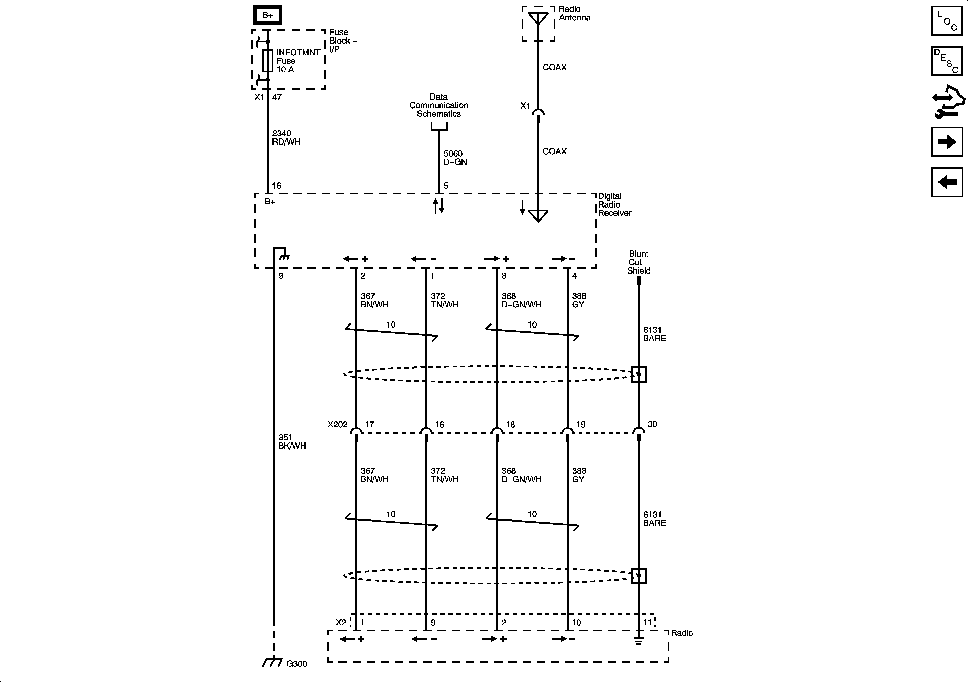
XM Radio - U2K
Except Door Speakers - UQG
Figure
11:
XM Radio - U2K
Master Electrical Component List
Radio/Audio System Description and Operation
Control Module References
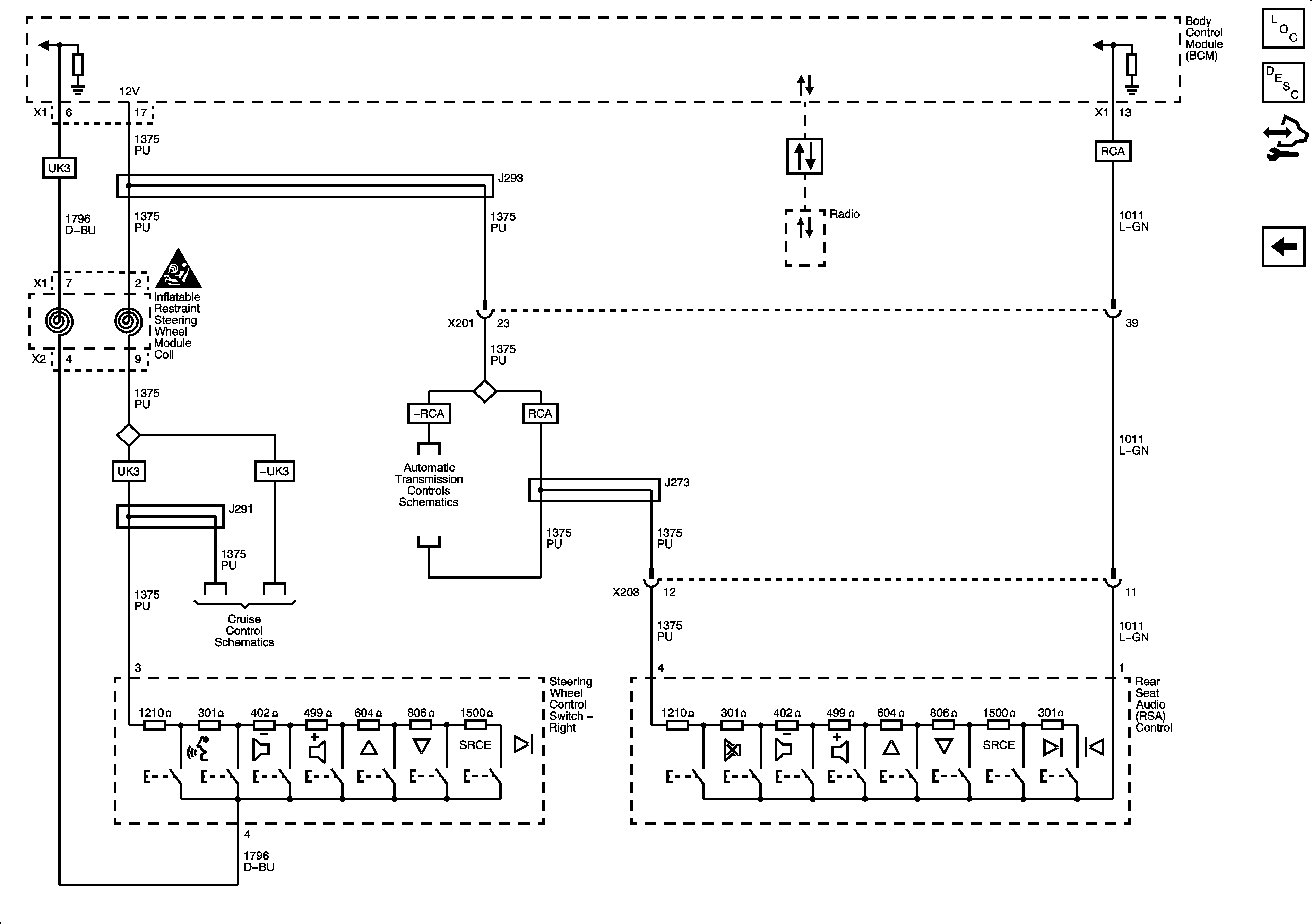
Secondary Controls
Rear Audio/HVAC Module Power, Ground, Lighting, Data Communication, and Infrared Module
Figure
12:
Secondary Controls
Master Electrical Component List
Radio/Audio System Description and Operation
Control Module References
XM Radio - U2K