GM Service Manual Online
For 1990-2009 cars only
Figure 1:

Low Beams


Object Number: 1883176  Size: FS
Master Electrical Component List
Exterior Lighting Systems Description and Operation
Control Module References
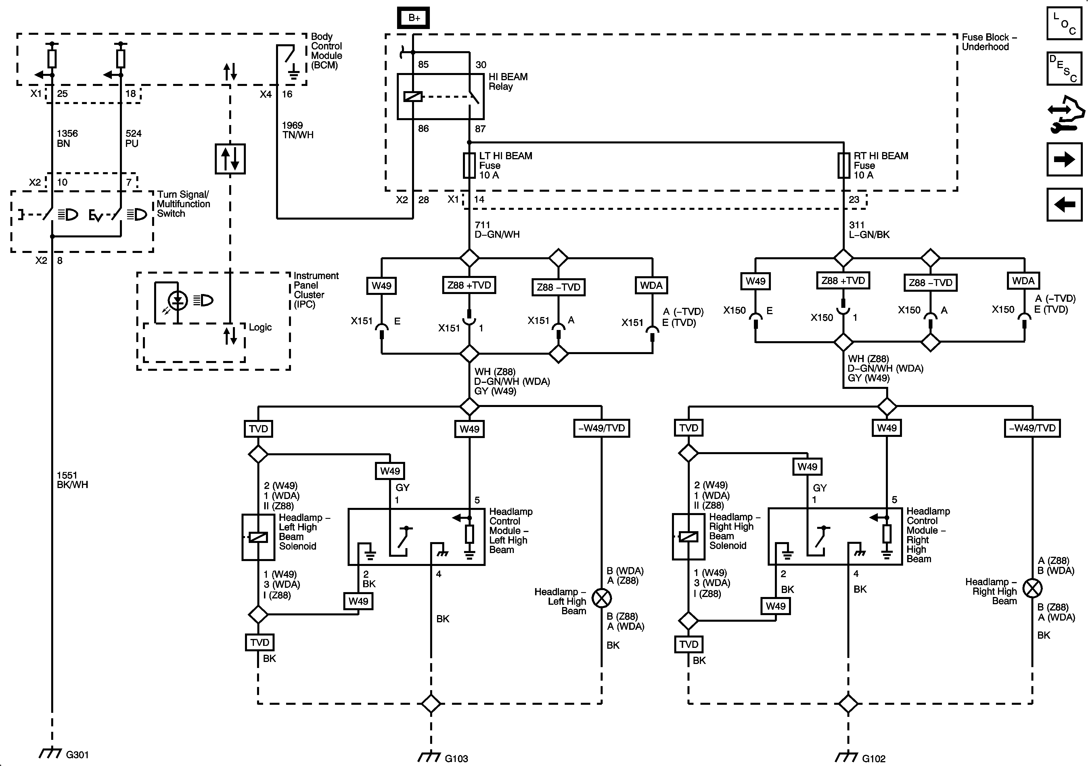
High Beams - Except TSH
Figure 2:

High Beams - Except TSH


Object Number: 1883177  Size: FS
Master Electrical Component List
Exterior Lighting Systems Description and Operation
Control Module References
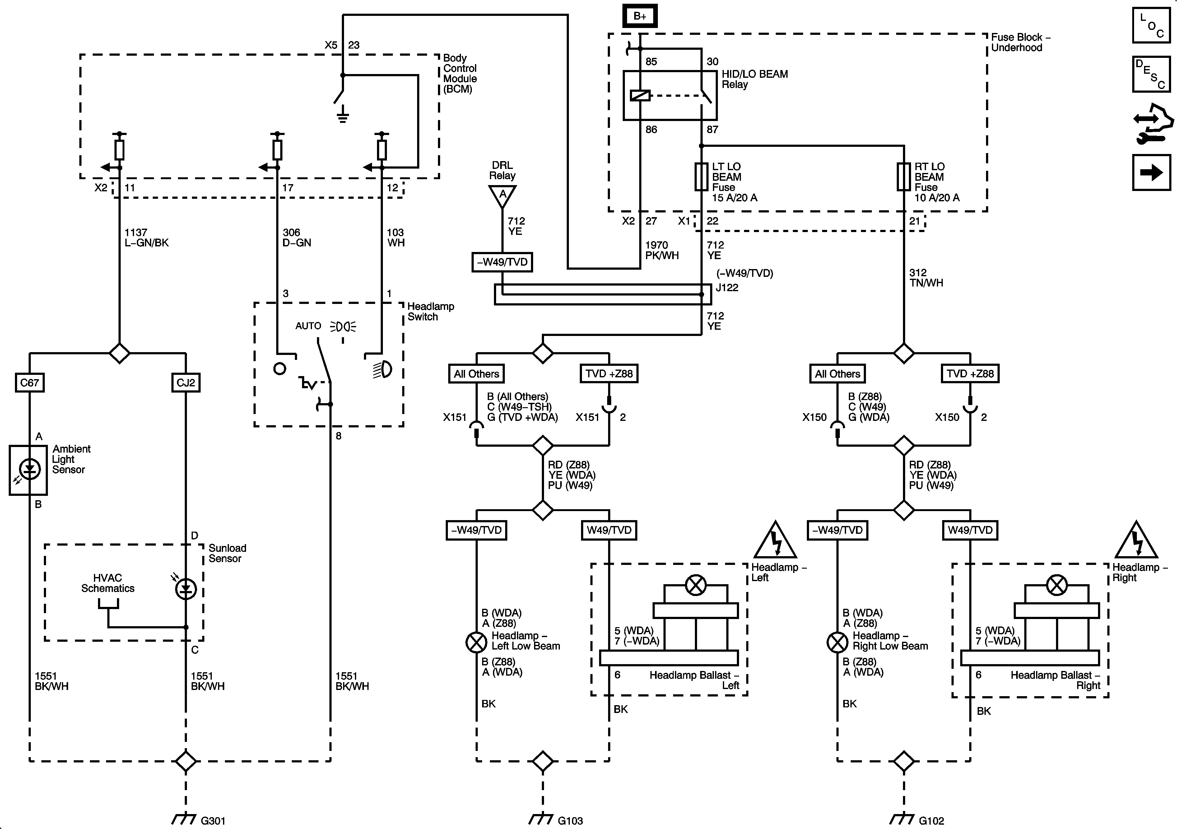
High Beams - TSH
Low Beams
Figure 3:

High Beams - TSH


Object Number: 1975818  Size: FS
Master Electrical Component List
Exterior Lighting Systems Description and Operation
Control Module References
Daytime Running Lights
High Beams - Except TSH
Figure 4:

Daytime Running Lights


Object Number: 1883179  Size: FS
Master Electrical Component List
Exterior Lighting Systems Description and Operation
Control Module References
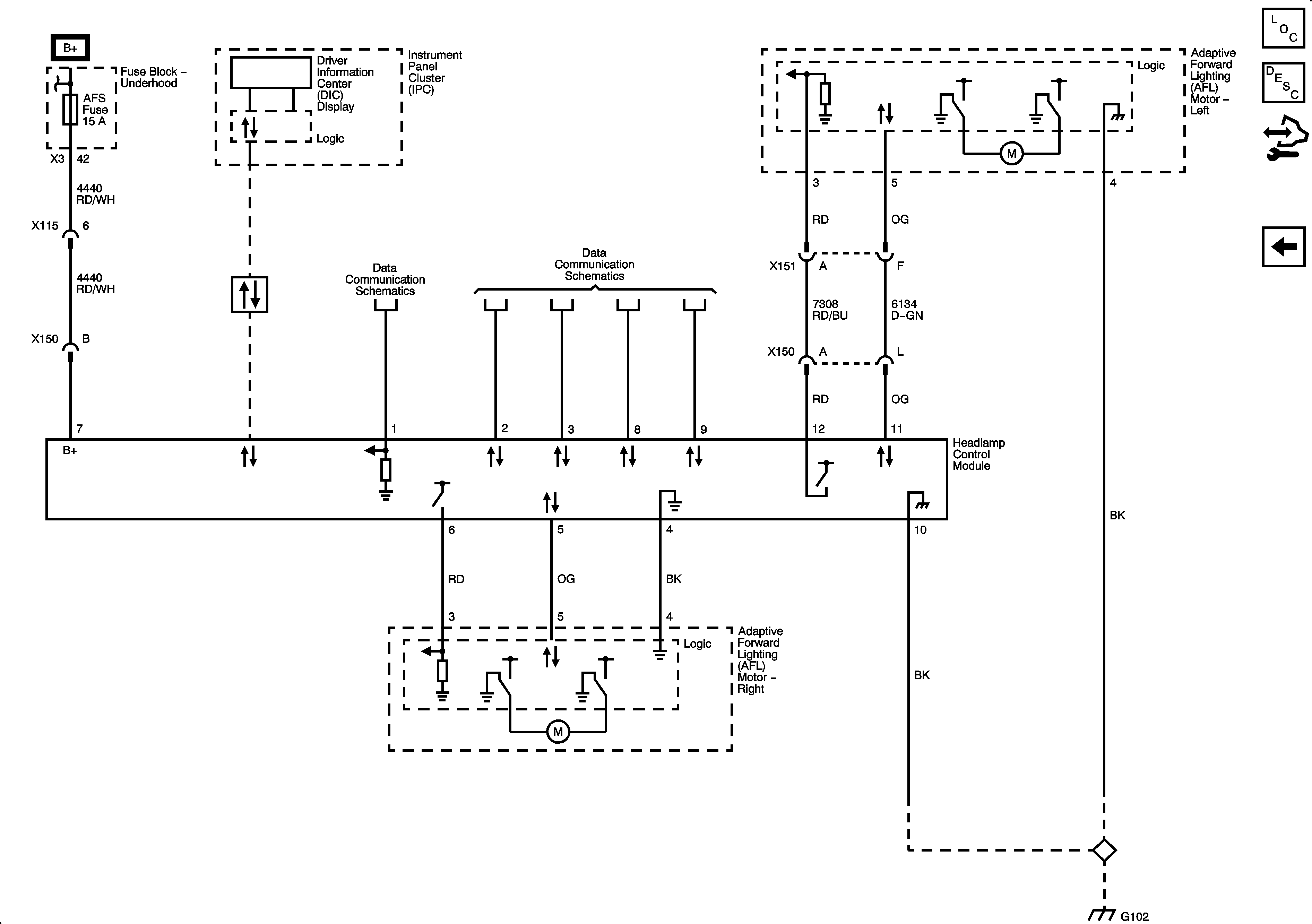
Adaptive Forward Lighting System - TSH
High Beams - TSH
Figure 5:

Adaptive Forward Lighting System - TSH


Object Number: 1883180  Size: FS
Master Electrical Component List
Exterior Lighting Systems Description and Operation
Control Module References
Fog Lights - T96
Daytime Running Lights