GM Service Manual Online
For 1990-2009 cars only
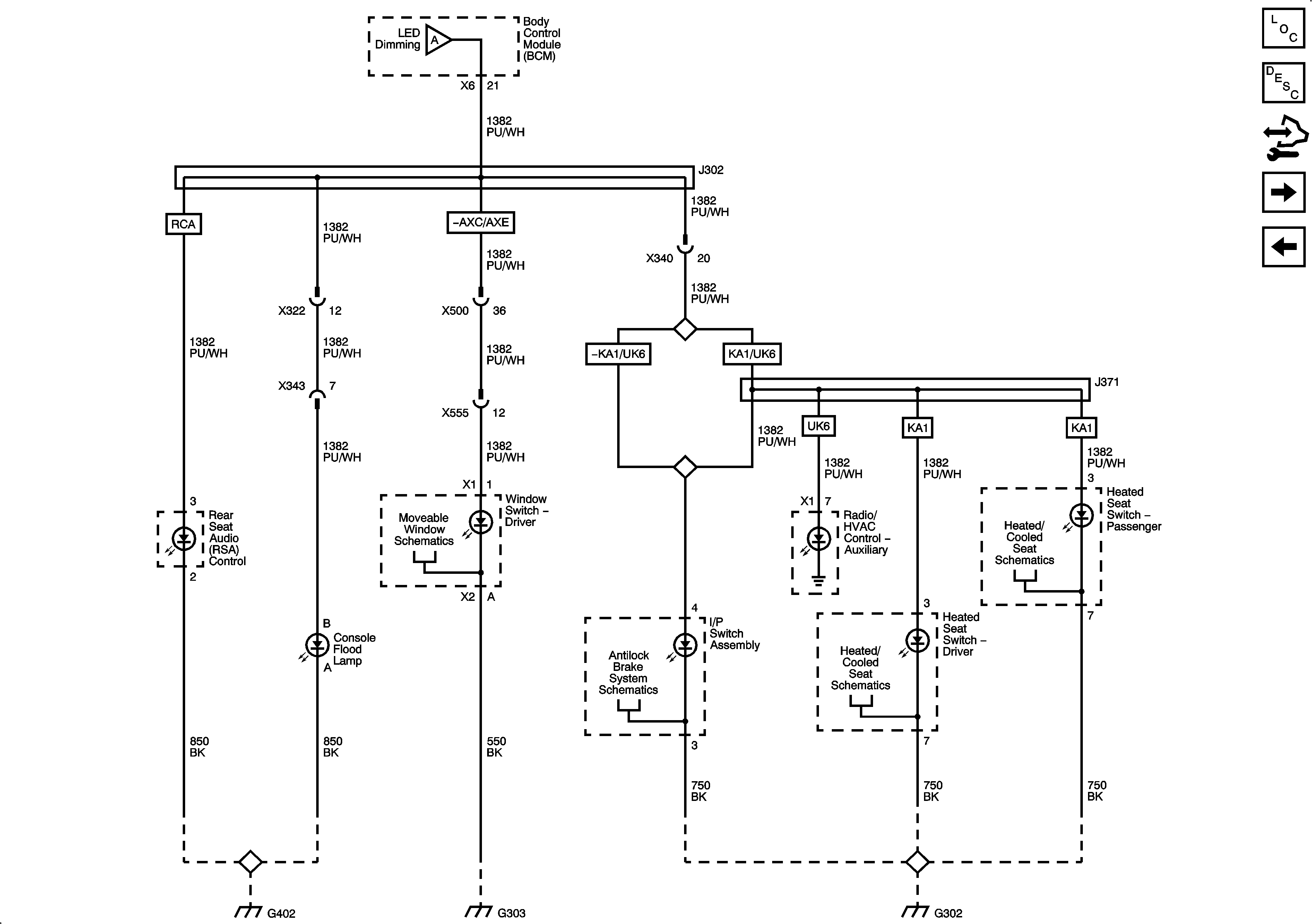
Figure 1:

Controls, I/P, and Steering Wheel LEDs


Object Number: 1883191  Size: FS
Master Electrical Component List
Interior Lighting Systems Description and Operation
Control Module References
Console and Driver Door LEDs
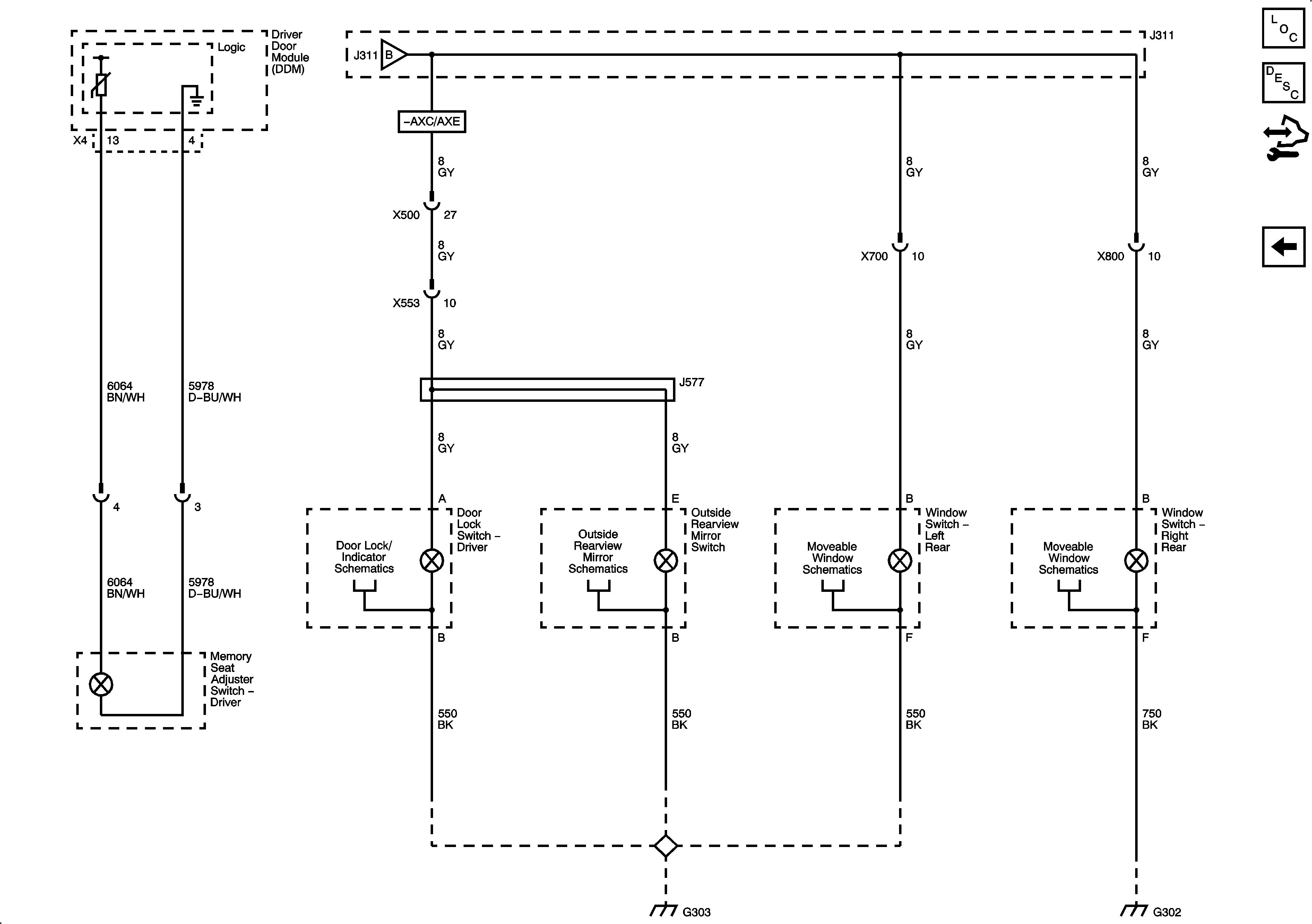
Figure 2:

Console and Driver Door LEDs


Object Number: 1883192  Size: FS
Master Electrical Component List
Interior Lighting Systems Description and Operation
Control Module References
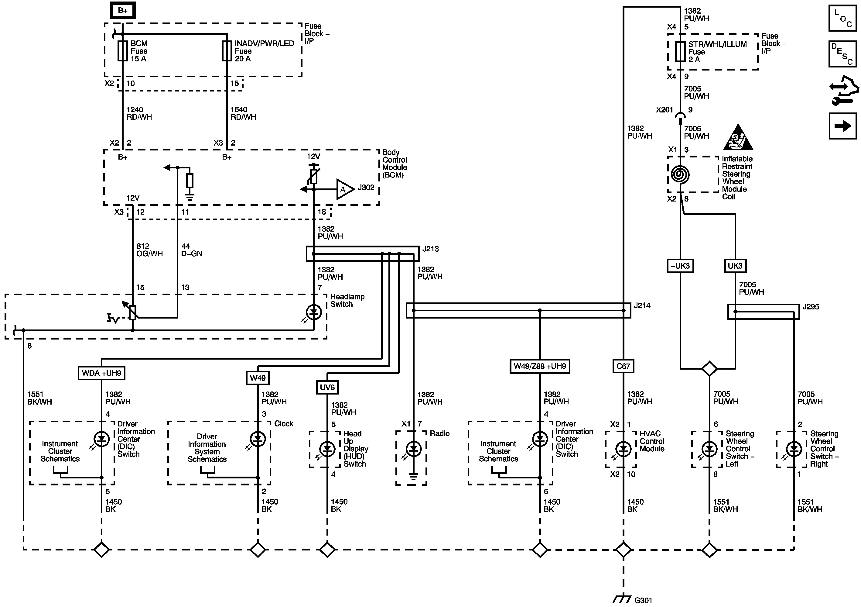
Console, I/P, Passenger Door, and Roof Lamps
Controls, I/P, and Steering Wheel LEDs
Figure 3:

Console, I/P, Passenger Door, and Roof Lamps


Object Number: 1883193  Size: FS
Master Electrical Component List
Interior Lighting Systems Description and Operation
Control Module References
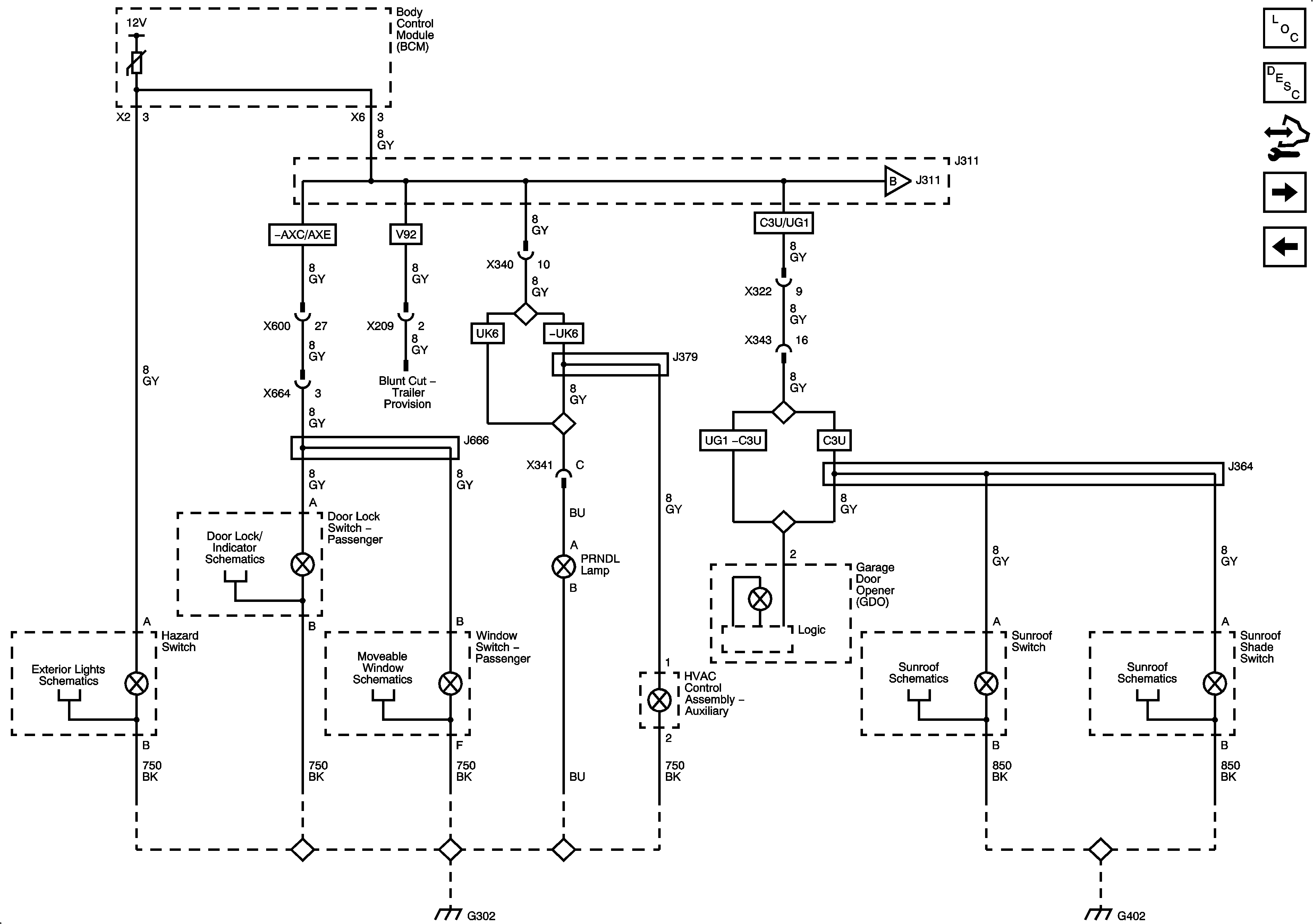
Driver, Left Rear and Right Rear Door Lamps
Console and Driver Door LEDs
Figure 4:

Driver, Left Rear, and Right Rear Door Lamps


Object Number: 1883194  Size: FS
Master Electrical Component List
Interior Lighting Systems Description and Operation
Control Module References
Console, I/P, Passenger Door, and Roof Lamps