GM Service Manual Online
For 1990-2009 cars only
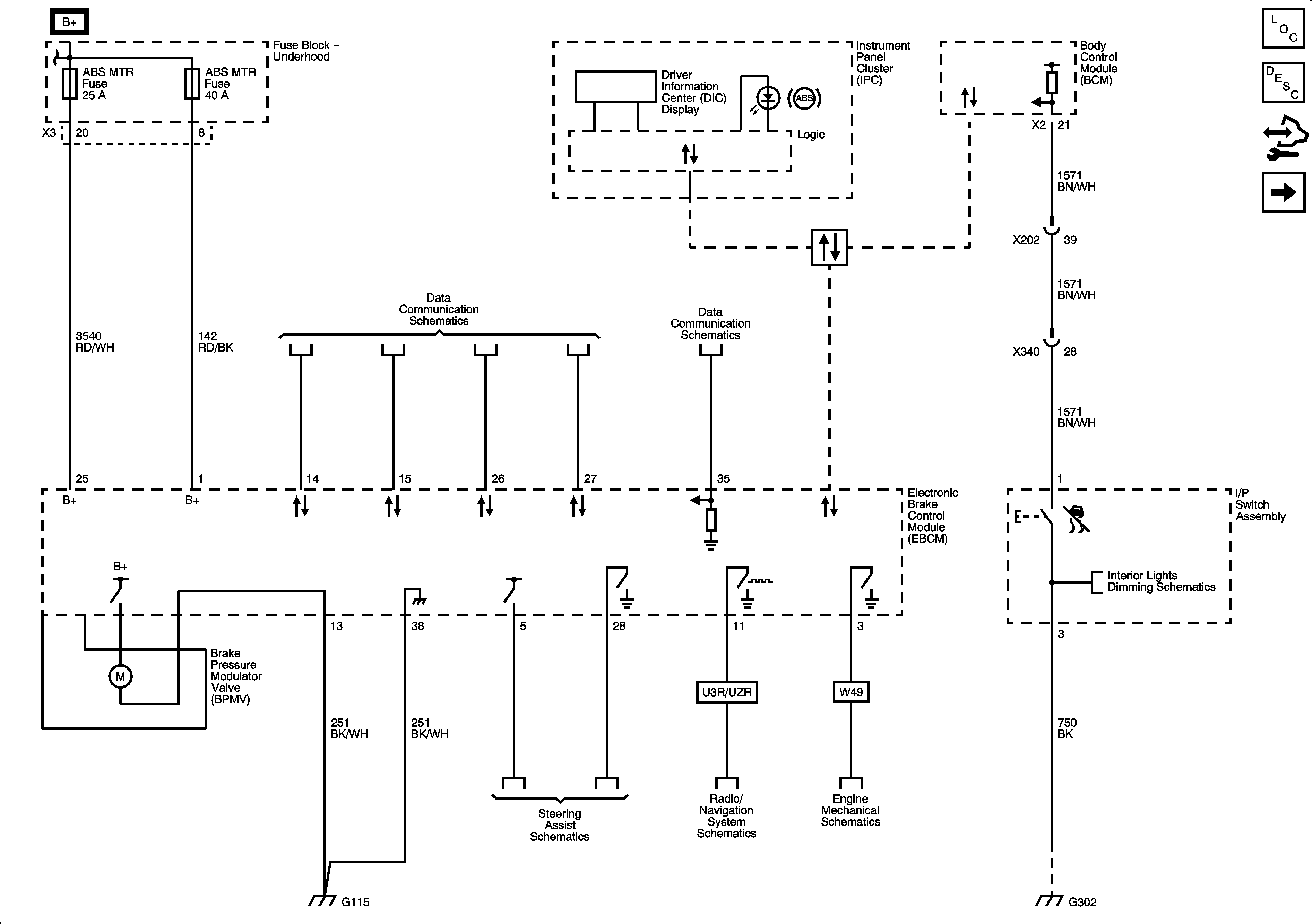
Figure 1:

Module Power and Ground, Indicators, TCS Control, and Subsystem References


Object Number: 1883130  Size: FS
Master Electrical Component List
ABS Description and Operation
Control Module References
Wheel Speed Sensors
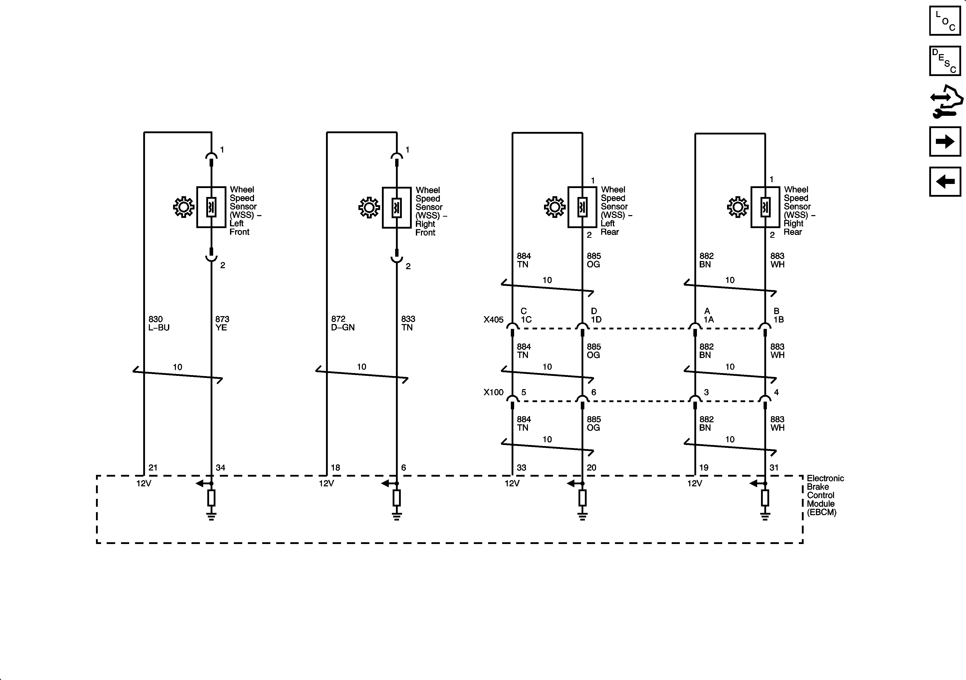
Figure 2:

Wheel Speed Sensors


Object Number: 1883144  Size: FS
Master Electrical Component List
ABS Description and Operation
Control Module References
Stability Control
Module Power and Ground, Indicators, TCS Control, and Subsystem References
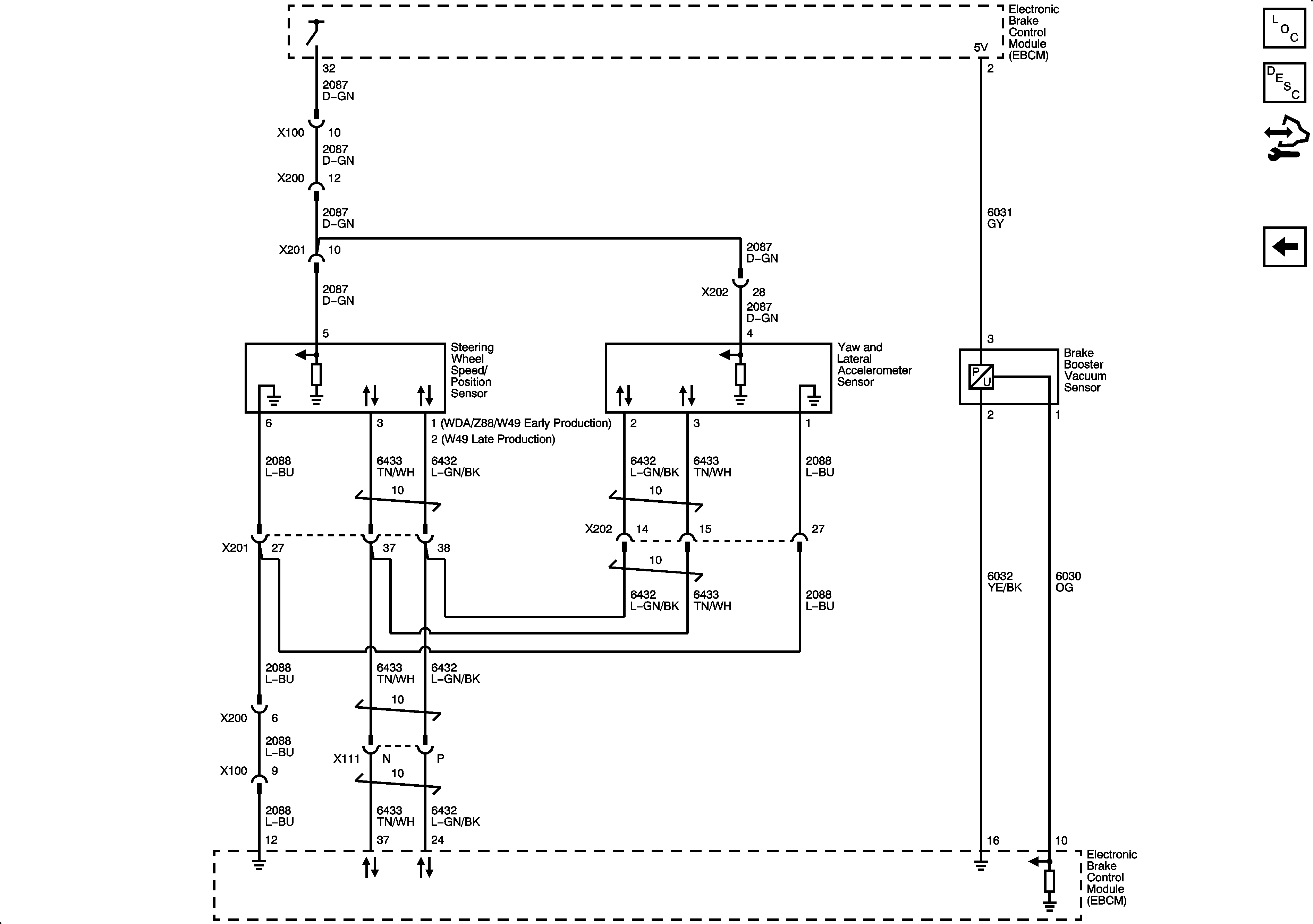
Figure 3:

Stability Control


Object Number: 1883145  Size: FS
Master Electrical Component List
ABS Description and Operation
Control Module References
Wheel Speed Sensors