GM Service Manual Online
For 1990-2009 cars only
Makes
🢒
Saturn
🢒
2008
🢒
OUTLOOK - FWD
🢒
Transmission/Transaxle
🢒
Automatic Transmission - 6T70/6T75
🢒 Automatic Transmission Controls Schematics
Figure
1:
Module Power, Ground, Data Communication, MIL and Brake Applied Signal
Master Electrical Component List
Electronic Component Description
Control Module References
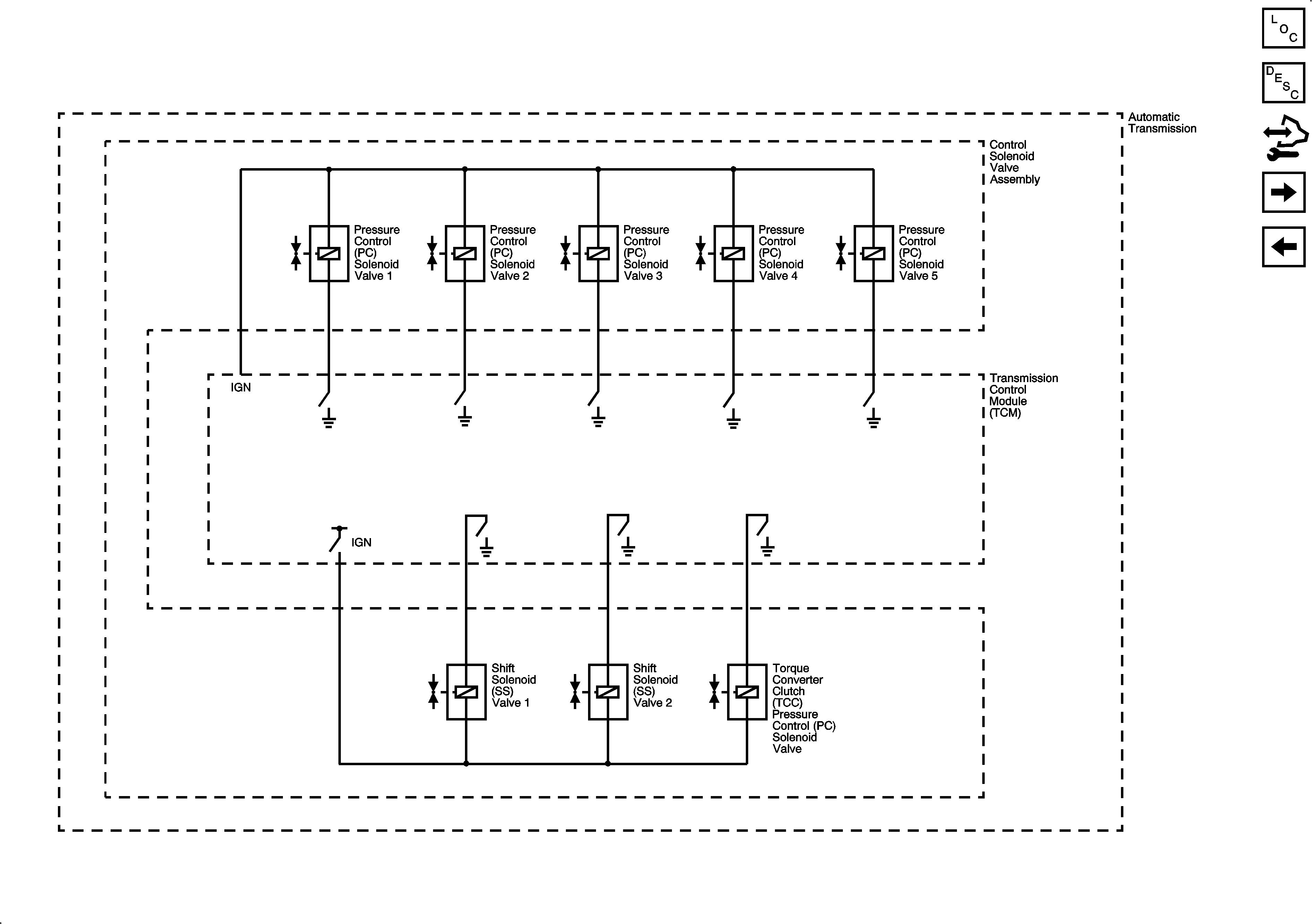
Pressure Controls and Shift Controls
Figure
2:
Pressure Controls and Shift Controls
Master Electrical Component List
Electronic Component Description
Control Module References
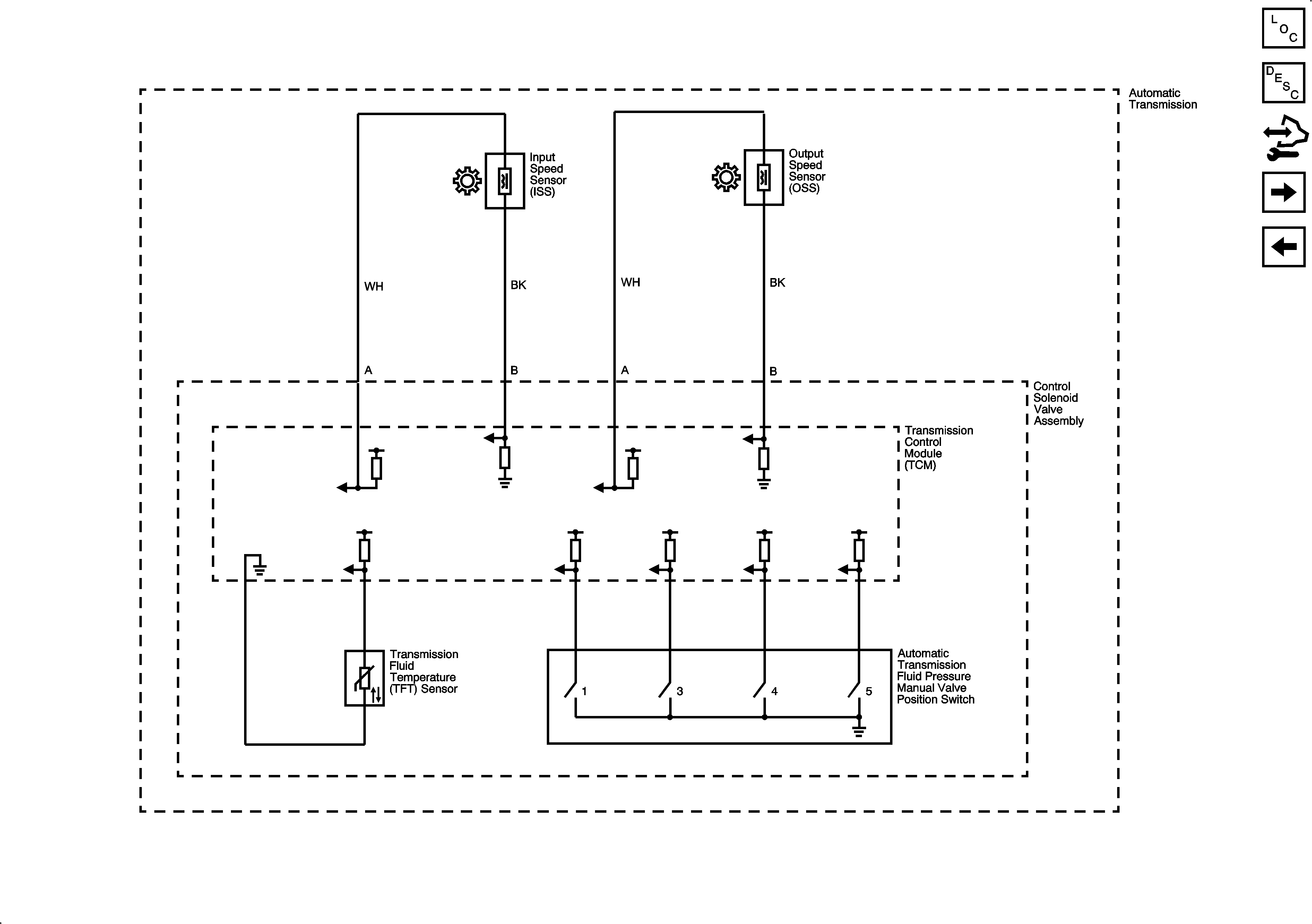
ISS, OSS, TFP, and TFT
Module Power, Ground, Data Communication, MIL and Brake Applied Signal
Figure
3:
ISS, OSS, TFP, and TFT
Master Electrical Component List
Electronic Component Description
Control Module References
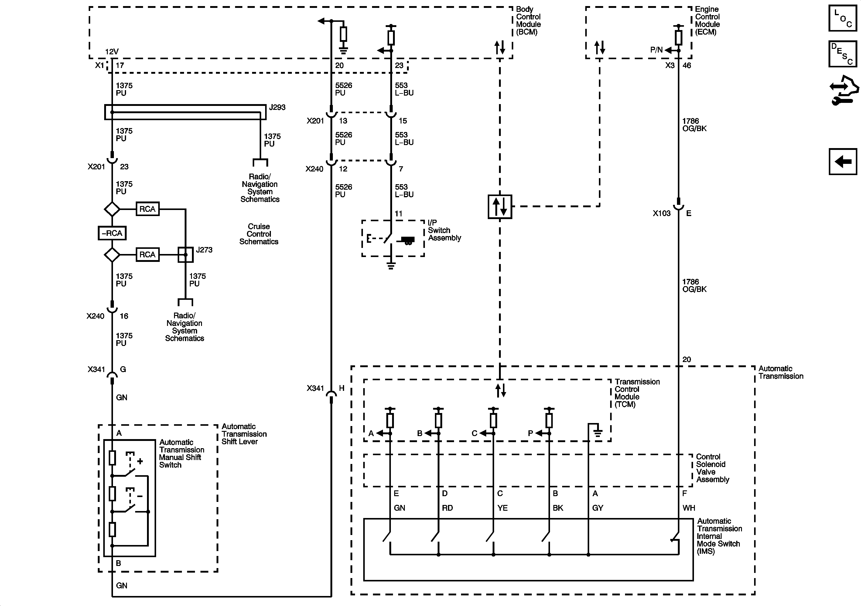
IMS and Tap Up/Tap Down
Pressure Controls and Shift Controls
Figure
4:
IMS and Tap Up/Tap Down
Master Electrical Component List
Electronic Component Description
Control Module References
ISS, OSS, TFP, and TFT