Callout | Component Name |
|---|---|
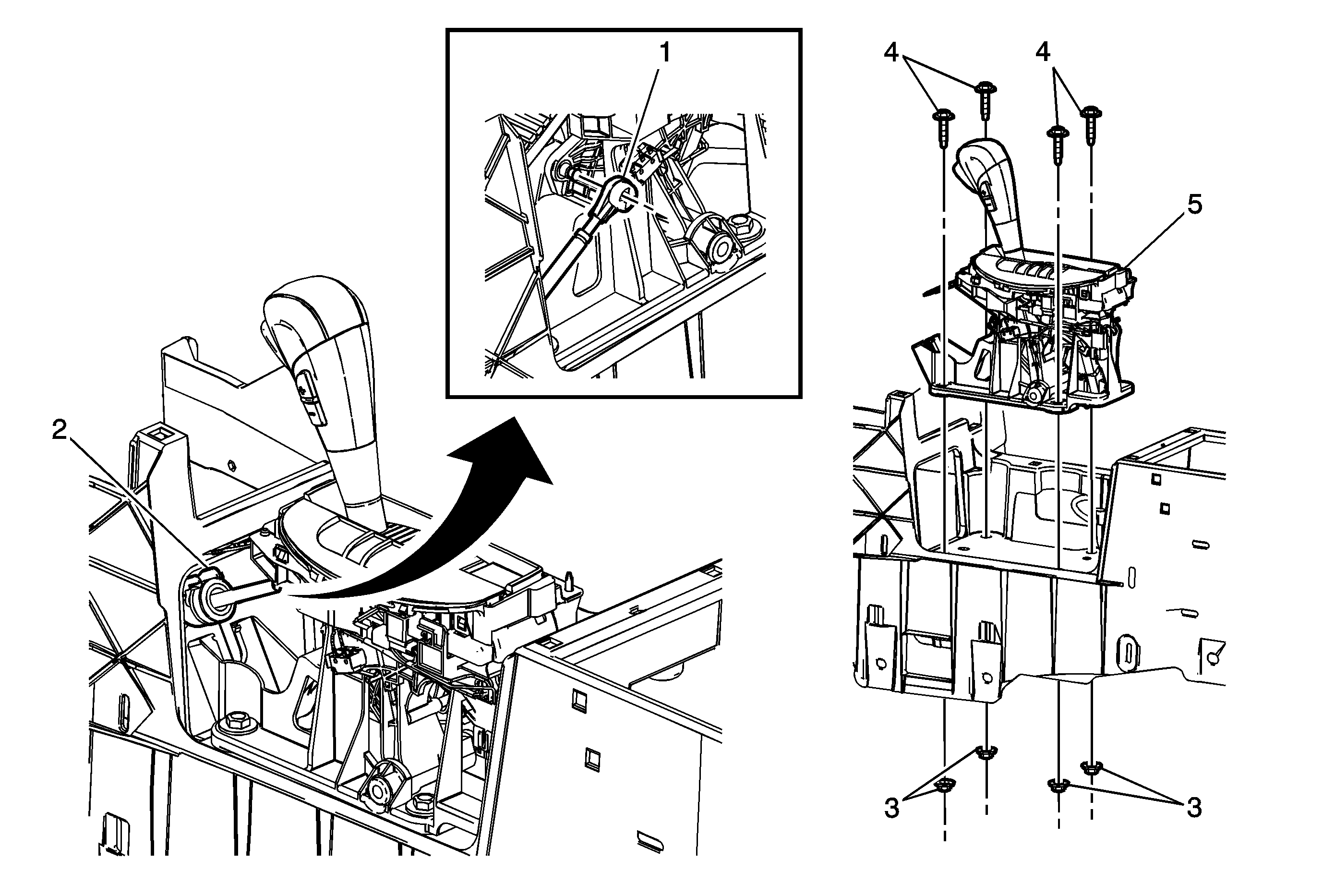
Preliminary ProcedureRemove the console trim plate. Refer to Front Floor Console Cover Replacement . | |
1 | Automatic Transmission Range Select Lever Cable |
2 | Automatic Transmission Range Select Lever Cable Retainer |
3 | Automatic Transmission Control Nut (Qty: 4) Notice: Refer to Fastener Notice in the Preface section. Tighten |
4 | Automatic Transmission Control Bolt (Qty: 4) |
5 | Automatic Transmission Control Procedure
|
Callout | Component Name |
|---|---|
Preliminary ProcedureRemove the console trim plate. Refer to Front Floor Console Cover Replacement . | |
1 | Automatic Transmission Range Select Lever Cable |
2 | Automatic Transmission Range Select Lever Cable Retainer |
3 | Automatic Transmission Control Nut (Qty: 4) Notice: Refer to Fastener Notice in the Preface section. Tighten |
4 | Automatic Transmission Control Bolt (Qty: 4) |
5 | Automatic Transmission Control Procedure
|
Callout | Component Name |
|---|---|
Preliminary ProceduresRemove the console trim plate. Refer to Front Floor Console Cover Replacement . | |
1 | Automatic Transmission Range Select Lever Cable |
2 | Automatic Transmission Range Select Lever Cable Retainer |
3 | Automatic Transmission Control Nut (Qty: 4) Notice: Refer to Fastener Notice in the Preface section. Tighten |
4 | Automatic Transmission Control Bolt (Qty: 4) |
5 | Automatic Transmission Control Procedure
|