GM Service Manual Online
For 1990-2009 cars only
Makes
🢒
Saturn
🢒
2008
🢒
OUTLOOK - FWD
🢒
Transmission/Transaxle
🢒
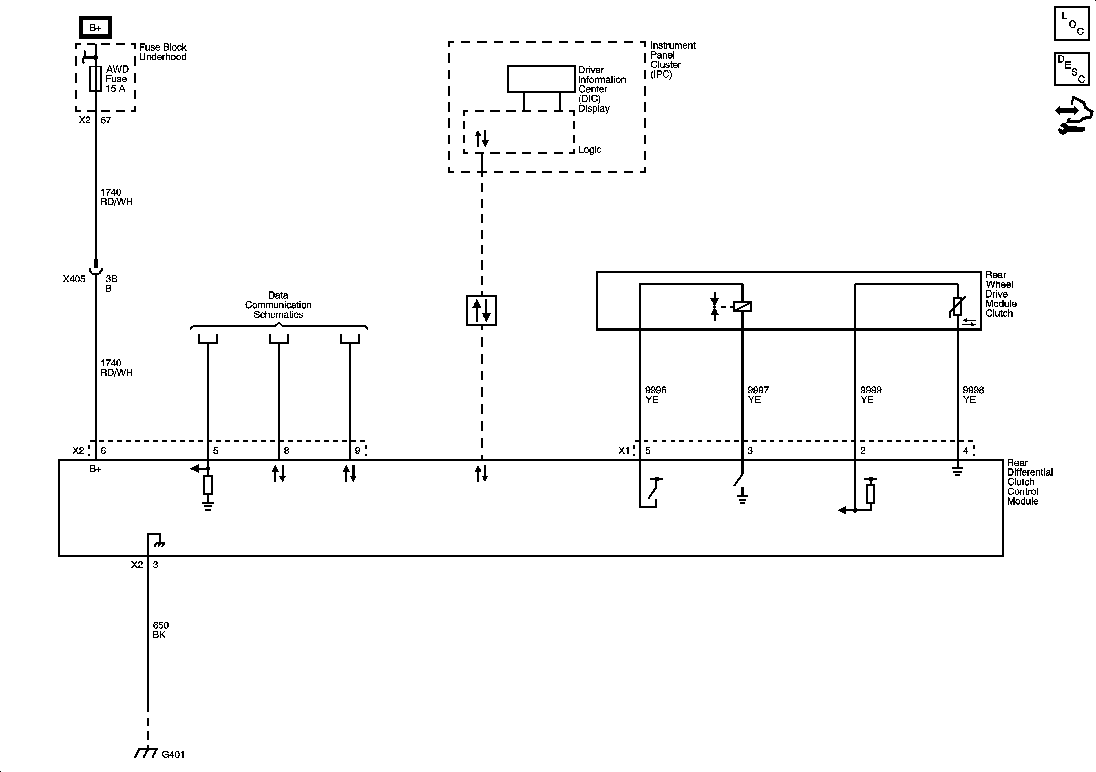
Transfer Case - Getrag 790
🢒 All-Wheel Drive Schematics
MH6
Master Electrical Component List
All-Wheel Drive Description and Operation
Control Module References