GM Service Manual Online
For 1990-2009 cars only

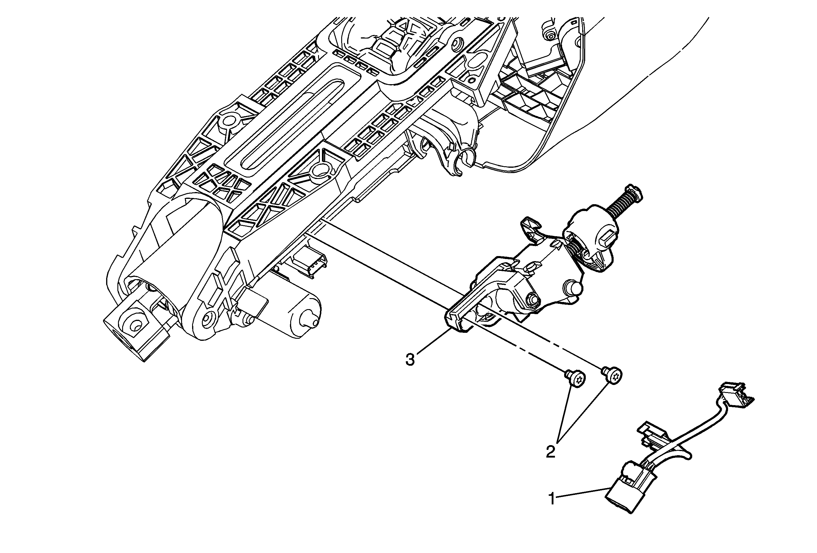
Object Number: 2037146  Size: MF

Callout

Component Name

Preliminary Procedure

Remove the steering column. Refer to Steering Column Replacement.

1

Steering Column Tilt Wheel And Telescope Actuator Motor Harness

Tip
The connectors on this harness can only be used once. The harness must be replaced when either connector or both connectors are removed.

2

Steering Column Tilt Wheel Actuator Motor Bolt (Qty: 2)

Notice: Refer to Fastener Notice in the Preface section.

Tip

    • Make sure the position arm on the actuator motor is aligned to the steering column tilt wheel position sensor.
    • When replacing the motor the steering column housing may need to be adjusted. Remove the lower two bolts from the steering column telescope actuator motor so the steering column housing can be slide to the appropriate position. Refer to Steering Column Telescope Actuator Motor Replacement.

Tighten
6 N·m (53 lb in)

3

Steering Column Tilt Wheel Actuator Motor

Procedure

After repairs, perform the telescoping steering column calibration. Refer to Telescoping Steering Column Calibration.

Tip
Cover up any openings to the steering column while servicing the motor. Absolutely nothing can be dropped into the steering column. Be sure nothing has been dropped in the column before reinstalling.