GM Service Manual Online
For 1990-2009 cars only
Figure 1:

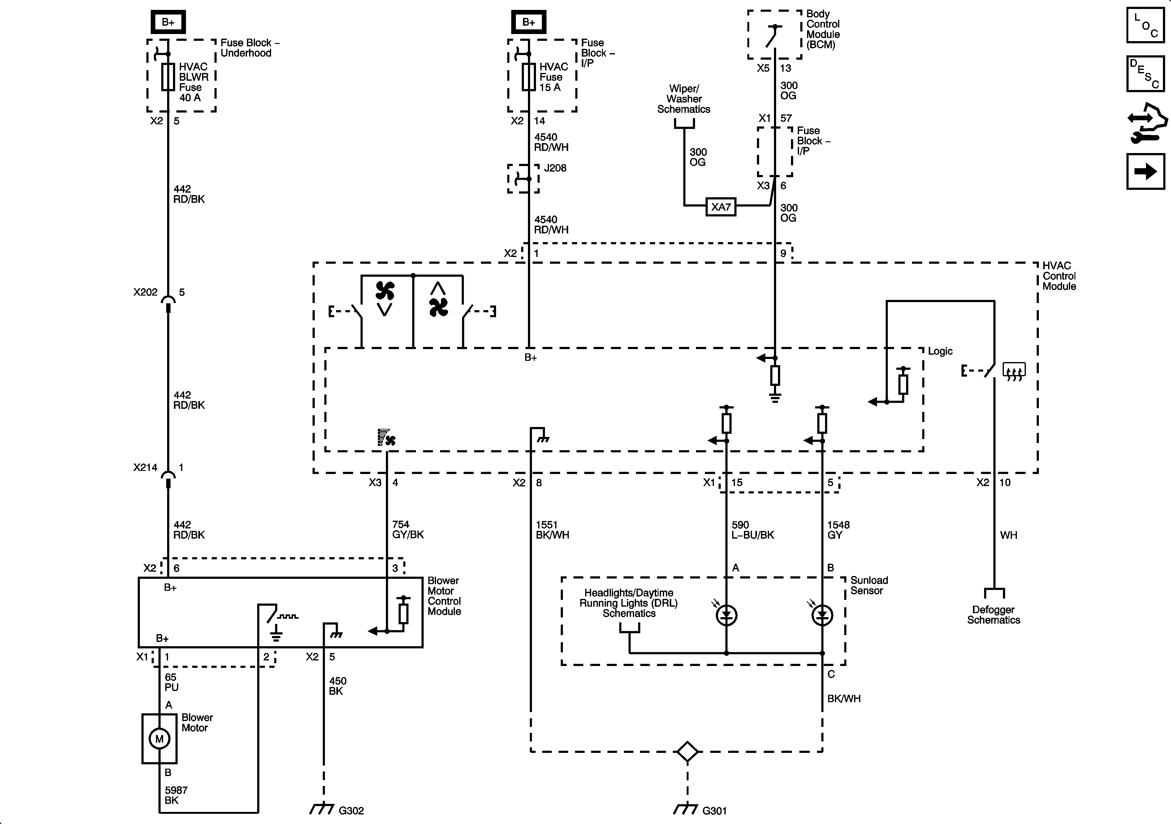
Module Power and Ground, Blower Control, Data Communication and Sunload


Object Number: 1883053  Size: FS
Master Electrical Component List
Air Delivery Description and Operation
Control Module References
Actuators
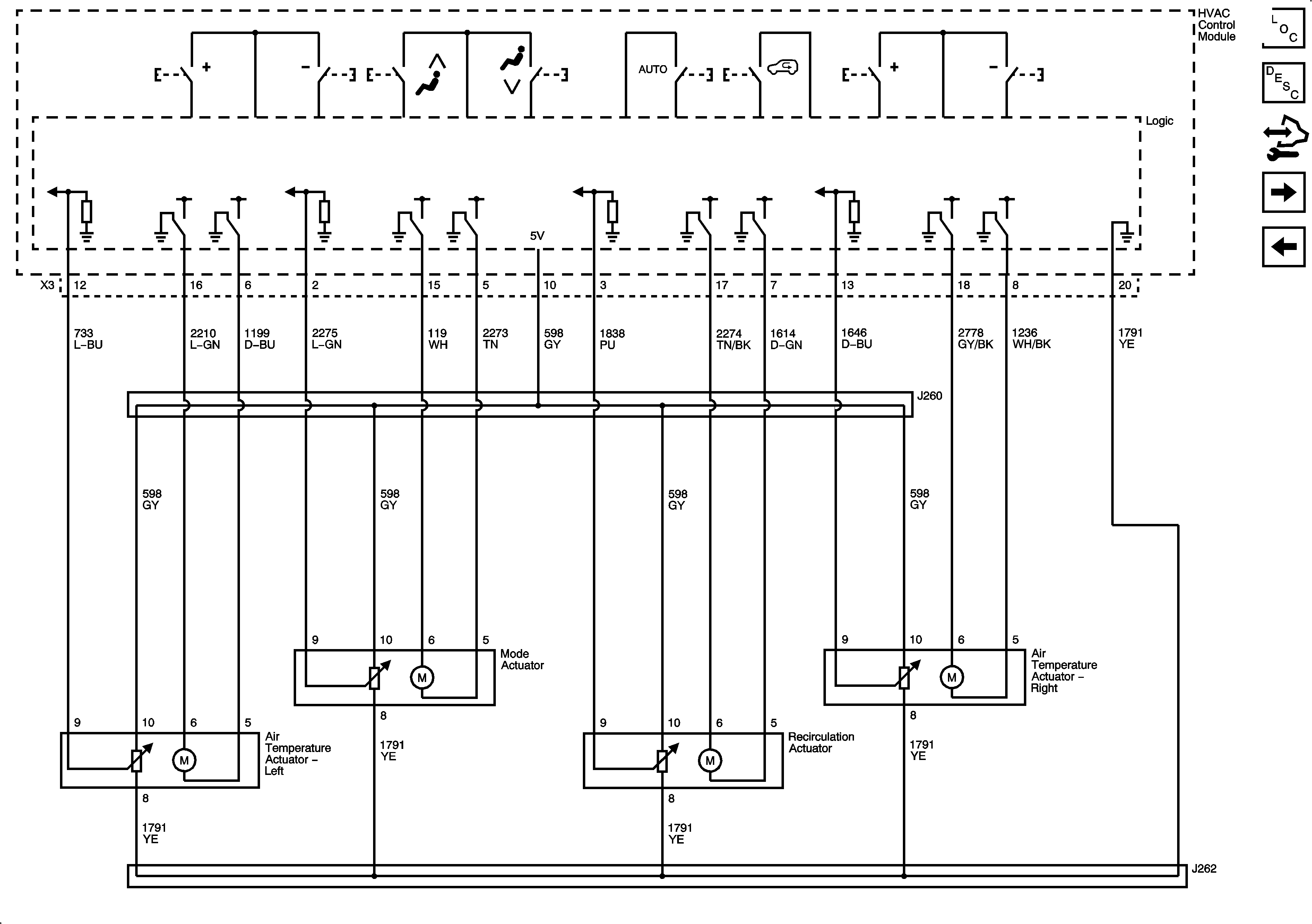
Figure 2:

Actuators


Object Number: 1883088  Size: FS
Master Electrical Component List
Air Delivery Description and Operation
Control Module References
Sensors
Module Power and Ground, Blower Control, Data Communication and Sunload
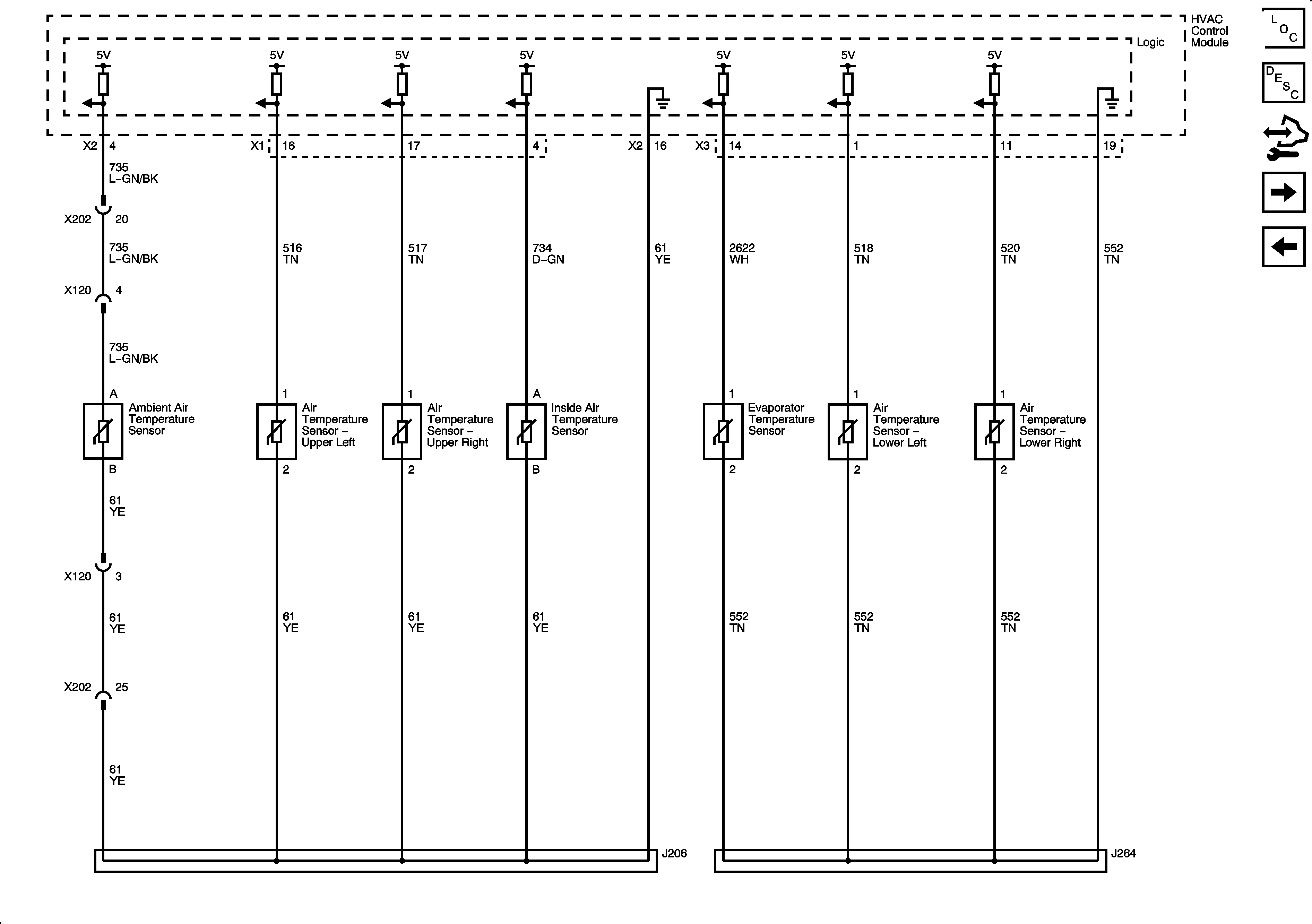
Figure 3:

Sensors


Object Number: 1883090  Size: FS
Master Electrical Component List
Air Temperature Description and Operation
Control Module References
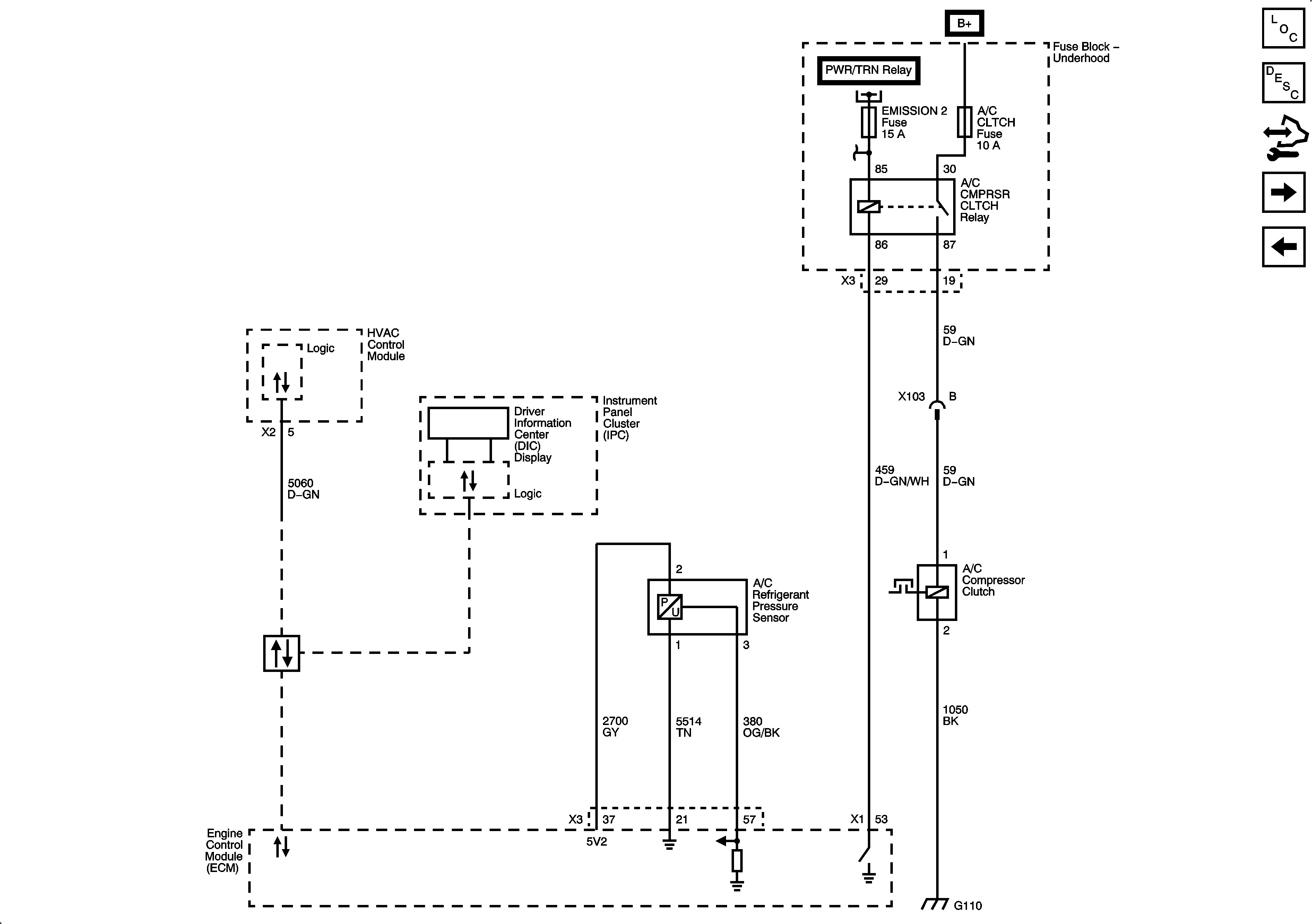
Compressor Controls
Actuators
Figure 4:

Compressor Controls


Object Number: 1883105  Size: FS
Master Electrical Component List
Air Temperature Description and Operation
Control Module References
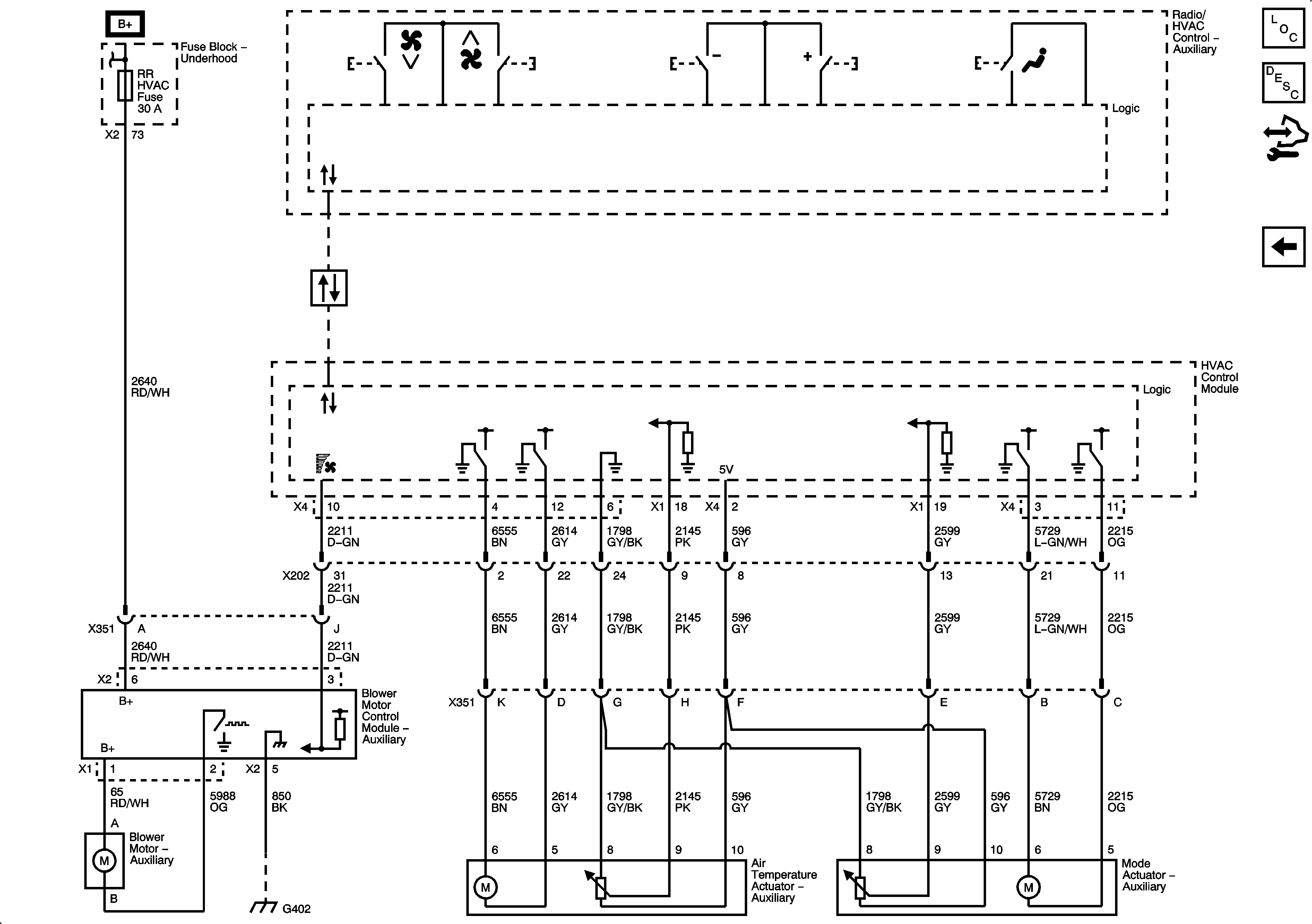
Rear HVAC without UK6
Sensors
Figure 5:

Rear HVAC without UK6


Object Number: 1883121  Size: FS
Master Electrical Component List
Air Delivery Description and Operation
Control Module References
Rear HVAC UK6
Compressor Controls
Figure 6:

Rear HVAC UK6


Object Number: 1883125  Size: FS
Master Electrical Component List
Air Delivery Description and Operation
Control Module References
Rear HVAC without UK6