GM Service Manual Online
For 1990-2009 cars only
Makes
🢒
Saturn
🢒
2008
🢒
OUTLOOK - FWD
🢒
Roof
🢒
Sunroof
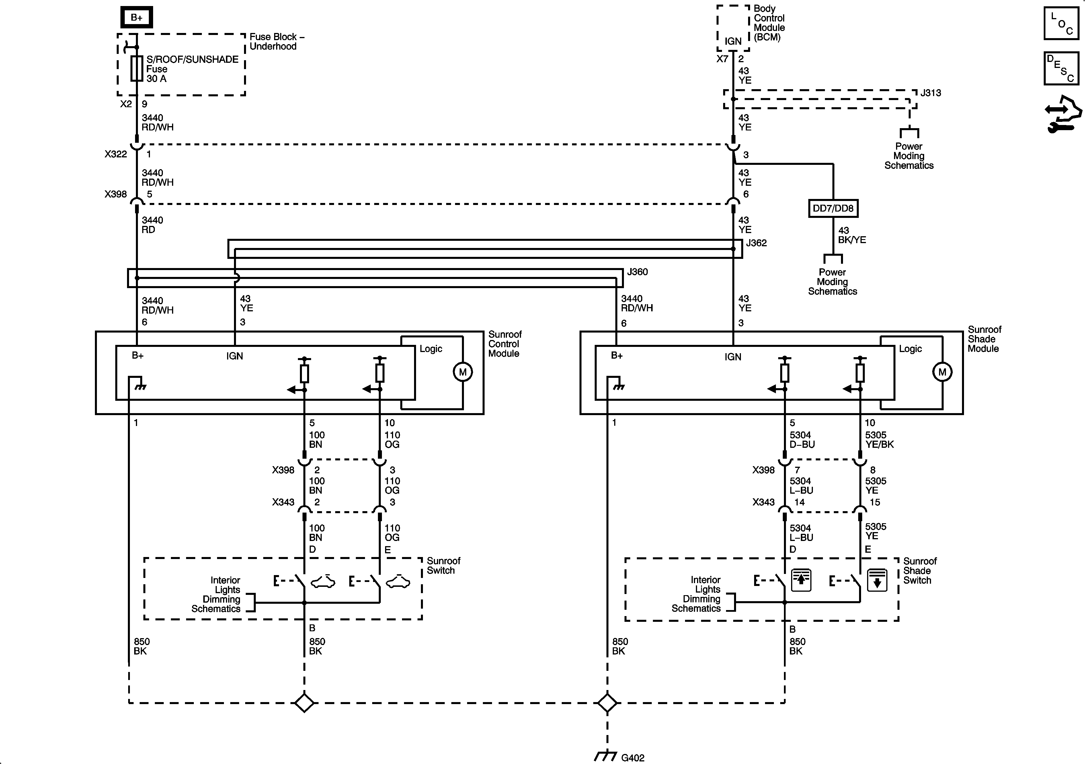
🢒 Sunroof Schematics
C3U
Master Electrical Component List
Sunroof Description and Operation
Control Module References