GM Service Manual Online
For 1990-2009 cars only
Figure 1:

AG1


Object Number: 1883224  Size: FS
Master Electrical Component List
Power Seats System Description and Operation
Control Module References
AH5
Figure 2:

AH5


Object Number: 1883225  Size: FS
Master Electrical Component List
Power Seats System Description and Operation
Control Module References
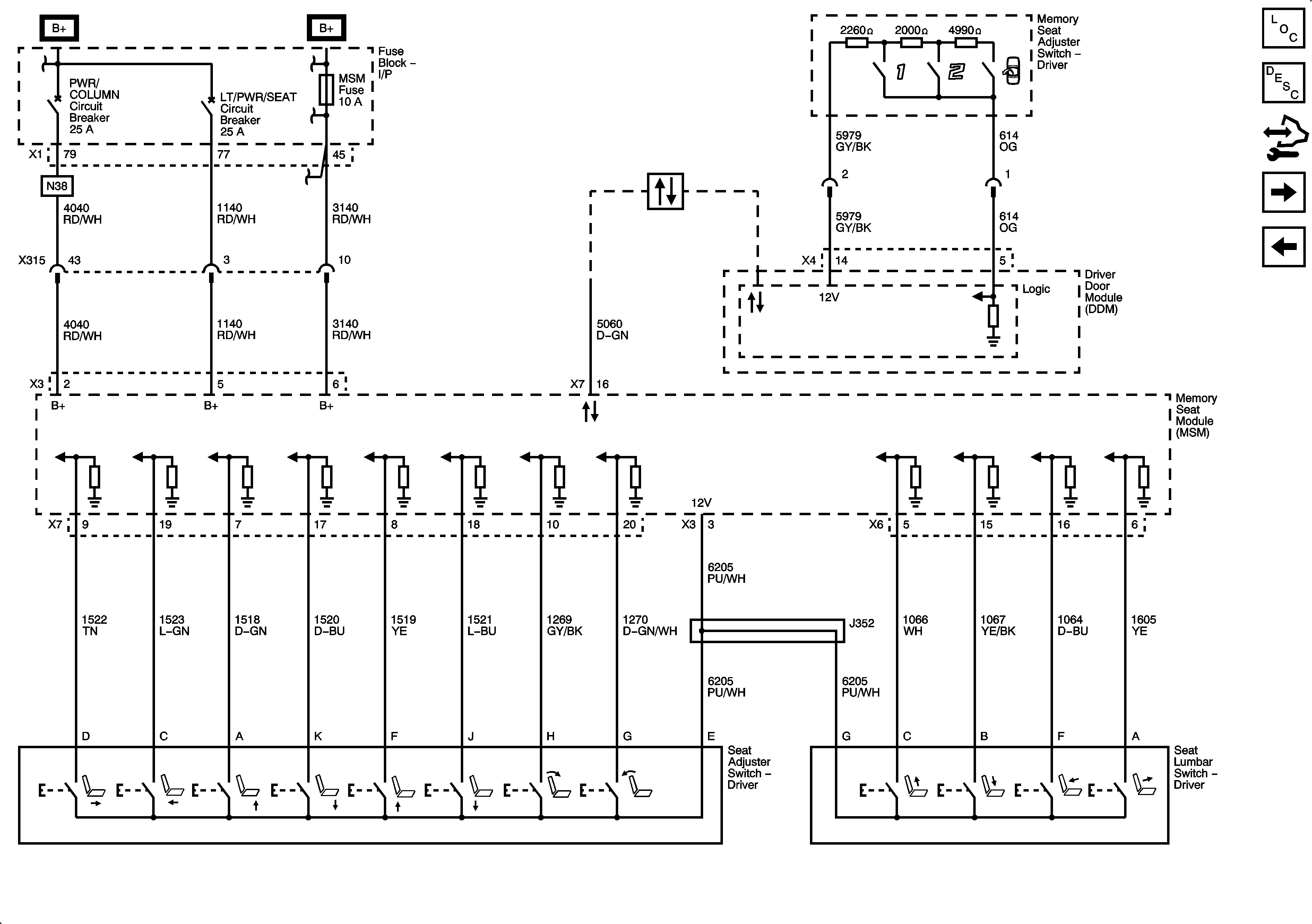
AG3 Module Power and Data Communication, Driver Switches
AG1
Figure 3:

AG3 Module Power and Data Communication, Driver Switches


Object Number: 1883226  Size: FS
Master Electrical Component List
Memory Seats Description and Operation
Control Module References
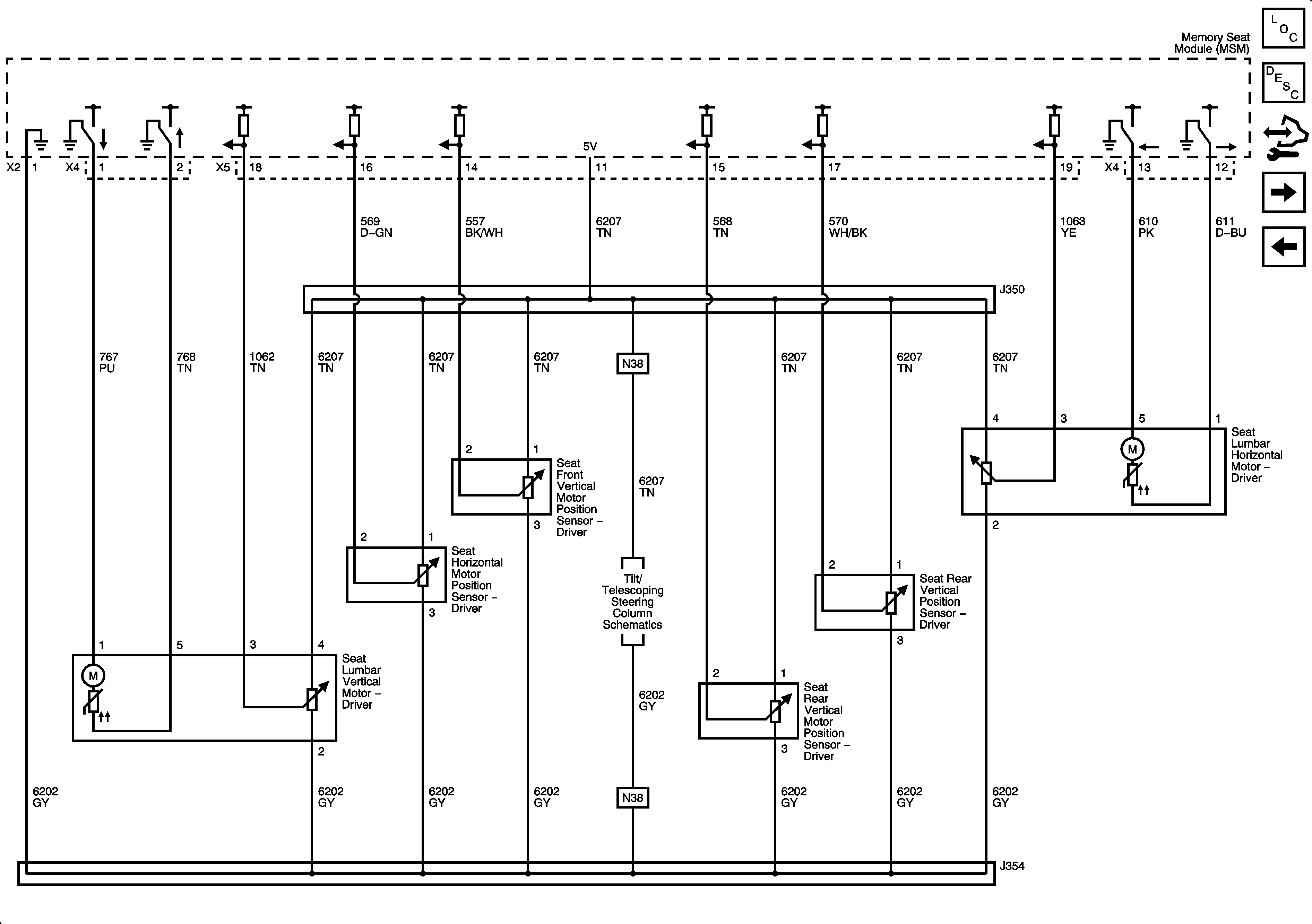
AG3 Position Sensors and Lumbar Motors
AH5
Figure 4:

AG3 Position Sensors and Lumbar Motors


Object Number: 1883227  Size: FS
Master Electrical Component List
Memory Seats Description and Operation
Control Module References
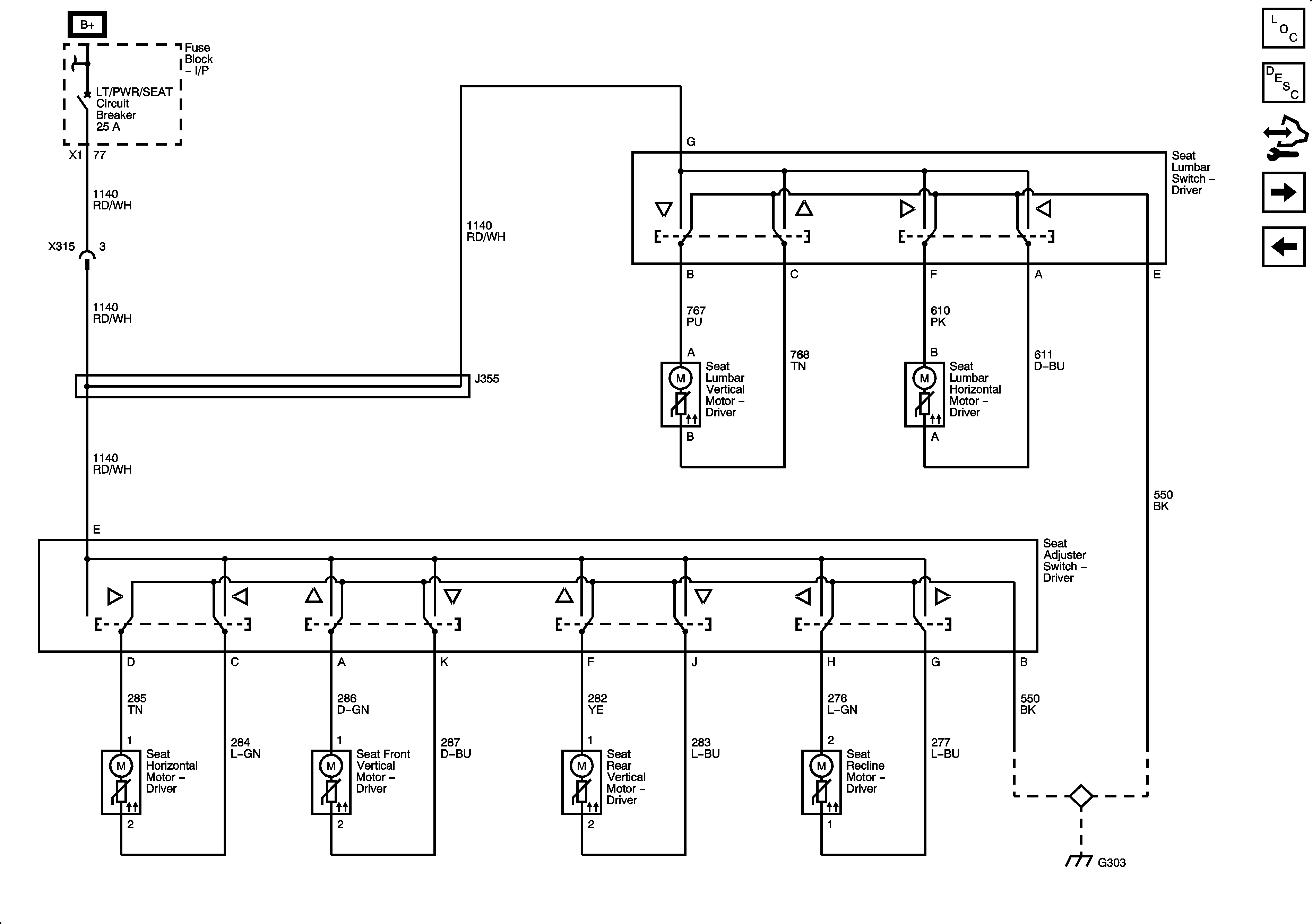
AG3 Module Ground, Recline, Horizontal, and Vertical Motors
AG3 Module Power and Data Communication, Driver Switches
Figure 5:

AG3 Module Ground, Recline, Horizontal, and Vertical Motors


Object Number: 1883228  Size: FS
Master Electrical Component List
Memory Seats Description and Operation
Control Module References
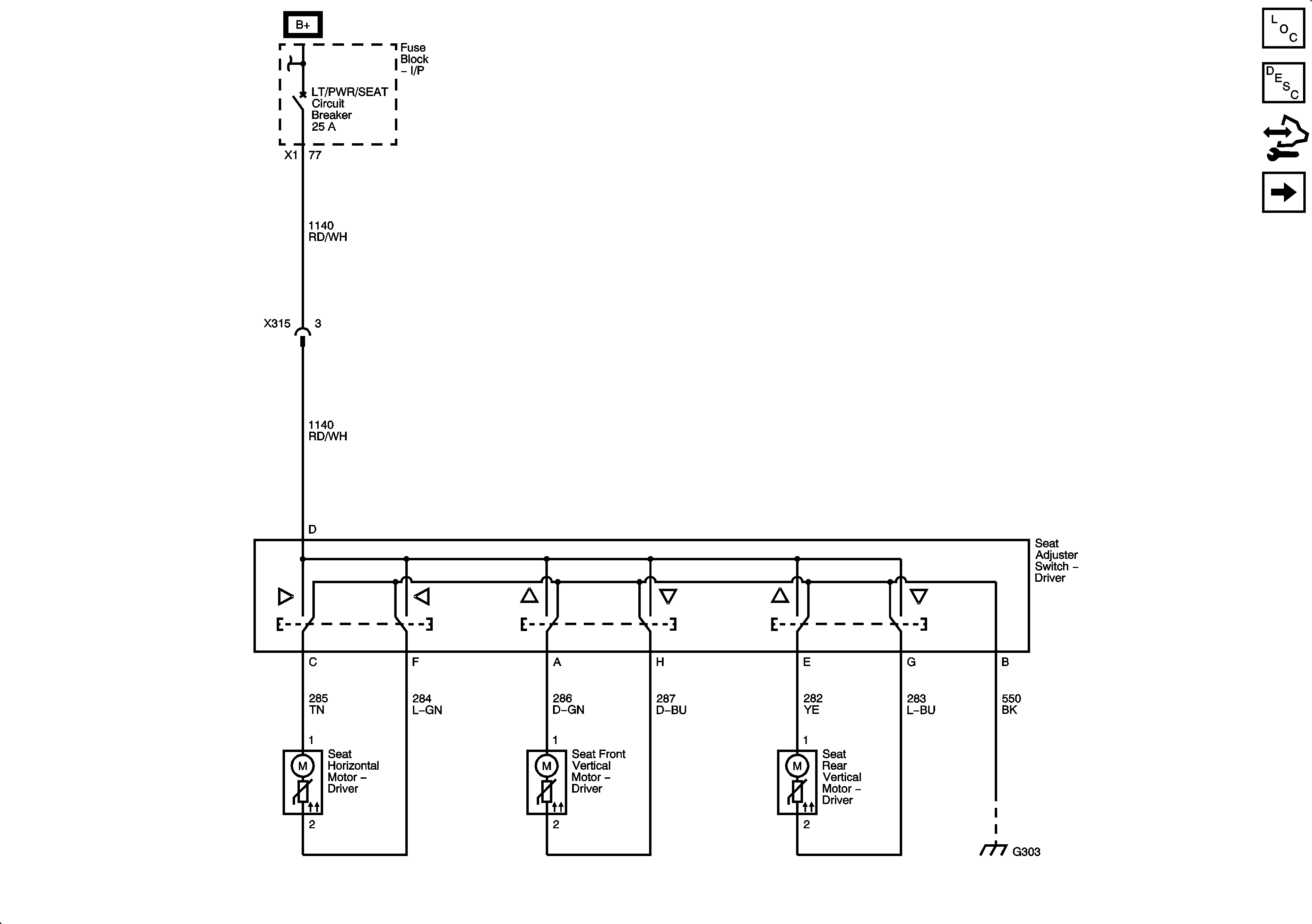
AG3 Position Sensors and Lumbar Motors