GM Service Manual Online
For 1990-2009 cars only
Makes
🢒
Saturn
🢒
2008
🢒
OUTLOOK - FWD
🢒
HVAC
🢒
HVAC - Manual
🢒 HVAC Schematics
Figure
1:
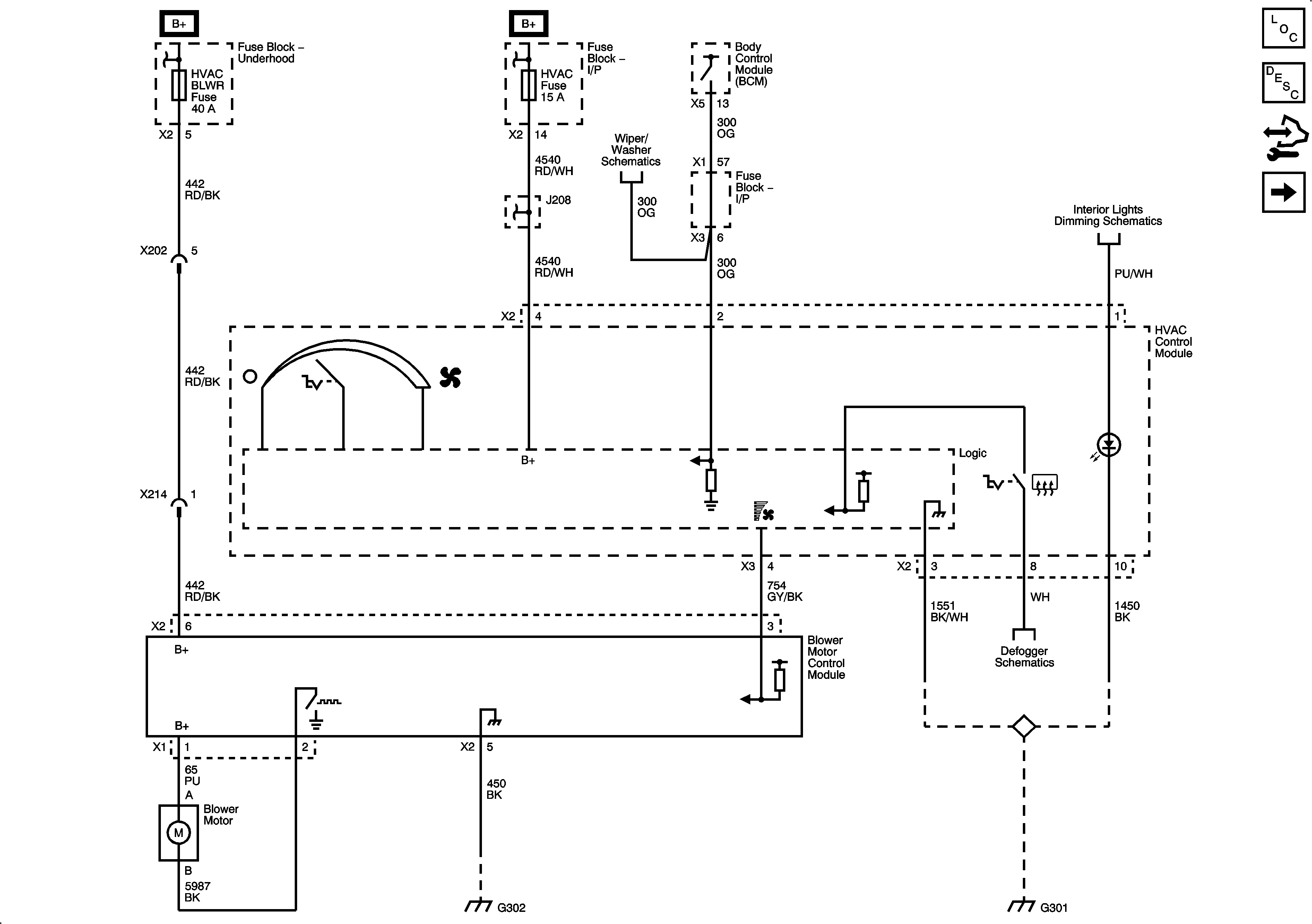
Module Power and Ground, Blower Control, and Subsystem References
Master Electrical Component List
Air Delivery Description and Operation
Control Module References
Actuators
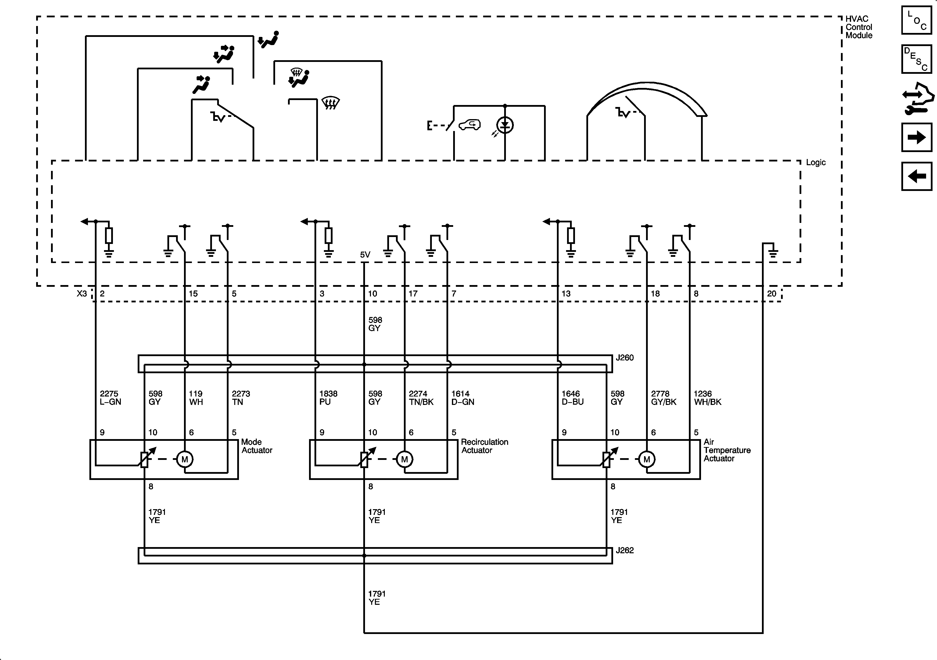
Figure
2:
Actuators
Master Electrical Component List
Air Delivery Description and Operation
Control Module References
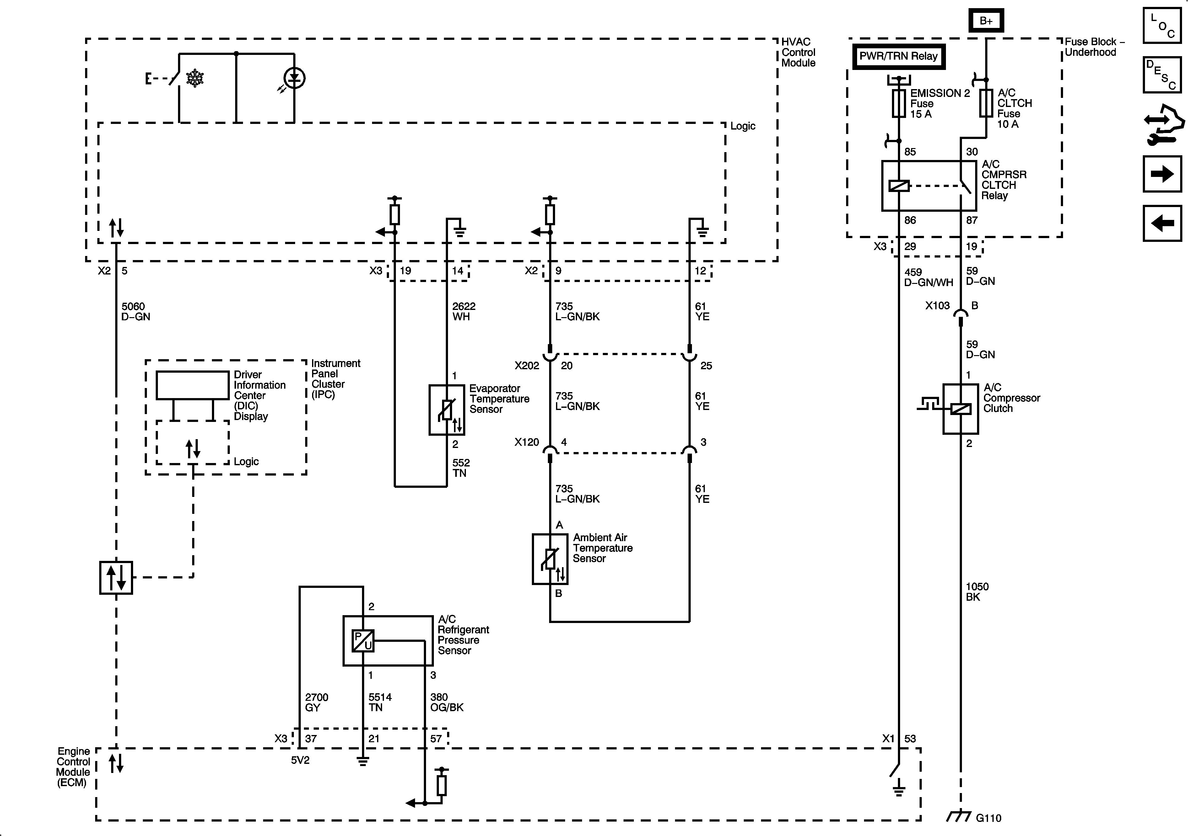
Compressor Controls
Module Power and Ground, Blower Control, and Subsystem References
Figure
3:
Compressor Controls
Master Electrical Component List
Air Temperature Description and Operation
Control Module References
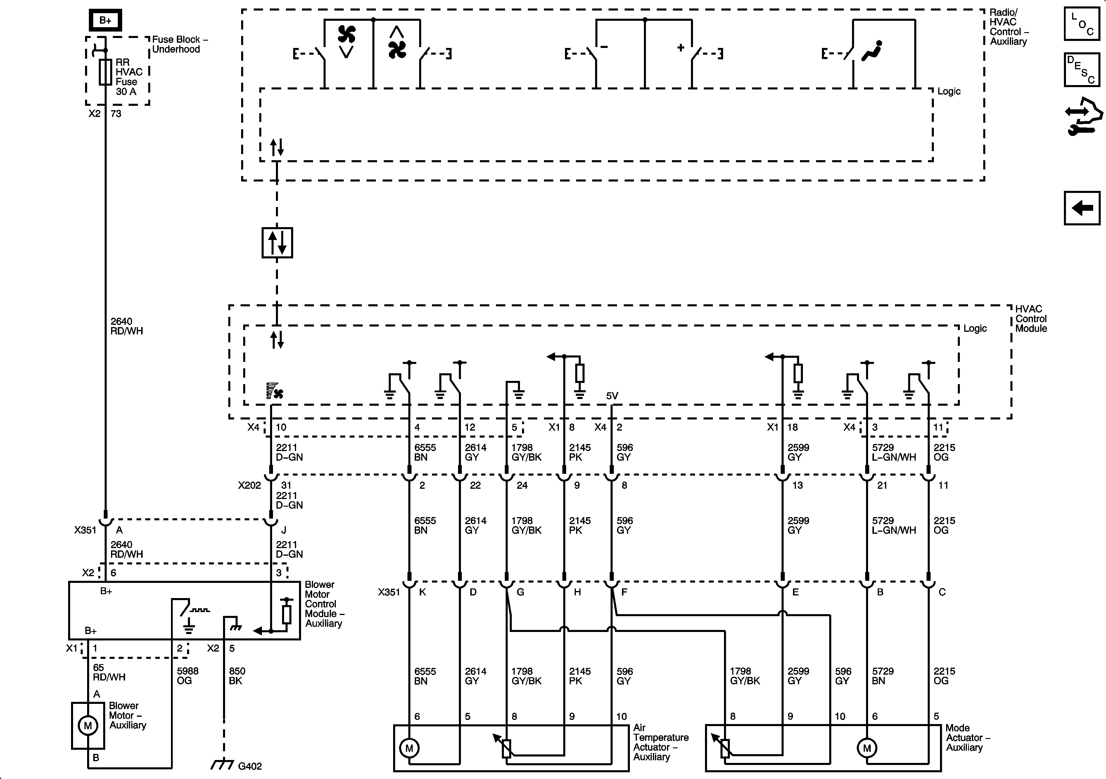
Rear HVAC without UK6
Actuators
Figure
4:
Rear HVAC without UK6
Master Electrical Component List
Air Delivery Description and Operation
Control Module References
Rear HVAC UK6
Compressor Controls
Figure
5:
Rear HVAC UK6
Master Electrical Component List
Air Delivery Description and Operation
Control Module References
Rear HVAC without UK6