GM Service Manual Online
For 1990-2009 cars only
Makes
🢒
Saturn
🢒
2008
🢒
OUTLOOK - FWD
🢒
Safety and Security
🢒
Object Detection
🢒 Object Detection Schematics
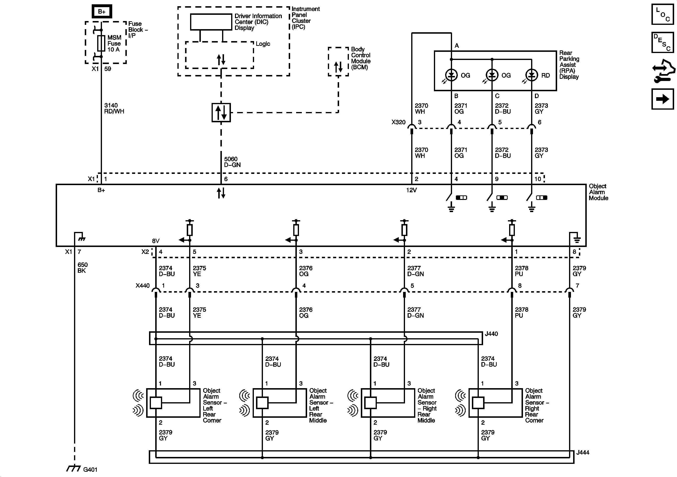
Figure
1:
Rear Park Assist - UD7
Master Electrical Component List
Object Detection Description and Operation
Control Module References
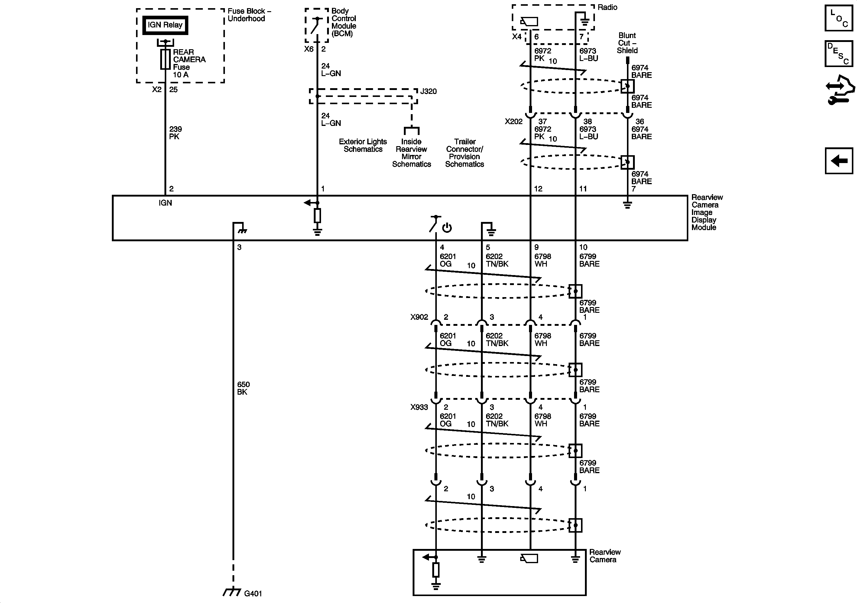
Rear Vision Camera - UVC
Figure
2:
Rear Vision Camera - UVC
Master Electrical Component List
Object Detection Description and Operation
Control Module References
Rear Park Assist - UD7