GM Service Manual Online
For 1990-2009 cars only
Makes
🢒
Saturn
🢒
2008
🢒
OUTLOOK - FWD
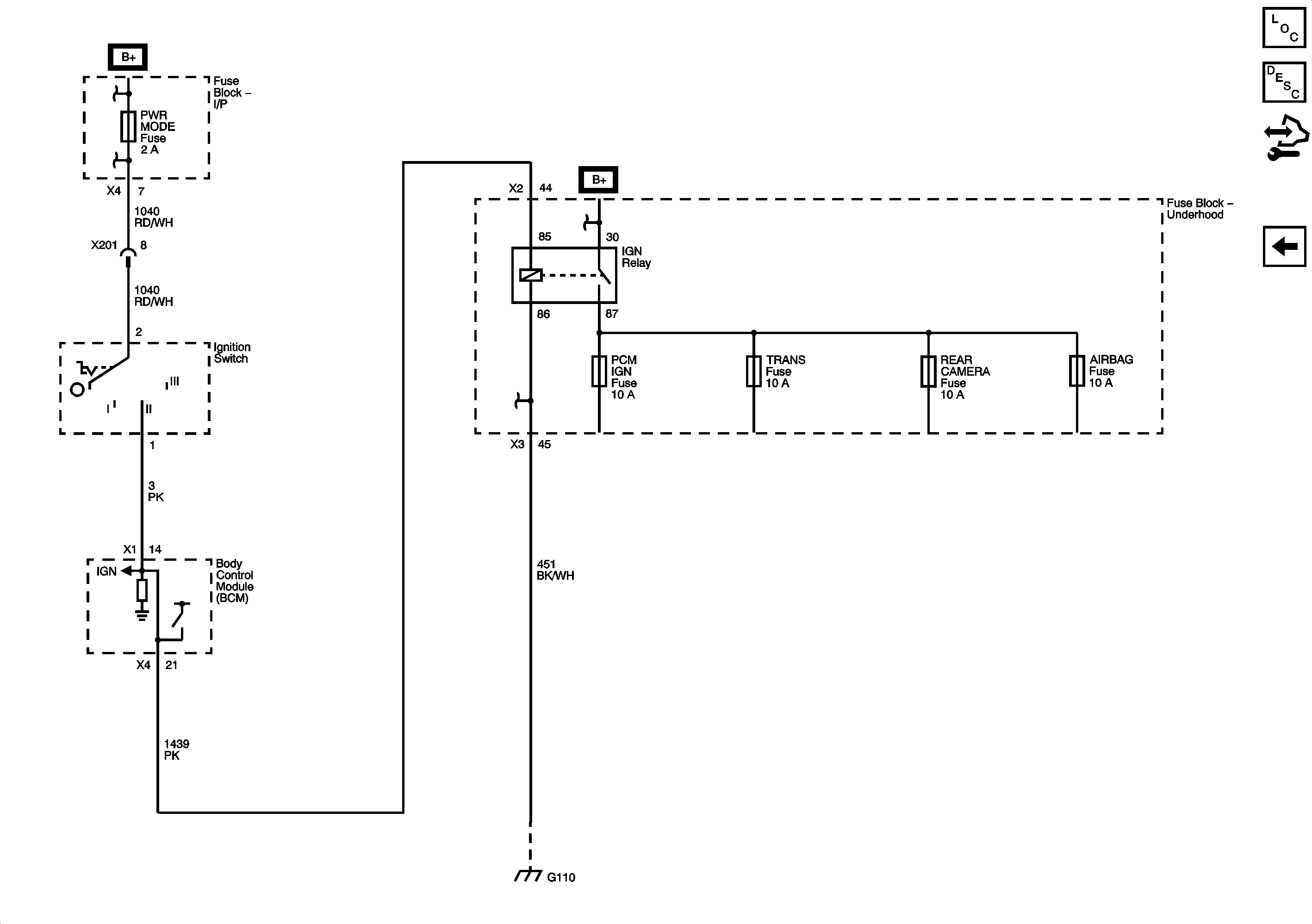
🢒 IGN II/III
IGN II/III
IGN II/III
Master Electrical Component List
Power Mode Description and Operation
Control Module References
IGN I/II