GM Service Manual Online
For 1990-2009 cars only
Makes
🢒
Saturn
🢒
2005
🢒
RELAY Ext.
🢒
Body
🢒
Wiring Systems
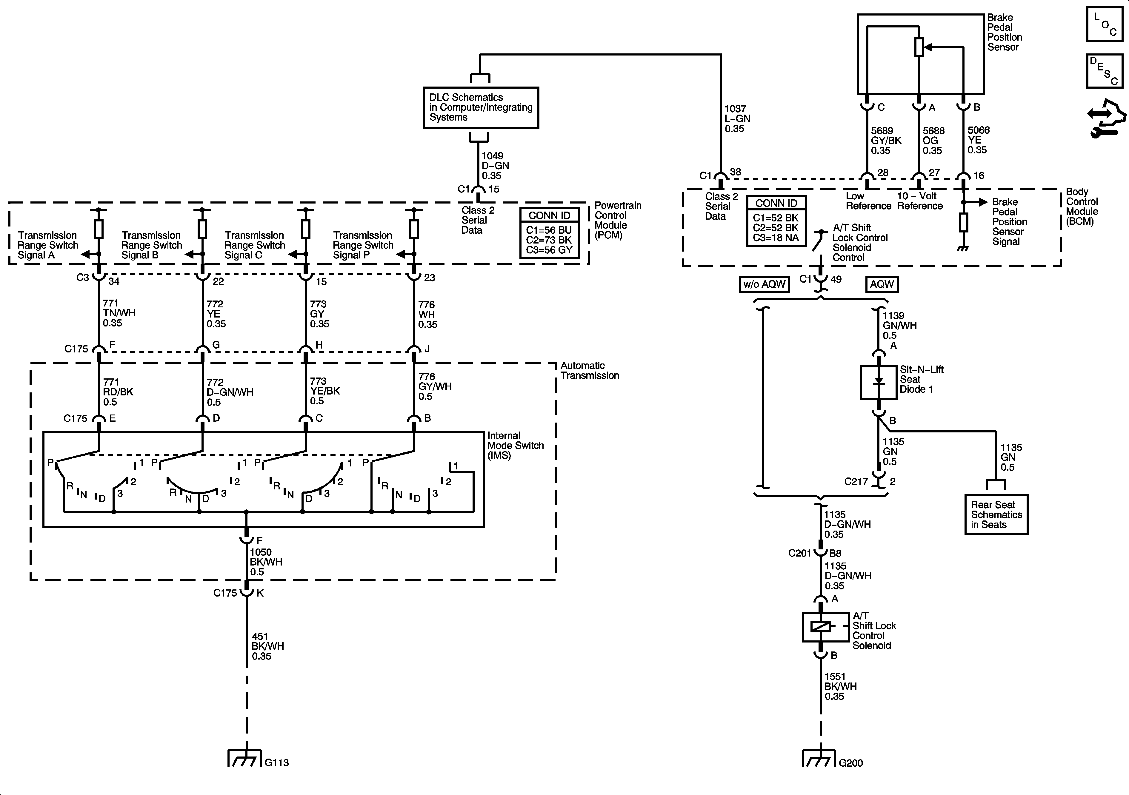
🢒 Shift Lock Control Schematics
Master Electrical Component List
Automatic Transmission Shift Lock Control Description and Operation
Control Module References
DLC Schematics
G102, G113 and G115
Sit-N-Lift Seat Power and A/T Shift Interlock
G200 2 of 2