GM Service Manual Online
For 1990-2009 cars only
Makes
🢒
Saturn
🢒
2005
🢒
RELAY Ext.
🢒 Horns Schematics
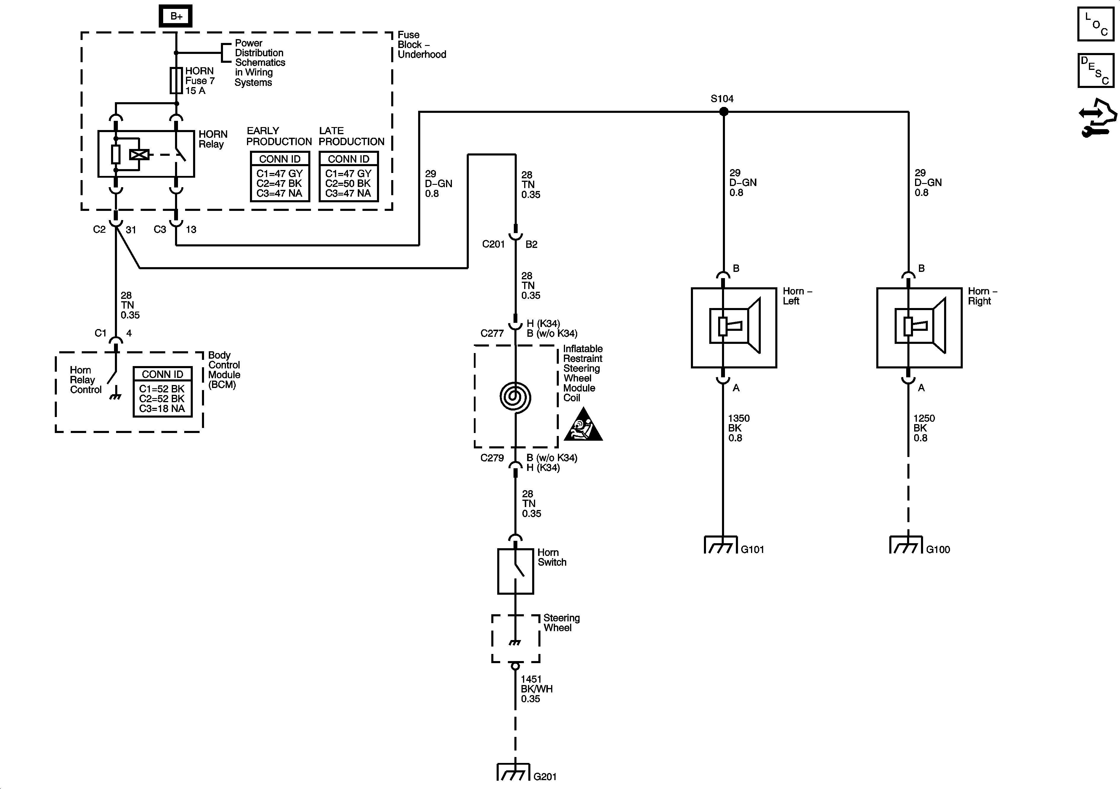
Horns Schematics
Master Electrical Component List
Horns System Description and Operation
Control Module References
B+ Bus
Horn Schematic Icons
G100 and G101
G100 and G101
G201