GM Service Manual Online
For 1990-2009 cars only
Makes
🢒
Saturn
🢒
2005
🢒
RELAY Ext.
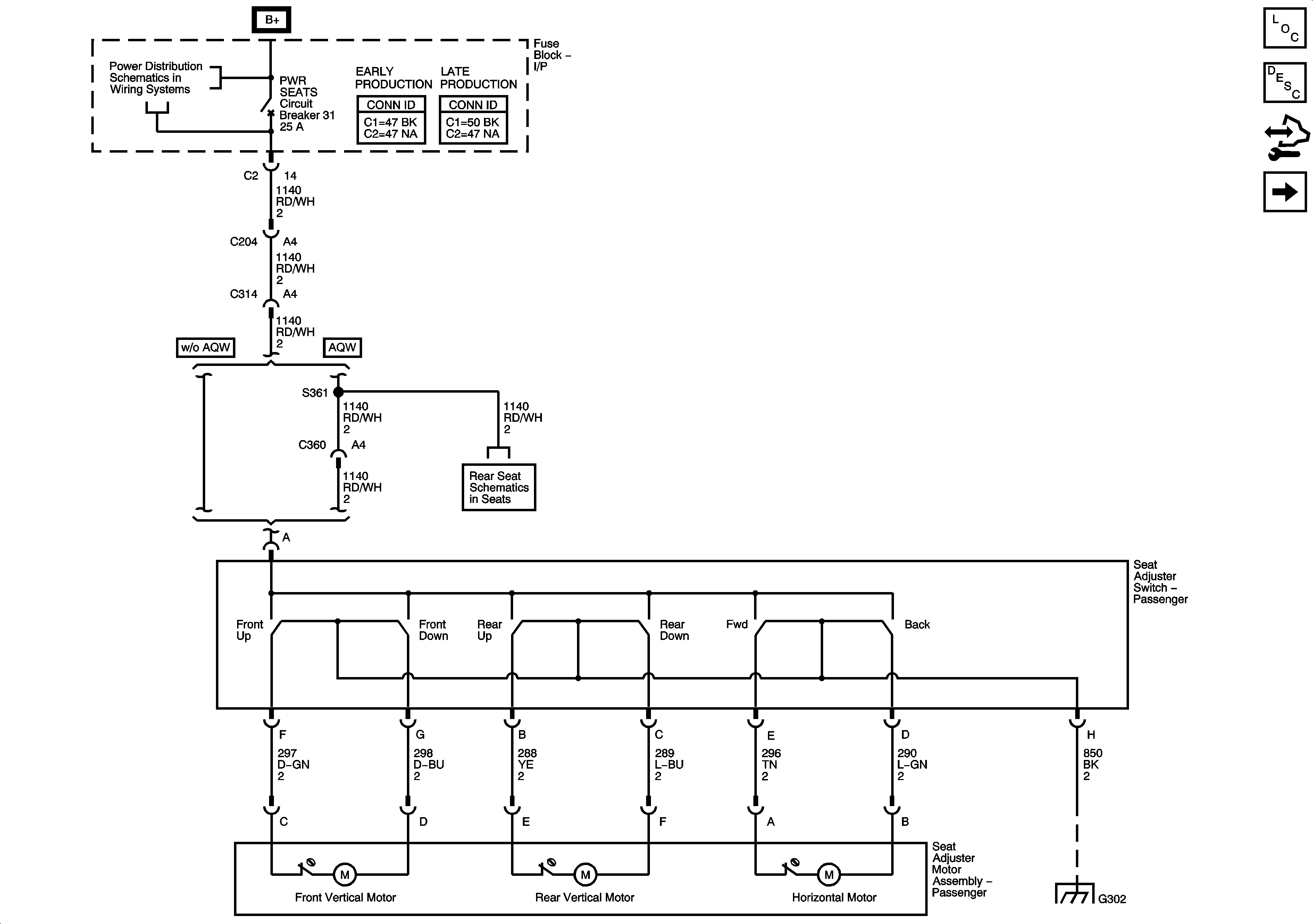
🢒 6-Way Power Seat
6-Way Power Seat
6-Way Power Seat
Master Electrical Component List
Power Seats System Description and Operation
Control Module References
BATT MAIN 2, HTD/SEATS, LH-PSD, PWR MIR, RH-PSD, and STOP/TRN Fuses, PWR SEATS Circuit Breaker
Sit-N-Lift Seat Power and A/T Shift Interlock
G302 - 1 of 2