GM Service Manual Online
For 1990-2009 cars only
Makes
🢒
Saturn
🢒
2006
🢒
RELAY Ext.
🢒
Body
🢒
Doors
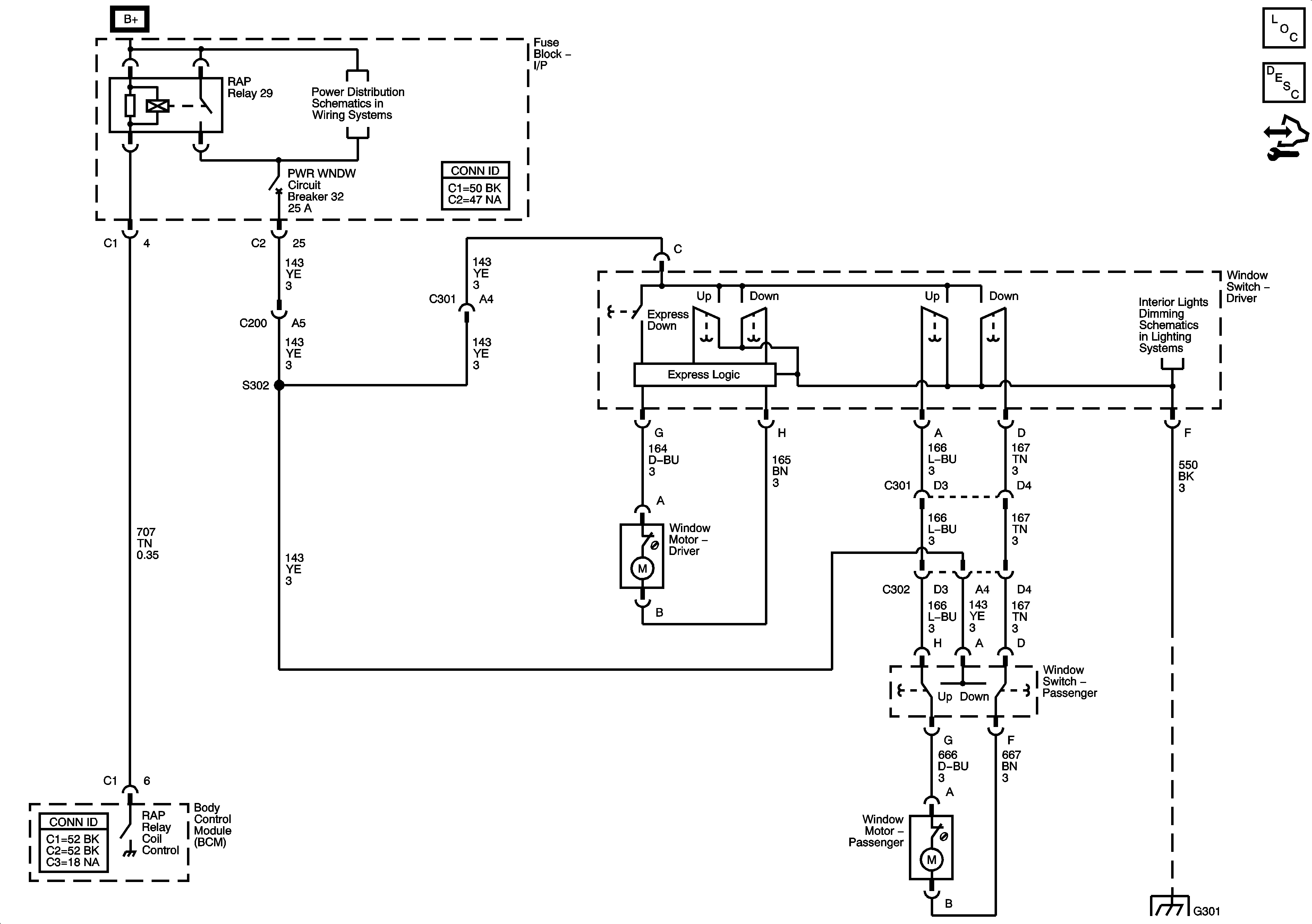
🢒 Power Window Schematics
Master Electrical Component List
Power Windows Description and Operation
Control Module References
ELC, RR WPR, and STRG WHL ILLUM Fuses, PWR WNDW Circuit Breaker
G301