GM Service Manual Online
For 1990-2009 cars only
Makes
🢒
Saturn
🢒
2006
🢒
RELAY Ext.
🢒
Accessories
🢒
Entertainment
🢒 Radio/Audio System Schematics
Figure
1:
Antennas, Ground, Power, and Subsystem References
Master Electrical Component List
Radio/Audio System Description and Operation
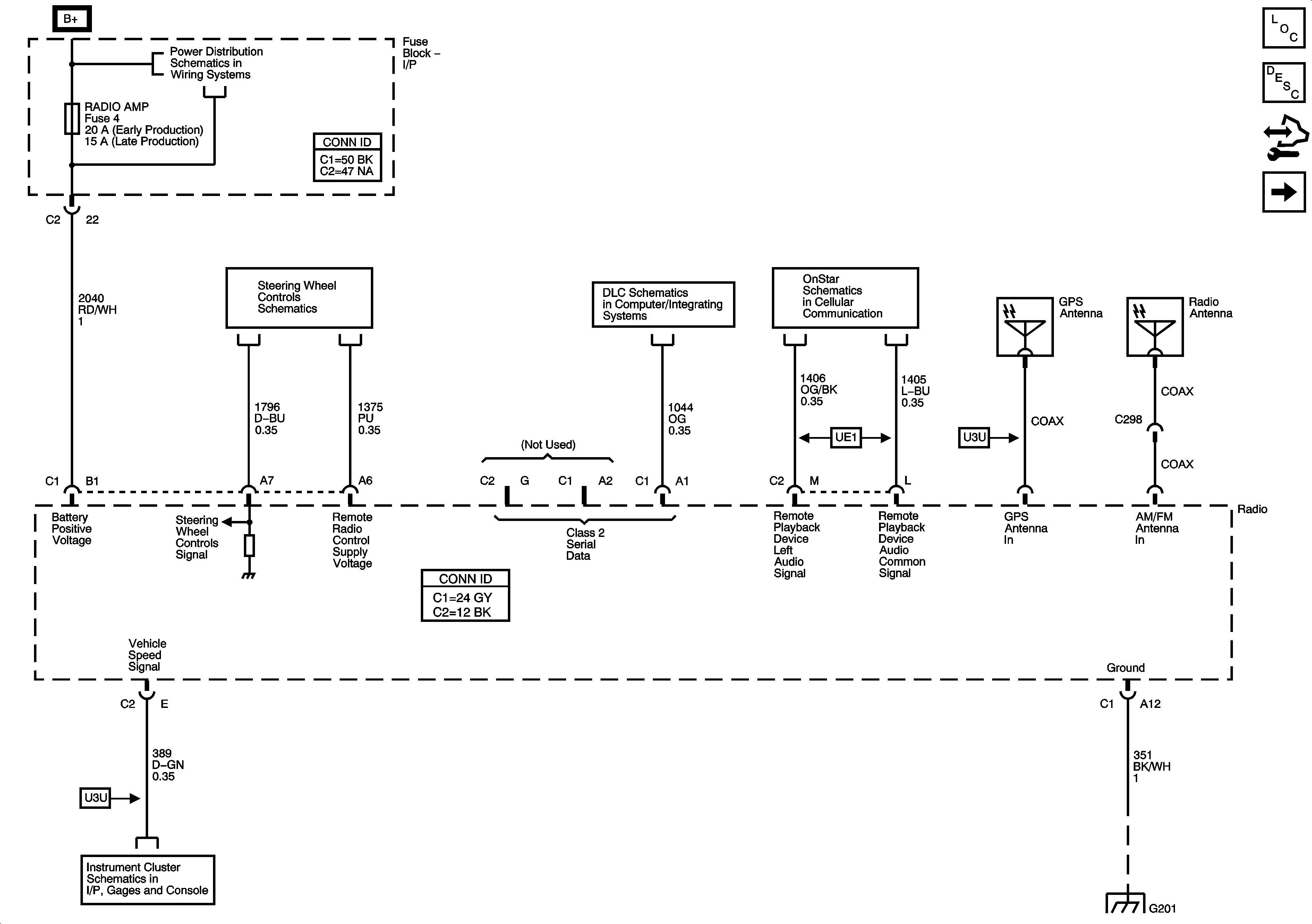
Control Module References
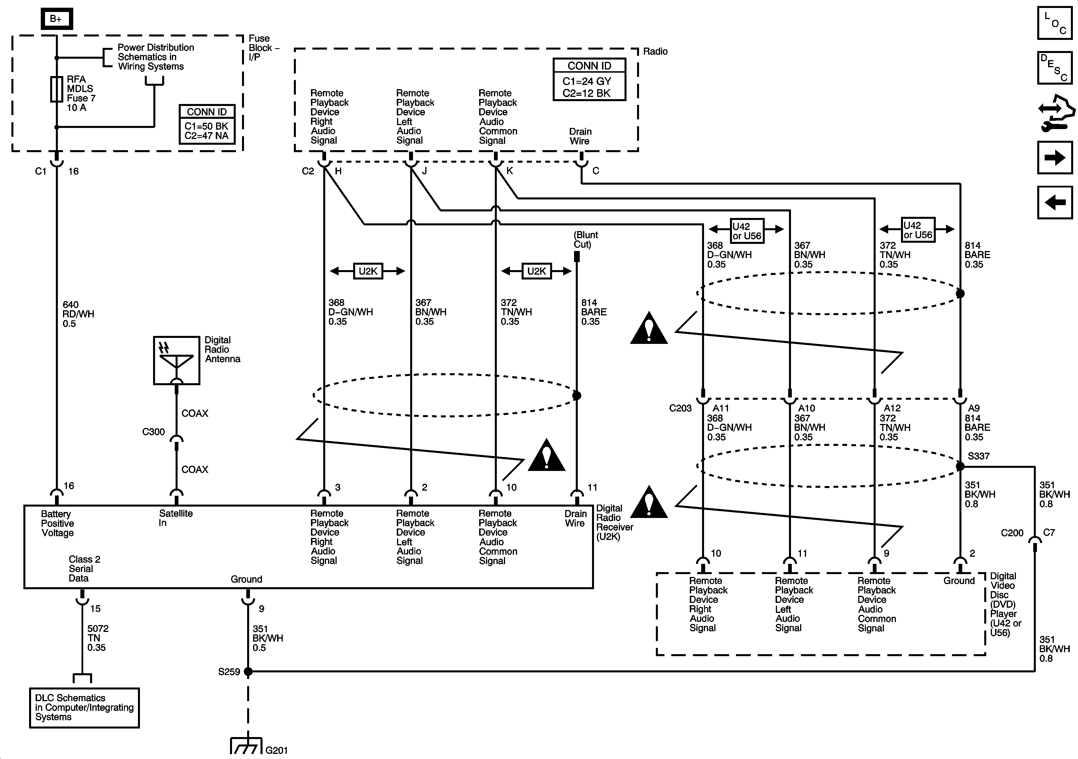
DVD and Satellite Audio Sources
CNSTR/VENT, CLSTR/HVAC, INT/LAMP, ONSTAR, and RADIO AMP Fuses
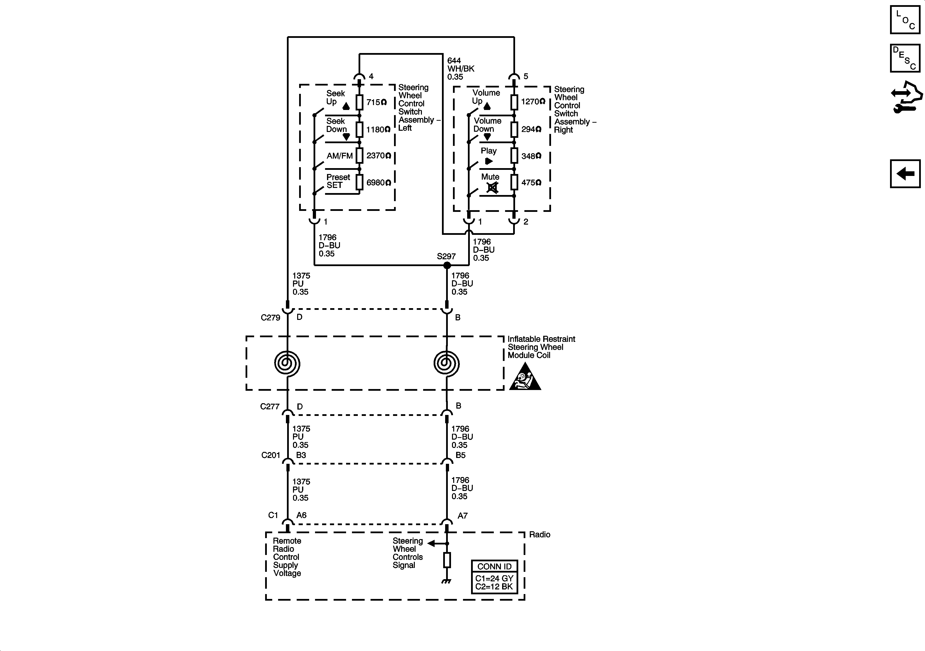
Steering Wheel
Data Link Connector (DLC) Schematics
OnStar Schematics
Gages, Ground, and Power
G201
Figure
2:
DVD and Satellite Audio Sources
Master Electrical Component List
Radio/Audio System Description and Operation
Control Module References
Front Speakers
Antennas, Ground, Power, and Subsystem References
CHMSL BCK/UP, PRK LAMP, PSD, and RFA MDLS Fuses
Entertainment Schematic Icons
Entertainment Schematic Icons
Entertainment Schematic Icons
Data Link Connector (DLC) Schematics
G201
Figure
3:
Front Speakers
Master Electrical Component List
Radio/Audio System Description and Operation
Control Module References
Rear Speakers
DVD and Satellite Audio Sources
Entertainment Schematic Icons
Entertainment Schematic Icons
Figure
4:
Rear Speakers
Master Electrical Component List
Radio/Audio System Description and Operation
Control Module References
Front Speakers
Entertainment Schematic Icons
Entertainment Schematic Icons
Entertainment Schematic Icons
Entertainment Schematic Icons
Entertainment Schematic Icons
Figure
5:
Steering Wheel Controls
Master Electrical Component List
Radio/Audio System Description and Operation
Control Module References
Entertainment Schematic Icons