GM Service Manual Online
For 1990-2009 cars only
Makes
🢒
Saturn
🢒
2006
🢒
RELAY Ext.
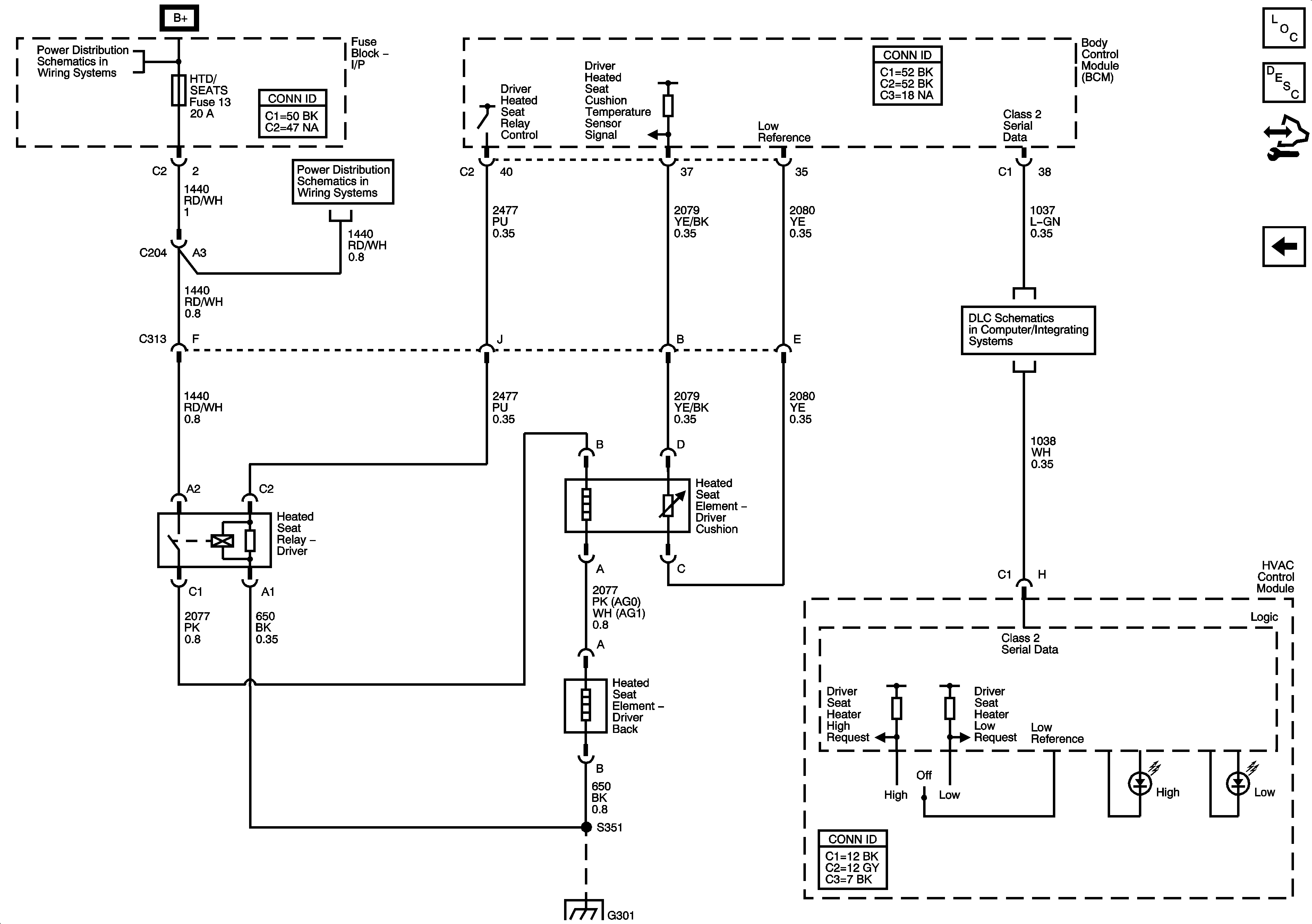
🢒 Heated Seat
Heated Seat
Heated Seat
Master Electrical Component List
Heated Seats Description and Operation
Control Module References
Memory Seat Motors and Sensors
BATT MAIN 2, HTD/SEATS, LH-PSD, PWR MIR, RH-PSD, Sit-N-Lift Seat, and STOP/TRN Fuses, PWR SEATS and Sit-N-Lift Circuit Breaker
BATT MAIN 2, HTD/SEATS, LH-PSD, PWR MIR, RH-PSD, Sit-N-Lift Seat, and STOP/TRN Fuses, PWR SEATS and Sit-N-Lift Circuit Breaker
Data Link Connector (DLC) Schematics
G301