GM Service Manual Online
For 1990-2009 cars only
Makes
🢒
Saturn
🢒
2006
🢒
RELAY Ext.
🢒 6-Way Power Seat
6-Way Power Seat
6-Way Power Seat
Master Electrical Component List
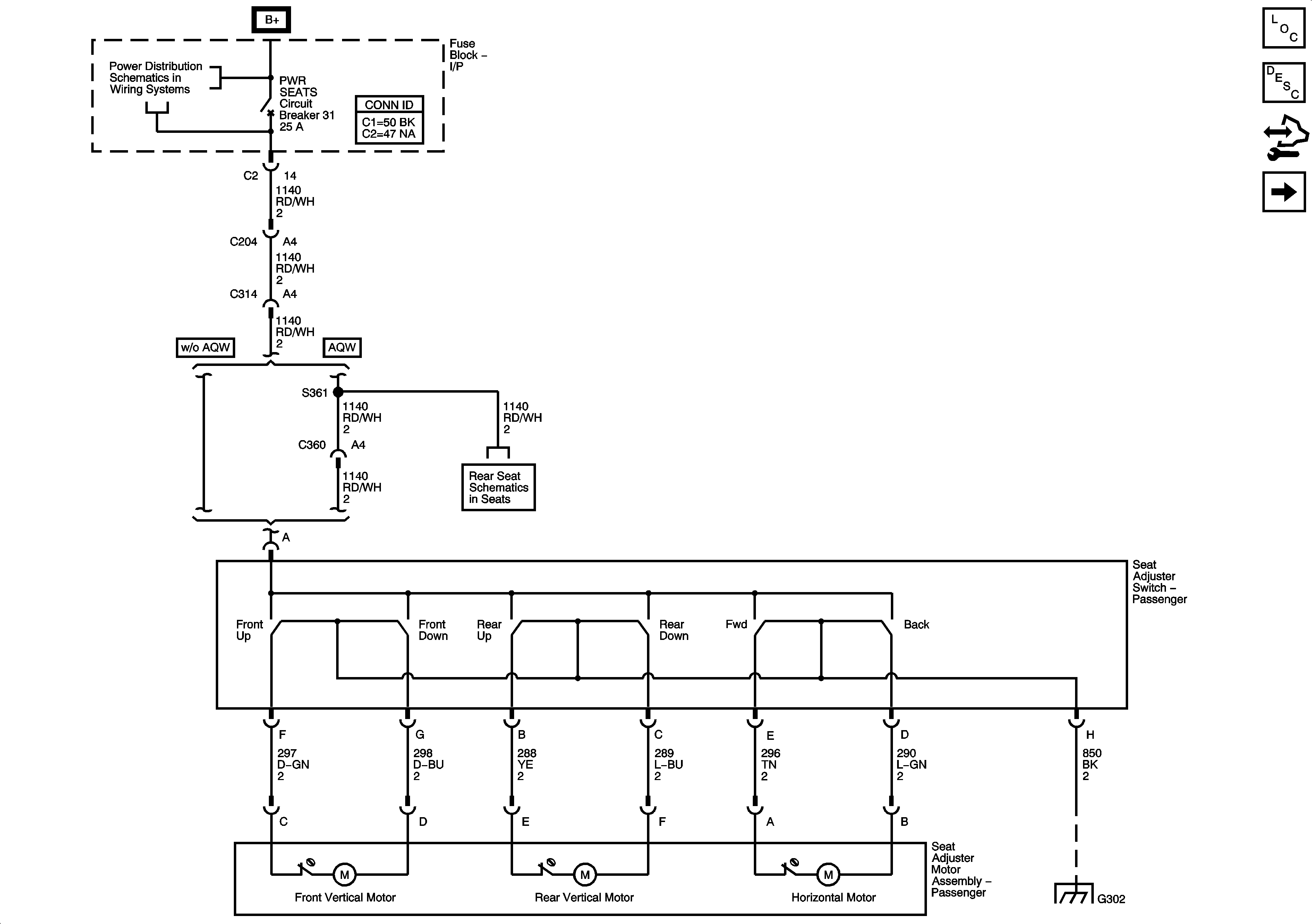
Power Seats System Description and Operation
Control Module References
BATT MAIN 2, HTD/SEATS, LH-PSD, PWR MIR, RH-PSD, Sit-N-Lift Seat, and STOP/TRN Fuses, PWR SEATS and Sit-N-Lift Circuit Breaker
Sit-N-Lift Seat Power and A/T Shift Interlock
G302 - 1 of 2