GM Service Manual Online
For 1990-2009 cars only

DTC P0712 3.5L


Object Number: 1545486  Size: MF
Master Electrical Component List
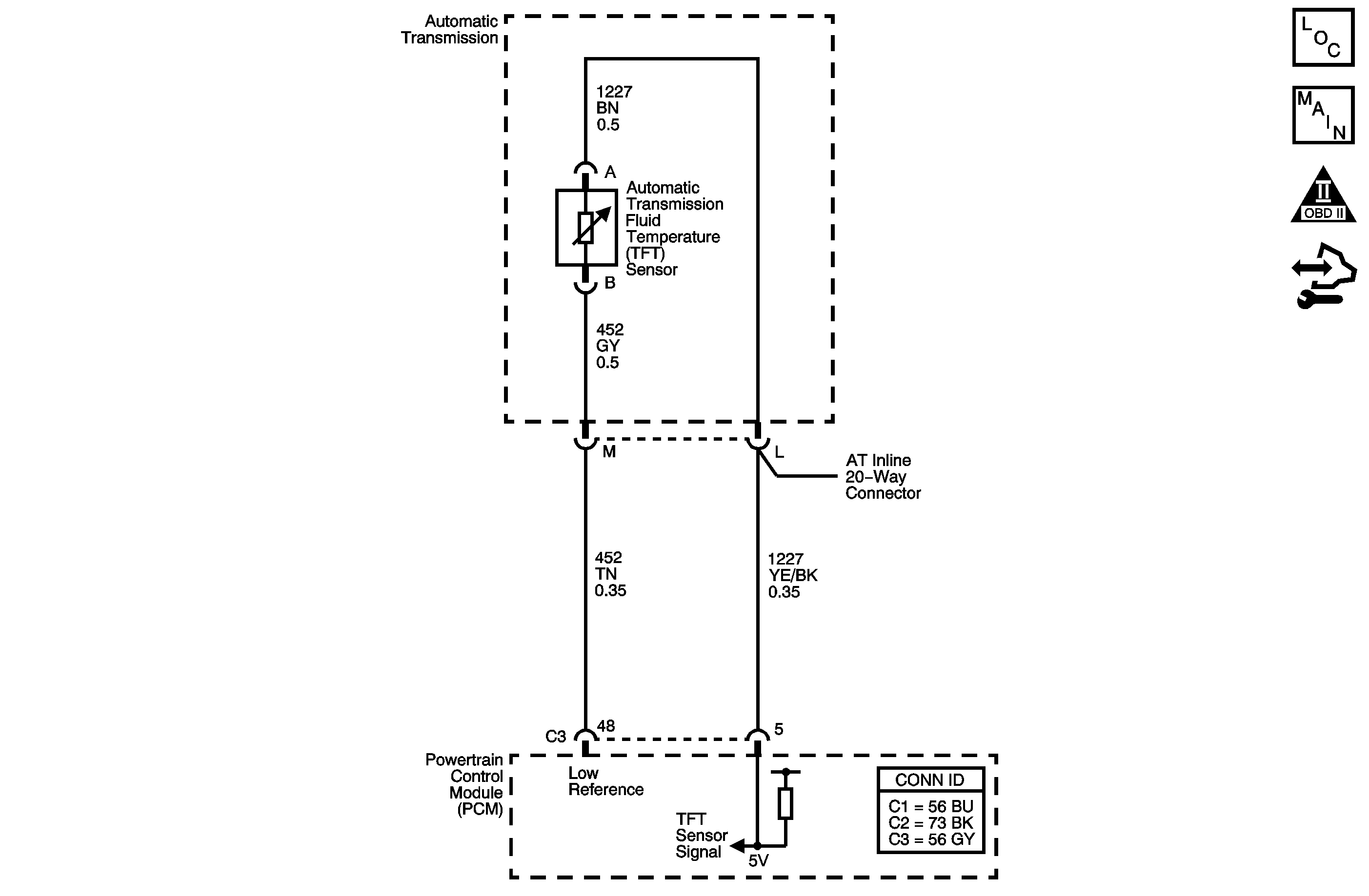
Automatic Transmission Controls Schematics (LZ9)
OBD II Symbol Description Notice
Control Module References

Circuit Description

The automatic transmission fluid temperature (TFT) sensor is a negative coefficient thermistor whose resistance value changes based on temperature. The PCM provides a 5 volt reference to the sensor circuit. A high fluid temperature or a short to ground on the signal circuit results in low signal voltage. The TFT sensor operating range is -40 to +151°C (-40 to +304°F).

If the PCM detects a continuous short to ground in the TFT sensor signal circuit, then DTC P0712 sets. DTC P0712 is a type C DTC.

DTC Descriptor

This diagnostic procedure supports the following DTC:

DTC P0712 Transmission Fluid Temperature (TFT) Sensor Circuit Low Voltage

Conditions for Running the DTC

The ignition is ON.

Conditions for Setting the DTC

The PCM detects a TFT sensor voltage of 0.2 volts or less for 10 seconds.

Action Taken When the DTC Sets

    • The PCM does not turn on the malfunction indicator lamp (MIL).
    • The PCM freezes transmission adaptive functions.
    • The PCM calculates a default TFT from the ECT sensor and the IAT sensor.
    • The PCM records the operating conditions when the Conditions for Setting the DTC are met. The PCM stores this information as Failure Records.
    • The PCM stores DTC P0712 in PCM history.

Conditions for Clearing the DTC

    • A scan tool can clear the DTC.
    • The PCM clears the DTC from PCM history if the vehicle completes 40 warm-up cycles without a non-emission related diagnostic fault occurring.
    • The PCM cancels the DTC default actions when the fault no longer exists and the DTC passes.

Test Description

The numbers below refers to the step numbers on the diagnostic table.

  1. A value below 0.2 volts indicates the fault is present. A value above 0.2 volts indicates the fault is intermittent.

  2. A value greater than 4.9 volts indicates the fault is in the transmission side.

  3. For resistance at other temperatures, refer to Transmission Fluid Temperature (TFT) Sensor Specifications.

Step

Action

Value(s)

Yes

No

1

Did you perform the Diagnostic System Check - Vehicle?

--

Go to Step 2

Go to Diagnostic System Check - Vehicle

2

  1. Install a scan tool.
  2. Turn ON the ignition with the engine OFF.
  3. Important: Before clearing the DTCs, use the scan tool in order to record the Failure Records. Using the Clear DTC Information function erases the Failure Records from the PCM.

  4. Record the Failure Records.
  5. Clear the DTCs.
  6. With the scan tool, observe the TFT Sensor parameter.

Does the scan tool indicate that the TFT sensor voltage is less than specified?

0.2 V

Go to Step 3

Go to Testing for Intermittent Conditions and Poor Connections

3

  1. Turn OFF the ignition.
  2. Disconnect the transmission 20-way connector. Additional DTCs will set.
  3. Turn ON the ignition with the engine OFF.
  4. Observe the TFT Sensor parameter.

Does the scan tool indicate that the TFT sensor voltage is greater than specified?

4.9 V

Go to Step 5

Go to Step 4

4

Test the signal circuit of the TFT sensor for a short to ground between the PCM and the AT inline 20-way connector. Refer to Testing for Short to Ground and Wiring Repairs .

Did you find and correct the condition?

--

Go to Step 11

Go to Step 10

5

  1. Connect the J 44152 jumper harness to the transmission side of the 20-way connector.
  2. Using the J-35616 Terminal test kit, connect the DMM between the TFT sensor signal and the low reference circuits of the J 44152 .
  3. Refer to Automatic Transmission Inline 20-Way Connector End View .

  4. Measure the resistance.

Does the resistance measure within the range specified for the given transmission temperatures?

3,164-3,867 ohms @ 20°C (68°F)

225-285 ohms @ 88°C (190°F)

Go to Step 6

Go to Step 7

6

Test the signal circuit of the TFT sensor for a short to ground between the AT inline 20-way connector and the TFT sensor. Refer to Testing for Short to Ground .

Did you find the condition?

--

Go to Step 9

Go to Testing for Intermittent Conditions and Poor Connections

7

  1. Disconnect the TFT sensor from the transmission internal wiring harness.
  2. Test the signal circuit and the low reference circuit for a short together between the AT 20-way inline connector and the TFT sensor. Refer to Testing for Continuity .

Did you find the condition?

--

Go to Step 9

Go to Step 8

8

Replace the TFT sensor.

Refer to Fluid Temperature Sensor Replacement .

Did you complete the replacement?

--

Go to Step 11

--

9

Replace the automatic transmission wiring harness.

Refer to Wiring Harness Replacement .

Did you complete the replacement?

--

Go to Step 11

--

10

Replace the PCM. Refer to Control Module References .

Did you complete the replacement?

--

Go to Step 11

--

11

Perform the following procedure In order to verify the repair:

  1. Select DTC.
  2. Select Clear DTC Information.
  3. Operate the vehicle under the following conditions:
  4. • Turn ON the ignition with the engine OFF.
    • Verify that the TFT sensor voltage is greater than 0.2 volts for 10 seconds.
  5. Select specific DTC.
  6. Enter DTC P0712.

Has the test run and passed?

--

Go to Step 12

Go to Step 2

12

With a scan tool, observe the stored information, capture info and DTC info.

Does the scan tool display any DTCs that you have not diagnosed?

--

Go to Diagnostic Trouble Code (DTC) List - Vehicle

System OK

DTC P0712 3.9L


Object Number: 1441837  Size: MF
Master Electrical Component List
Automatic Transmission Controls Schematics (LZ9)
OBD II Symbol Description Notice
Control Module References

Circuit Description

The automatic transmission fluid temperature (TFT) sensor is a negative coefficient thermistor whose resistance value changes based on temperature. The TCM provides a 5 volt reference to the sensor circuit. A high fluid temperature or a short to ground on the signal circuit results in low signal voltage. The TFT sensor operating range is -40 to +151°C (-40 to +304°F).

If the TCM detects a continuous short to ground in the TFT sensor signal circuit, then DTC P0712 sets. DTC P0712 is a type C DTC.

DTC Descriptor

This diagnostic procedure supports the following DTC:

DTC P0712 Transmission Fluid Temperature (TFT) Sensor Circuit Low Voltage

Conditions for Running the DTC

The engine is running for 5 seconds.

Conditions for Setting the DTC

The transmission fluid temperature is greater than 150°C (302°F) for 12 seconds.

Action Taken When the DTC Sets

    • The TCM does not request the ECM to illuminate the malfunction indicator lamp (MIL).
    • The TCM freezes transmission adaptive functions.
    • The TCM calculates a default TFT from the ECT sensor, engine run time and the IAT sensor.
    • The TCM records the operating conditions when the Conditions for Setting the DTC are met. The TCM stores this information as Failure Records.
    • The TCM stores DTC P0712 in TCM history.

Conditions for Clearing the DTC

    • A scan tool can clear the DTC.
    • The TCM clears the DTC from TCM history if the vehicle completes 40 warm-up cycles without a non-emission related diagnostic fault occurring.
    • The TCM cancels the DTC default actions when the fault no longer exists and the DTC passes.

Test Description

The numbers below refers to the step numbers on the diagnostic table.

  1. A value above 149°C (300°F) indicates the fault is present. A value below 150°C (302°F) indicates the fault is intermittent.

  2. A value less than above 150°C (302°F) indicates the fault is in the transmission side.

  3. For resistance at other temperatures, refer to Transmission Fluid Temperature (TFT) Sensor Specifications.

Step

Action

Value(s)

Yes

No

1

Did you perform the Diagnostic System Check - Vehicle?

--

Go to Step 2

Go to Diagnostic System Check - Vehicle

2

  1. Install a scan tool.
  2. Turn ON the ignition with the engine OFF.
  3. Important: Before clearing the DTCs, use the scan tool in order to record the Failure Records. Using the Clear Info function erases the Failure Records from the TCM.

  4. Record the Failure Records.
  5. Clear the DTCs.
  6. With the scan tool, observe the TFT Sensor parameter.

Does the scan tool indicate that the TFT sensor is more than the specified value?

150°C (302°F)

Go to Step 3

Go to Testing for Intermittent Conditions and Poor Connections

3

  1. Turn OFF the ignition.
  2. Disconnect the transmission 20-way connector. Additional DTCs will set.
  3. Turn ON the ignition with the engine OFF.
  4. Observe the TFT Sensor parameter.

Does the scan tool indicate that the TFT sensor is less than the specified value?

150°C (302°F)

Go to Step 5

Go to Step 4

4

Test the signal circuit of the TFT sensor for a short to ground between the TCM and the AT inline 20-way connector.

Refer to Testing for Short to Ground and Wiring Repairs .

Did you find and correct the condition?

--

Go to Step 11

Go to Step 10

5

  1. Connect the J 44152 jumper harness to the transmission side of the 20-way connector.
  2. Using the J 35616 GM terminal test kit, connect the DMM to the TFT sensor circuit of the J 44152 .
  3. Refer to Automatic Transmission Inline 20-Way Connector End View .

  4. Measure the resistance.

Does the resistance measure within the range specified for the given transmission temperatures?

3,164-3,867 ohms @ 20°C (68°F)

225-285 ohms @ 88°C (190°F)

Go to Step 6

Go to Step 7

6

Test the signal circuit of the TFT sensor for a short to ground between the AT inline 20-way connector and the TFT sensor.

Refer to Testing for Short to Ground .

Did you find the condition?

--

Go to Step 9

Go to Testing for Intermittent Conditions and Poor Connections

7

  1. Disconnect the TFT sensor from the transmission internal wiring harness.
  2. Test the signal circuit and the low reference circuit for a short together between the A/T inline 20-way connector and the TFT sensor.

Refer to Testing for Continuity .

Did you find the condition?

--

Go to Step 9

Go to Step 8

8

Replace the TFT sensor.

Refer to Fluid Temperature Sensor Replacement .

Did you complete the replacement?

--

Go to Step 11

--

9

Replace the automatic transmission wiring harness.

Refer to Wiring Harness Replacement .

Did you complete the replacement?

--

Go to Step 11

--

10

Replace the TCM.

Refer to Control Module References .

Did you complete the replacement?

--

Go to Step 11

--

11

Perform the following procedure In order to verify the repair:

  1. Select DTC.
  2. Select Clear Info.
  3. Operate the vehicle under the following conditions:
  4. • Turn ON the ignition with the engine OFF.
    • Verify that the TFT sensor is 149°C (300°F) or less for 10 seconds.
  5. Select specific DTC.
  6. Enter DTC P0712.

Has the test run and passed?

--

Go to Step 12

Go to Step 2

12

With a scan tool, observe the stored information, capture info and DTC info.

Does the scan tool display any DTCs that you have not diagnosed?

--

Go to Diagnostic Trouble Code (DTC) List - Vehicle

System OK