GM Service Manual Online
For 1990-2009 cars only

Removal Procedure

  1. Open and support the hood.

  2. Object Number: 1480118  Size: SH
  3. Remove the driver side wiper arm (2). Refer to Windshield Wiper Arm Replacement .

  4. Object Number: 1480119  Size: SH
  5. Remove the passenger side wiper arm (3). Refer to Windshield Wiper Arm Replacement .
  6. Remove the air inlet grille panel. Refer to Air Inlet Grille Panel Replacement .
  7. Lower the washer container into the engine compartment. Refer to Windshield Washer Solvent Container Replacement .

  8. Object Number: 1501847  Size: SH
  9. Disconnect the electrical connector (2) from the wiper motor (1).

  10. Object Number: 1480117  Size: SH
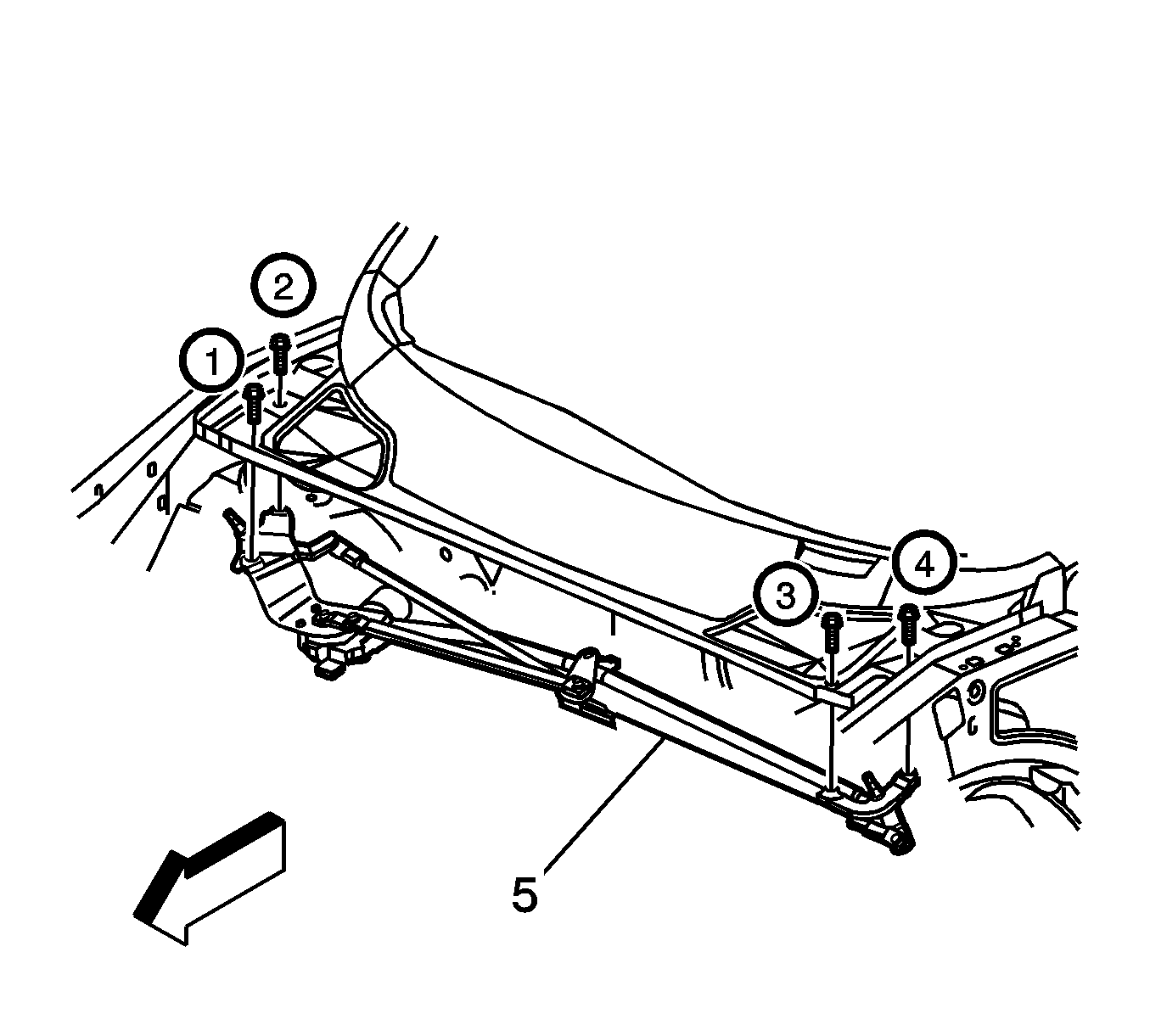
  11. Remove the 4 bolts, as shown, from the wiper module (5).

  12. Object Number: 1527641  Size: SH
  13. Carefully guide the passenger side module out first from the opening in the front plenum.
  14. Pull the module from the drive side fender flange opening.
  15. Remove the module from the vehicle.

Installation Procedure


    Object Number: 1480117  Size: SH
  1. Position the wiper module (5) to the lower plenum in the driver side fender flange opening first.

  2. Object Number: 1527641  Size: SH
  3. Rotate the module (5) into the opening at the passenger side plenum.
  4. Ensure the rear center mount is secure into the sheet metal flange at the rear of the module.
  5. Notice: Refer to Fastener Notice in the Preface section.

  6. Install the wiper module bolts.
  7. Tighten
    Tighten the bolts in sequence, as shown, to 10 N·m (89 lb in).


    Object Number: 1501847  Size: SH
  8. Connect the electrical connector (2) to the motor (1).
  9. Install the air inlet grille panel. Refer to Air Inlet Grille Panel Replacement .

  10. Object Number: 1480118  Size: SH
  11. Install the driver side wiper arm (2). Refer to Windshield Wiper Arm Replacement .

  12. Object Number: 1480119  Size: SH
  13. Install the passenger side wiper arm (3). Refer to Windshield Wiper Arm Replacement .
  14. Secure the washer container. Refer to Windshield Washer Solvent Container Replacement .
  15. Close the hood.
  16. Inspect the wiper system for proper operation.