GM Service Manual Online
For 1990-2009 cars only

Removal Procedure


    Object Number: 1548551  Size: SH
  1. Remove the left lower quarter trim panel.
  2. Remove the power sliding door (PSD) module are reposition.
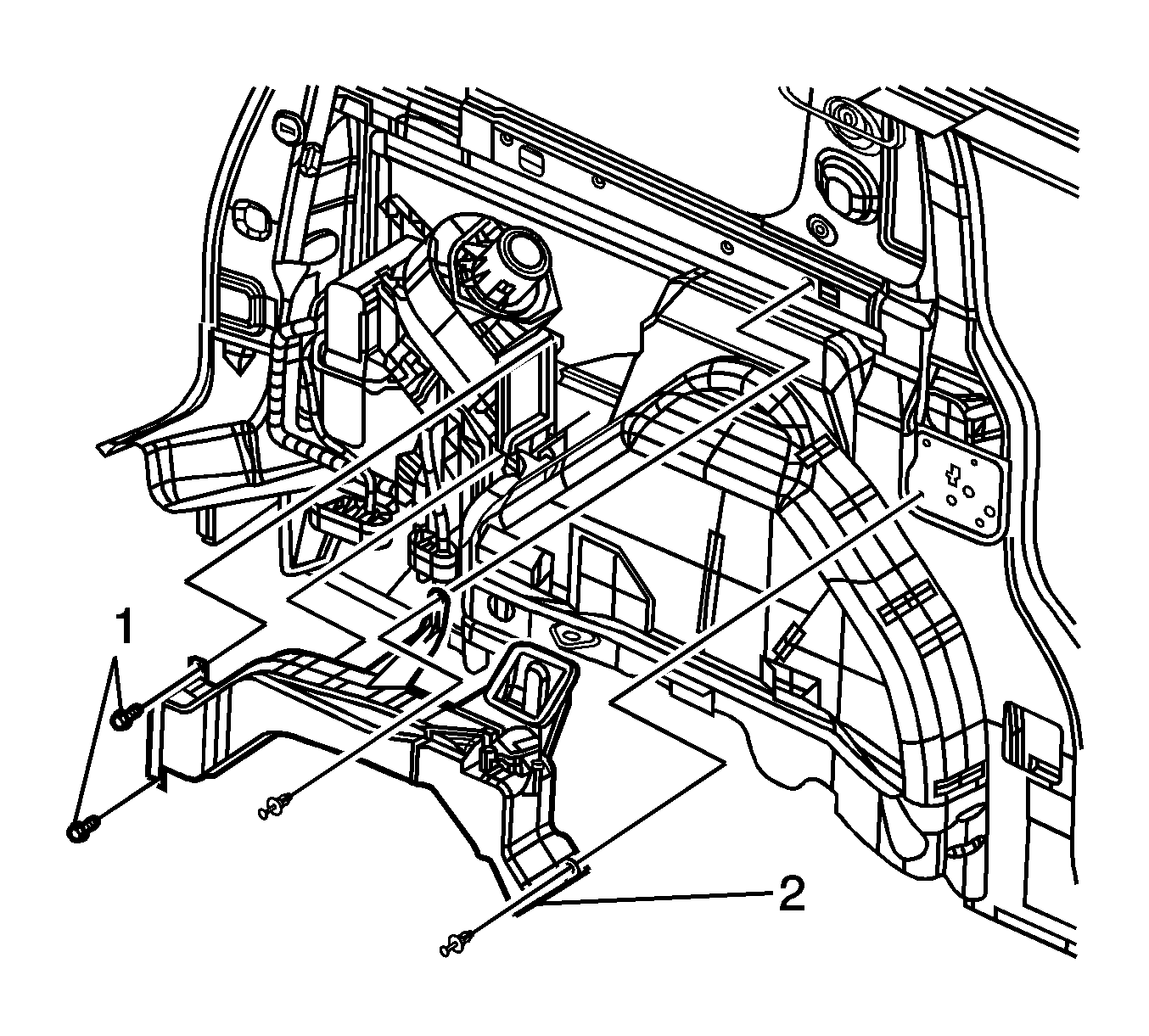
  3. Remove the auxiliary A/C outlet pillar duct bolts (1).
  4. Remove the auxiliary A/C outlet pillar duct (2).

  5. Object Number: 1548553  Size: SH
  6. Disconnect the auxiliary blower motor electrical connector.
  7. Remove the auxiliary A/C air distribution duct bolts (1).
  8. Remove the auxiliary A/C air distribution duct (2).

  9. Object Number: 691600  Size: SH
  10. Remove the auxiliary blower motor mounting screws.
  11. Remove the auxiliary blower motor from the blower motor housing.

Installation Procedure

    Notice: Refer to Fastener Notice in the Preface section.


    Object Number: 691600  Size: SH
  1. Install the auxiliary blower motor mounting screws.
  2. Tighten
    Tighten the screws to 1.6 N·m (14 lb in).


    Object Number: 1548553  Size: SH
  3. Install the auxiliary A/C air distribution duct (2).
  4. Install the auxiliary A/C air distribution duct bolts (1).
  5. Tighten
    Tighten the bolts to 10 N·m (89 lb in).

  6. Connect the auxiliary blower motor electrical connector.

  7. Object Number: 1548551  Size: SH
  8. Install the auxiliary A/C outlet pillar duct (2).
  9. Install the auxiliary A/C outlet pillar duct bolts (1).
  10. Tighten
    Tighten the bolts to 10 N·m (89 lb in).

  11. Install the PSD module are reposition.
  12. Install the left lower quarter trim panel.