GM Service Manual Online
For 1990-2009 cars only

Removal Procedure

  1. Remove the auxiliary HVAC module. Refer to Auxiliary HVAC Module Replacement .

  2. Object Number: 882447  Size: SH
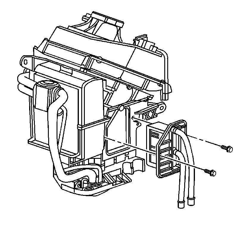
  3. Remove the auxiliary heater pipe clamp screw.

  4. Object Number: 882445  Size: SH
  5. Remove the auxiliary heater core mounting screws.
  6. Remove the auxiliary heater core from the HVAC module assembly.

  7. Object Number: 883985  Size: SH
  8. Remove the pipe seal from the auxiliary heater core.
  9. Remove the heater core mounting bracket from the auxiliary heater core.

Installation Procedure

  1. Install new seals onto the auxiliary heater core.

  2. Object Number: 883985  Size: SH
  3. Install the heater core mounting bracket to the auxiliary heater core.
  4. Install a new pipe seal onto the auxiliary heater core.

  5. Object Number: 882445  Size: SH
  6. Install the auxiliary heater core into the HVAC module assembly.
  7. Notice: Use the correct fastener in the correct location. Replacement fasteners must be the correct part number for that application. Fasteners requiring replacement or fasteners requiring the use of thread locking compound or sealant are identified in the service procedure. Do not use paints, lubricants, or corrosion inhibitors on fasteners or fastener joint surfaces unless specified. These coatings affect fastener torque and joint clamping force and may damage the fastener. Use the correct tightening sequence and specifications when installing fasteners in order to avoid damage to parts and systems.

  8. Install the auxiliary heater core mounting screws.
  9. Tighten
    Tighten the screws to 1.6 N·m (14 lb in).


    Object Number: 882447  Size: SH
  10. Install the auxiliary heater pipe clamp screw.
  11. Tighten
    Tighten the screw to 1.6 N·m (14 lb in).

  12. Install the auxiliary HVAC module. Refer to Auxiliary HVAC Module Replacement .