GM Service Manual Online
For 1990-2009 cars only
Makes
🢒
Saturn
🢒
2007
🢒
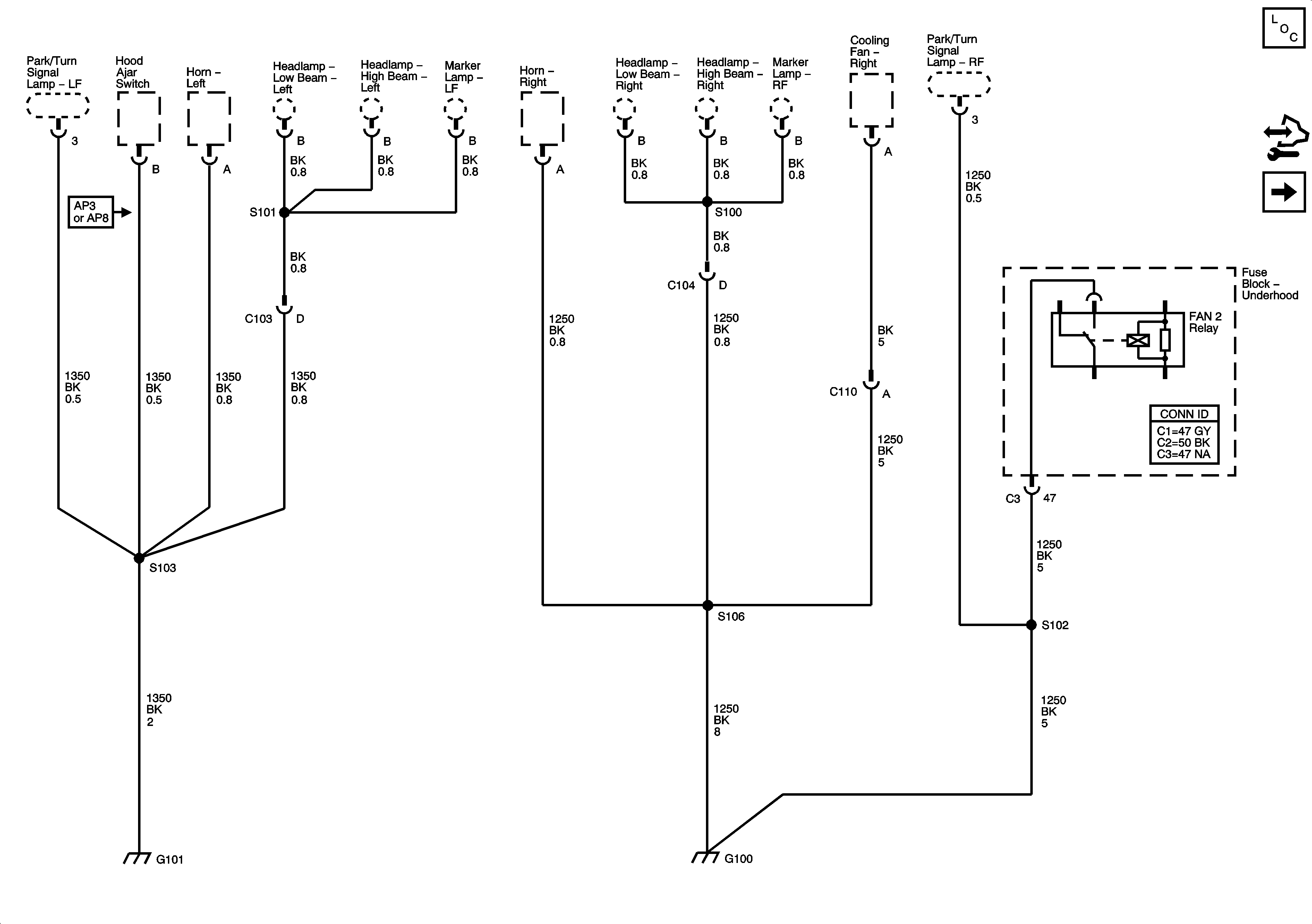
RELAY Ext.
🢒 G100 and G101
G100 and G101
G100 and G101
Master Electrical Component List
Control Module References
G102, G113 and G115