GM Service Manual Online
For 1990-2009 cars only
Makes
🢒
Saturn
🢒
2007
🢒
RELAY Ext.
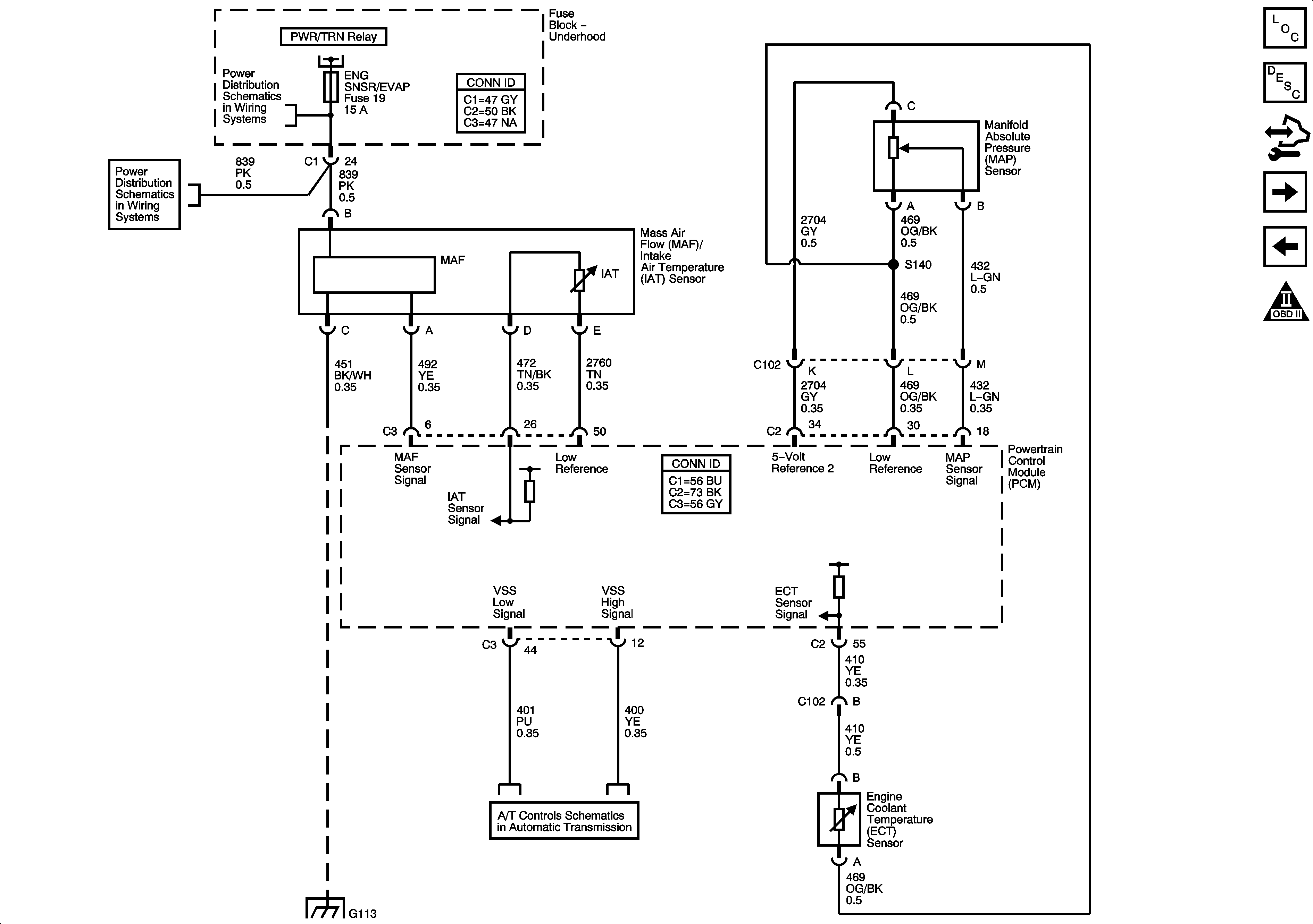
🢒 Engine Data Sensors - MAF, Pressure, Temperature, and VSS
Engine Data Sensors - MAF, Pressure, Temperature, and VSS
Engine Data Sensors - MAF, Pressure, Temperature, and VSS
Master Electrical Component List
Control Module References
Engine Data Sensors - Oxygen Sensors
Engine Data Sensors - 5-Volt and Low Reference
Engine Controls Schematic Icons
ELEC IGN, EMIS/AWD, ENG SNSR/EVAP, ETC, FRT BLWR HI, and FUEL INJ Fuses
Module Power, Ground, Serial Data, and MIL
Module Power, Ground, Serial Data, and MIL
G102, G113 and G115
ISS, Pressure Control, and VSS