GM Service Manual Online
For 1990-2009 cars only
Makes
🢒
Saturn
🢒
2007
🢒
RELAY Ext.
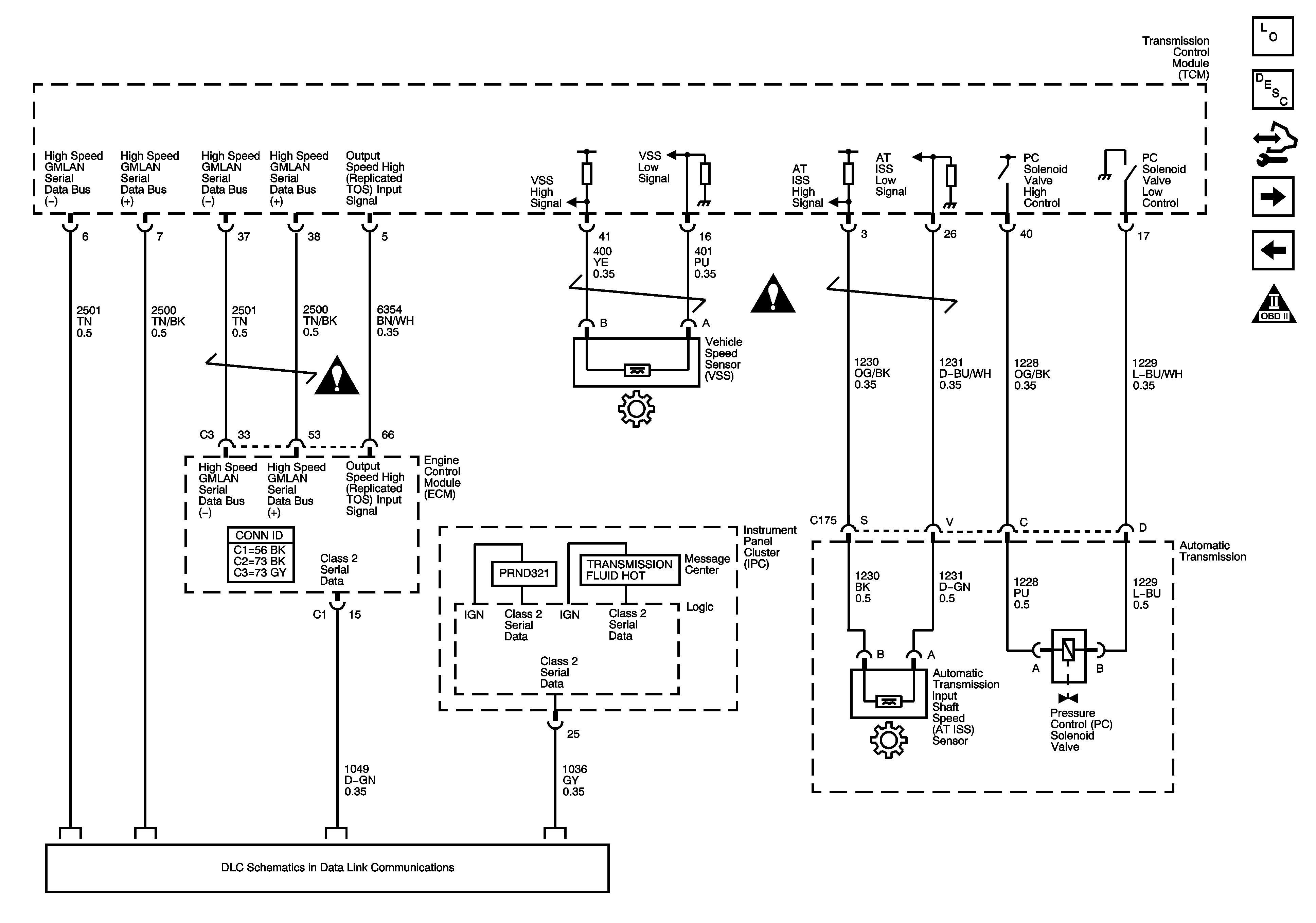
🢒 Indicators, ISS, Pressure Control, Serial Data, and VSS
Indicators, ISS, Pressure Control, Serial Data, and VSS
Indicators, ISS, Pressure Control, Serial Data, and VSS
Master Electrical Component List
Electronic Component Description
Control Module References
Internal Mode Switch
Ground, Power, Shift Solenoids, Stop Lamp Switch, TCC, and TFT
Automatic Transmission Schematic Icons
Automatic Transmission Schematic Icons
Automatic Transmission Schematic Icons
Data Link Connector (DLC) Schematics