GM Service Manual Online
For 1990-2009 cars only
Makes
🢒
Saturn
🢒
2007
🢒
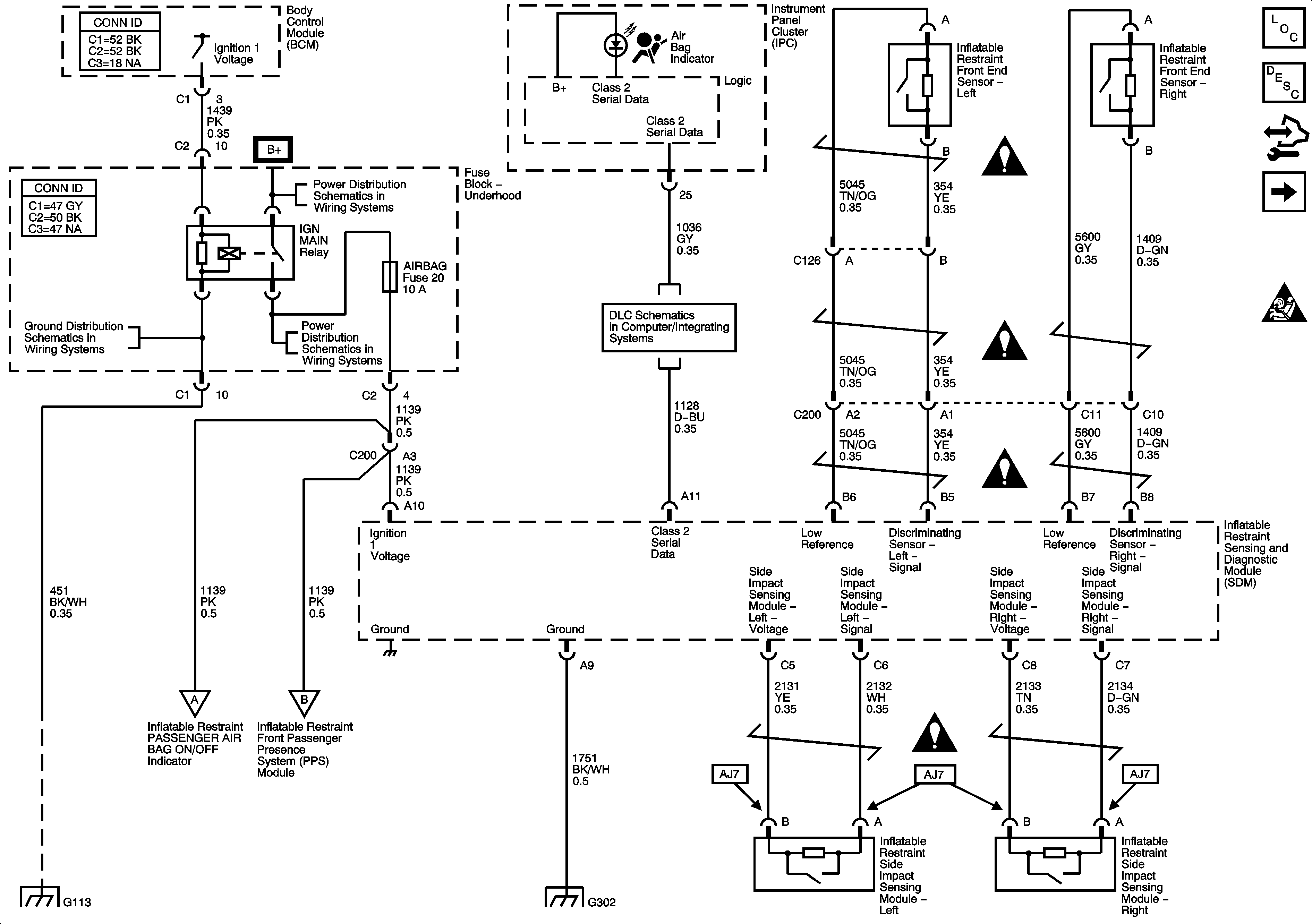
RELAY Ext.
🢒 Ground, Impact Sensors, Indicator, and Power
Ground, Impact Sensors, Indicator, and Power
Ground, Impact Sensors, Indicator, and Power
Master Electrical Component List
SIR System Description and Operation
Control Module References
Impact Modules and Pretensioners
SIR Schematic Icons
G102, G113 and G115
ABS, AIRBAG, CRUISE/SWTCH, HVAC/RPA/CRUISE, PCM IGN, and TRANS SOLS Fuses
B+ Bus
Data Link Connector (DLC) Schematics
SIR Schematic Icons
SIR Schematic Icons
SIR Schematic Icons
SIR Schematic Icons
G102, G113 and G115
Occupant Sensing
Occupant Sensing
G302 - 1 of 2