GM Service Manual Online
For 1990-2009 cars only
Makes
🢒
Saturn
🢒
2007
🢒
RELAY Ext.
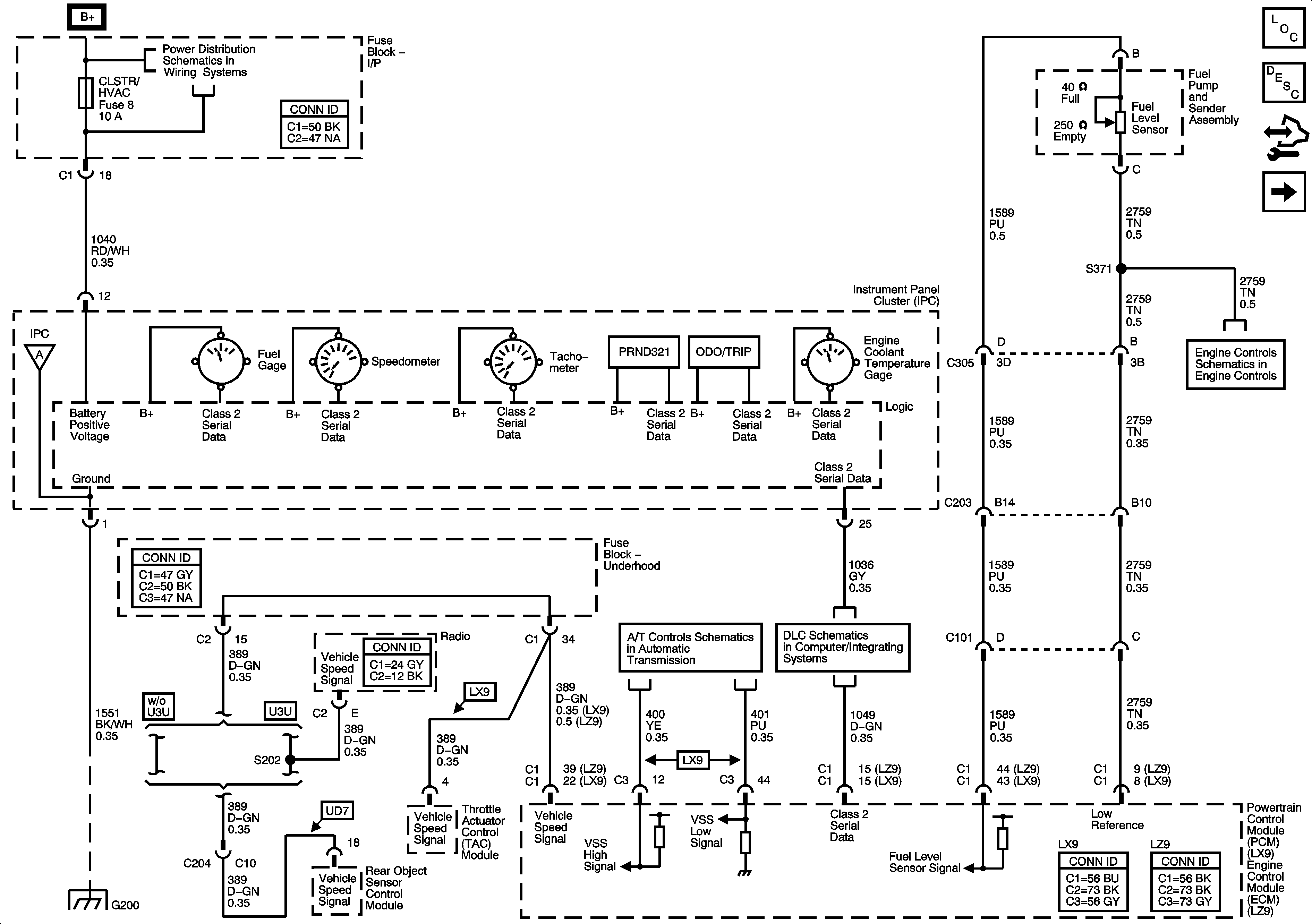
🢒 Gages, Ground, and Power
Gages, Ground, and Power
Gages, Ground, and Power
Master Electrical Component List
Instrument Cluster Description and Operation
Control Module References
Indicators and Lighting
CNSTR/VENT, CLSTR/HVAC, INT/LAMP, ONSTAR, and RADIO AMP Fuses
Indicators and Lighting
Fuel Controls - EVAP Controls
G200 - 2 of 2