GM Service Manual Online
For 1990-2009 cars only
Makes
🢒
Saturn
🢒
2007
🢒
RELAY Ext.
🢒 Actuators
Actuators
Actuators
Master Electrical Component List
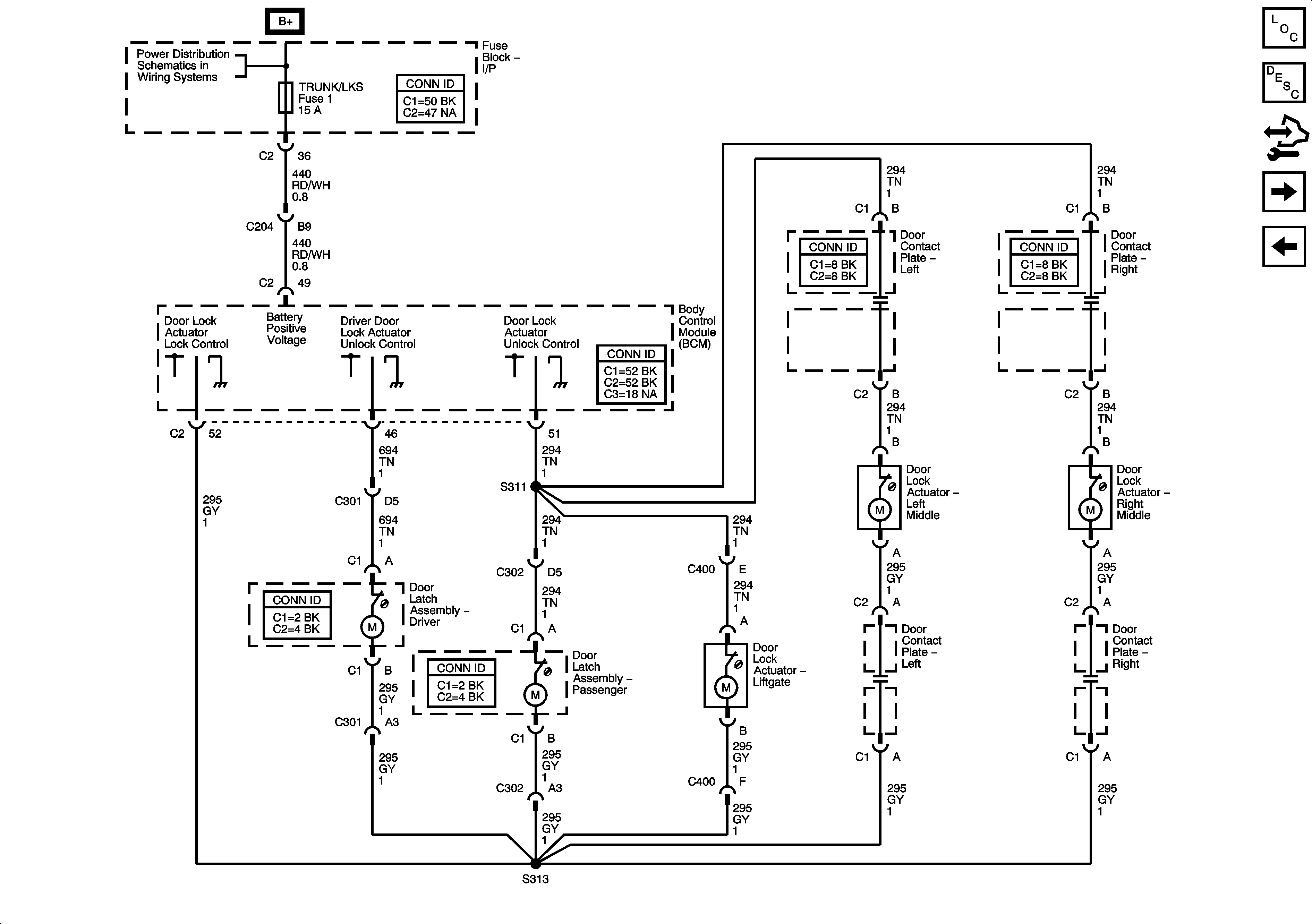
Power Door Locks Description and Operation
Control Module References
Indicators
Switches
BATT MAIN 3, ELC, and TRUNK/LKS Fuses