GM Service Manual Online
For 1990-2009 cars only

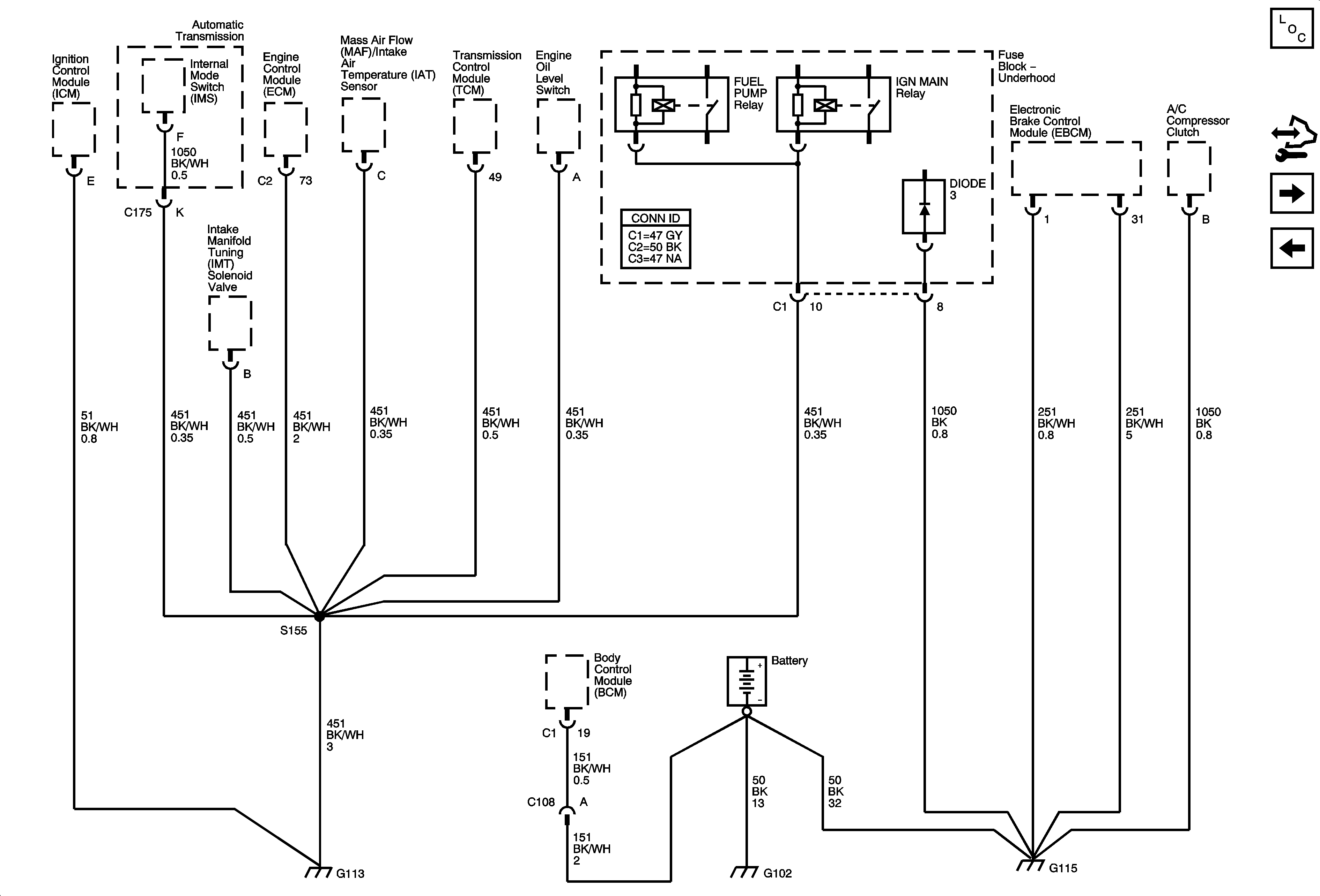
G102, G113 and G115

G102, G113 and G115


Object Number: 1740004  Size: FS
Master Electrical Component List
Control Module References
G200 - 1 of 2
G100 and G101