GM Service Manual Online
For 1990-2009 cars only
Makes
🢒
Saturn
🢒
2007
🢒
RELAY Ext.
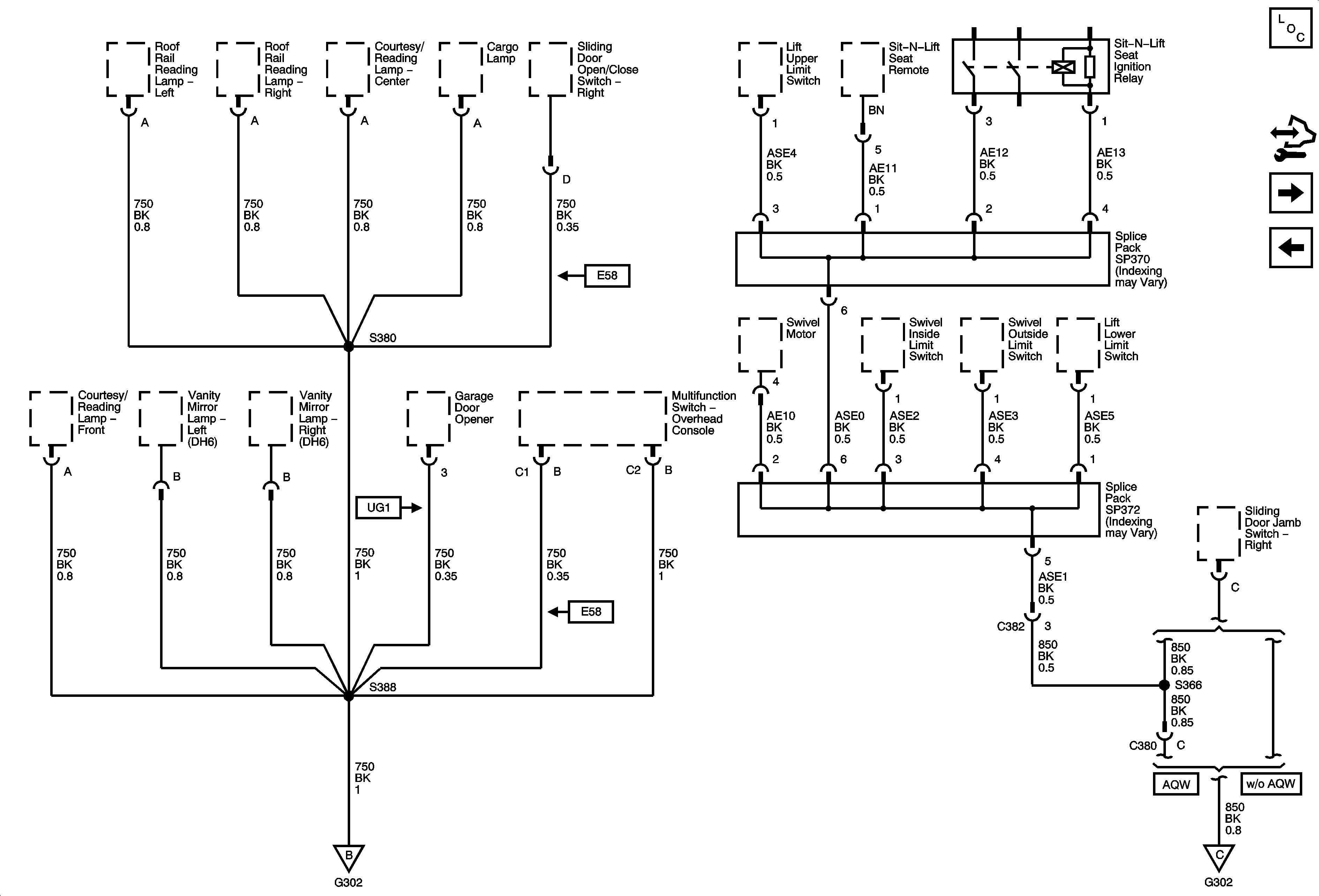
🢒 G302 - 2 of 2
G302 - 2 of 2
G302 2 of 2
Master Electrical Component List
Control Module References
G400
G302 - 1 of 2
G302 - 1 of 2
G302 - 1 of 2