GM Service Manual Online
For 1990-2009 cars only
Makes
🢒
Saturn
🢒
2007
🢒
RELAY Ext.
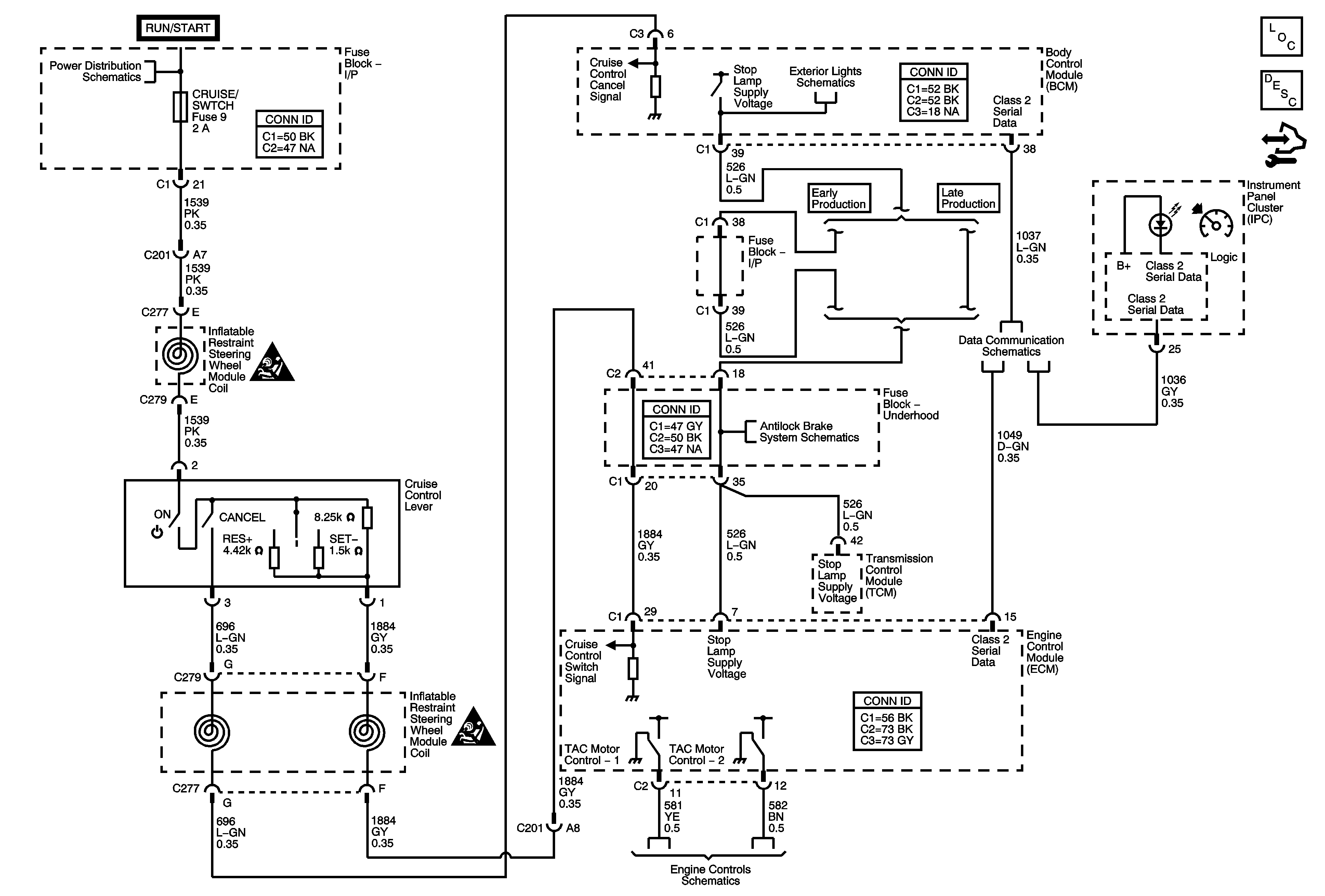
🢒 Cruise ControlSchematics
Cruise ControlSchematics
Master Electrical Component List
Cruise Control Description and Operation (3.5L)
Control Module References
ABS, AIRBAG, CRUISE/SWTCH, HVAC/RPA/CRUISE, PCM IGN, and TRANS SOLS Fuses
Backup Lamps
Cruise Control Schematic Icons
Driver Inputs, Indicators
Data Communication Schematics
Cruise Control Schematic Icons
Gages, Ground, and Power
Engine Data Sensors - Throttle Actuator Controls