GM Service Manual Online
For 1990-2009 cars only
Makes
🢒
Saturn
🢒
2007
🢒
RELAY Ext.
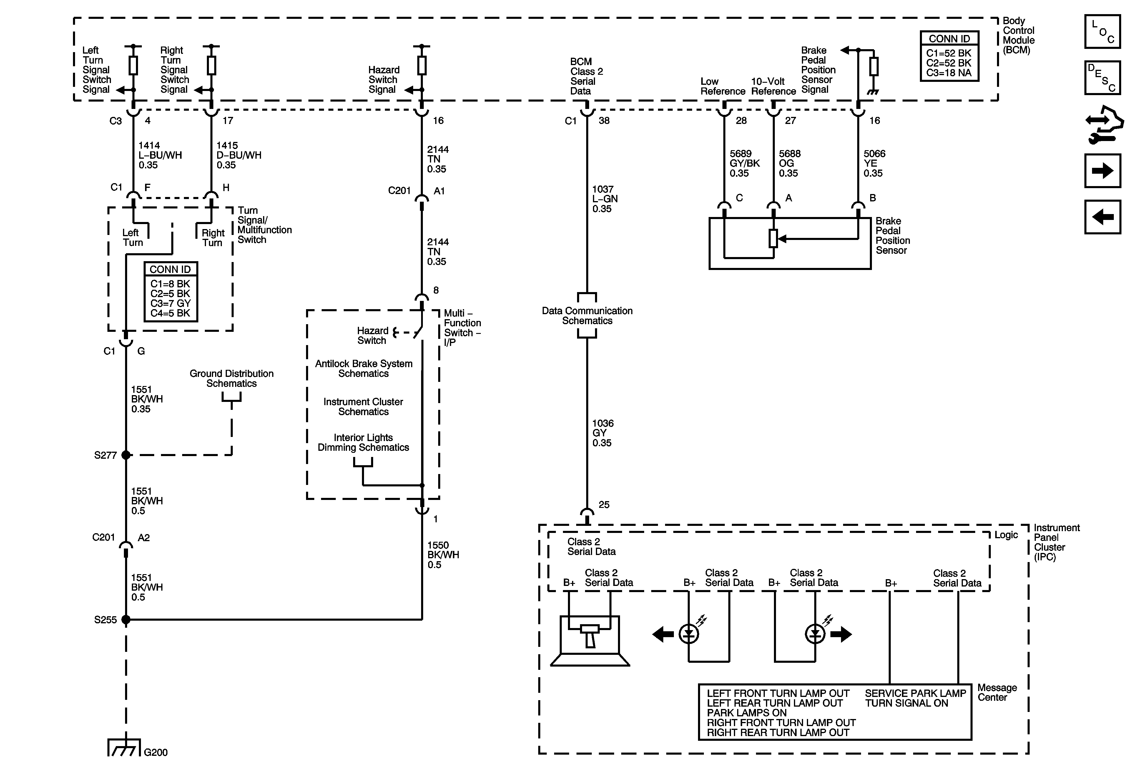
🢒 Stop/Turn Signal Lamps Controls and Indicators
Stop/Turn Signal Lamps Controls and Indicators
Stop/Turn Signal Lamps Controls and Indicators
Master Electrical Component List
Exterior Lighting Systems Description and Operation
Control Module References
Park/Turn and Stop/Turn Signal Lamps
Park, Marker, and License Lamps
G200 - 2 of 2
Driver Inputs, Indicators
Messages
Control, I/P, Passenger Door, and Steering Wheel Lamps
Data Communication Schematics
G200 - 2 of 2