GM Service Manual Online
For 1990-2009 cars only

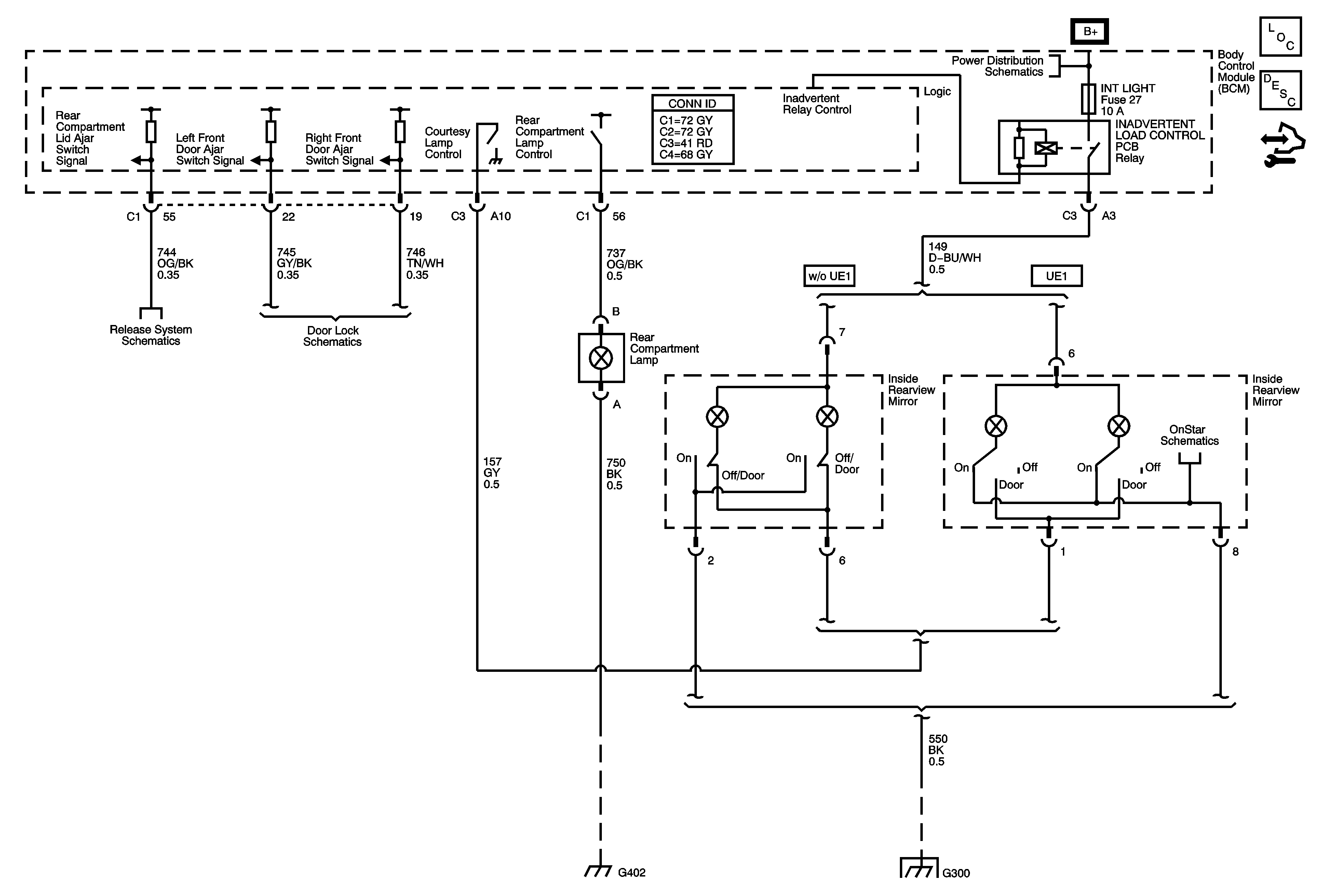
Interior Lights Schematics


Object Number: 1742932  Size: FS
Master Electrical Component List
Interior Lighting Systems Description and Operation
Control Module References
Fuse Block - Underhood BCM Fuse, BCM Fuses: ECM/TCM, DR LCK, INT LIGHT, PWR WNDW, RDO, SDM, BCM Relays: DOOR LOCK, DOOR UNLOCK, DR DOOR UNLOCK, INADVERTENT LOAD CONTROL, RAP
Folding Top and Rear Compartment Lid Release
Door Lock Schematics
G301, G302, G303, G400 and G402
G300 - 1 of 2