GM Service Manual Online
For 1990-2009 cars only

Circuit Description


Object Number: 900048  Size: MF

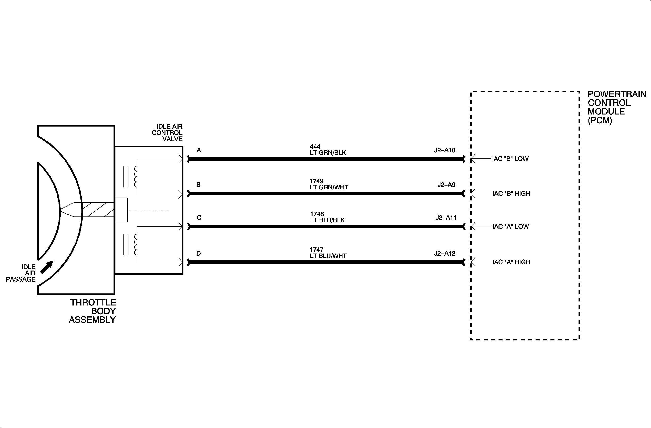
The idle air control (IAC) valve consists of a 2 coil stepper motor controlling a pintle. The PCM pulses a signal to the IAC valve by switching the high and low side circuits, depending on which direction the pintle needs to move. The motor moves the pintle in or out from the seat to control the amount of air that enters the intake manifold. The amount of movement being commanded can be monitored by a scan tool, which is displayed in counts. When the engine is turned OFF, the IAC pintle is retracted (80-100 counts) allowing for maximum air during a restart. After a start-up, the motor position commanded is based on coolant temperatures and TP sensor values.

Conditions for Setting the DTC

Important: The IAC valve is continuously checked with the engine running and the PCM in idle control.

DTC P0506 will set if the PCM has commanded the IAC valve open and the actual RPM is more than 100-300 RPM below the desired RPM. The amount of RPM error allowed depends on ECT.

DTC P0507 will set if the PCM has commanded the IAC valve closed and the actual RPM is more than 100-300 RPM over the desired RPM. The amount of RPM error allowed depends on ECT.

Diagnostic Aids

At normal operating temperature above 80°C (176°F), the idle must be within 100 RPM of desired or DTC P0506 or DTC P0507 will set. The malfunction history will store the desired RPM as well as the actual RPM at the time the DTC is set.

If either DTC P0506 or DTC P0507 become active during a drive cycle, the PCM will run an intrusive test if all the proper conditions are met. The conditions to test are to be at a steady throttle cruise 32-64 km/h (24-40 mph) with airflow between 4-10 grams/second. When the conditions are met, the PCM will issue a motor move command while monitoring MAP sensor value.

If no MAP sensor change is detected during the intrusive test, the HIGH or LOW idle conditions detected is probably due to an IAC valve circuit problem. The idle control table of the scan tool will indicate if an intrusive test has ever been performed since the codes were cleared. If an idle problem is detected, and the PCM never ran an intrusive test, the IAC circuit must be checked for proper operation.

IAC terminal resistance:

    • A to B: 40-80 ohms
    • C to D: 40-80 ohms
    • A to C, A to D, B to C, and B to D: infinite resistance (open)

Object Number: 900732  Size: FP