GM Service Manual Online
For 1990-2009 cars only

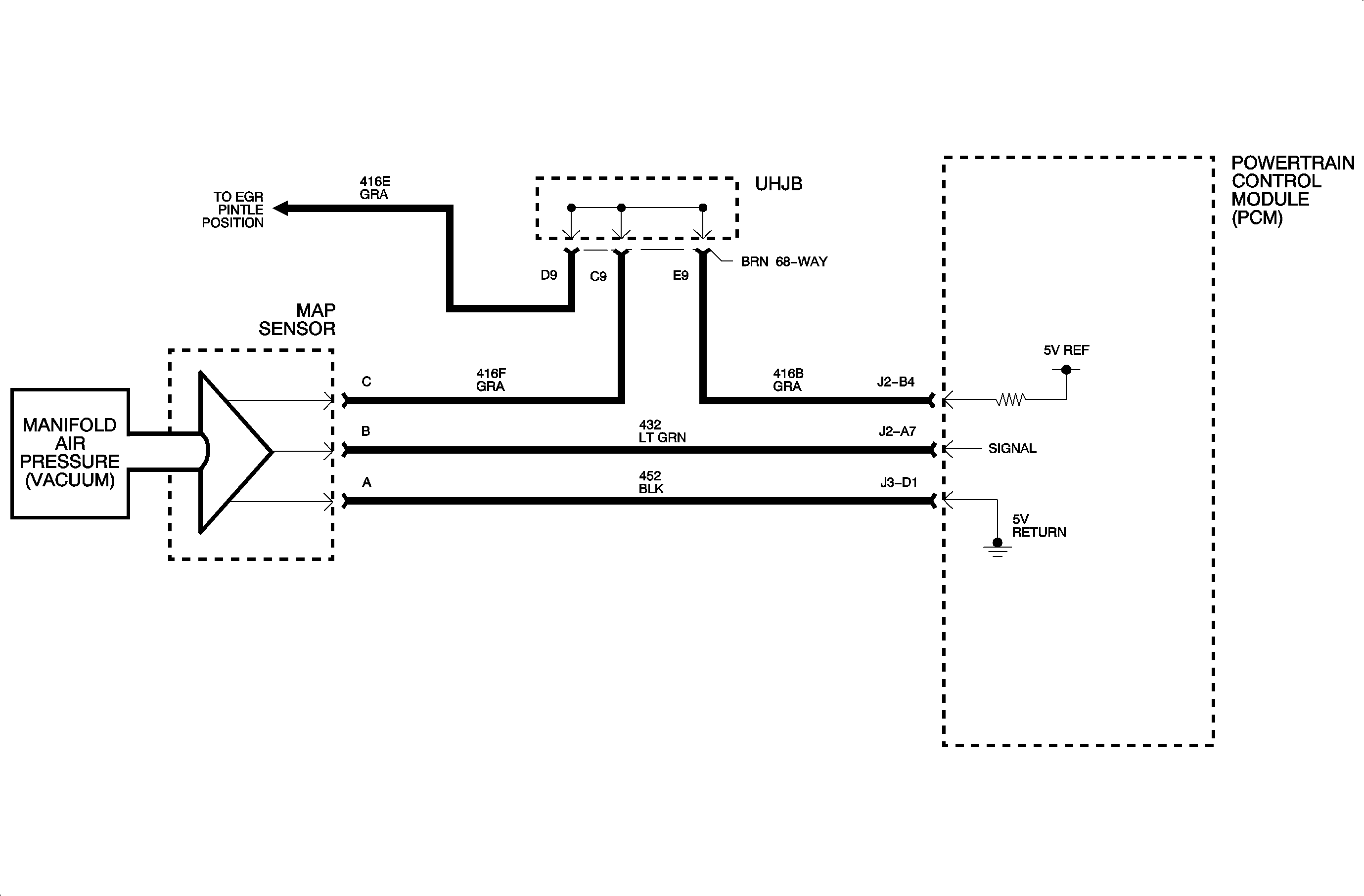
Circuit Description


Object Number: 899612  Size: MF

The manifold absolute pressure (MAP) sensor is a variable resistor that responds to changes in manifold pressure, vacuum. The PCM measures the voltage drop across the MAP sensor. The voltage ranges from 1-1.5 volts at idle, high vacuum, to 4-4.5 volts at wide open throttle, low vacuum.

Conditions for Setting the DTC

Important: The MAP signal is continuously checked when the engine is running.

DTC P0107 will set if the MAP is less than 0.3 volts when either:

  1. The engine speed is less than 1,000 RPM
  2. No TP sensor DTCs have been set.
  3. OR

  1. The engine speed is greater than 1,000 RPM.
  2. The TP sensor is greater than 10 percent.
  3. No TP sensor DTCs have been set.

Diagnostic Aids

With the engine OFF and the key ON, the MAP reading should be the same as the barometric reading because manifold pressure is equal to atmospheric pressure, no vacuum -- high voltage. Comparing this reading to a known good vehicle with the same sensor is a good way to check accuracy of a suspect sensor. Readings should be within 0.4 volts.

LOW ALTITUDE = HIGH PRESSURE = HIGH VOLTAGE

MAP Sensor Voltage Ignition ON Engine OFF

Altitude

Voltage Range

kPa

BELOW 305 m (BELOW 1,000 ft)

3.8-5.5 V

98-100 kPa

305-610 m (1,000-2,000 ft)

3.6-5.3 V

98-95 kPa

610-914 m (2,000-3,000 ft)

3.5-5.1 V

95-92 kPa

914-1219 m (3,000-4,000 ft)

3.3-5 V

92-89 kPa

1219-1524 m (4,000-5,000 ft)

3.2-4.8 V

89-86 kPa

1524-1829 m (5,000-6,000 ft)

3-4.6 V

86-83 kPa

1829-2133 m (6,000-7,000 ft)

2.9-4.5 V

83-80 kPa

2133-2438 m (7,000-8,000 ft)

2.8-4.3 V

80-77 kPa

2438-2743 m (8,000-9,000 ft)

2.6-4.2 V

77-74 kPa

2743-3948 m (9,000-10,000 ft)

2.5-4 V

74-71 kPa


Object Number: 899641  Size: FP