GM Service Manual Online
For 1990-2009 cars only

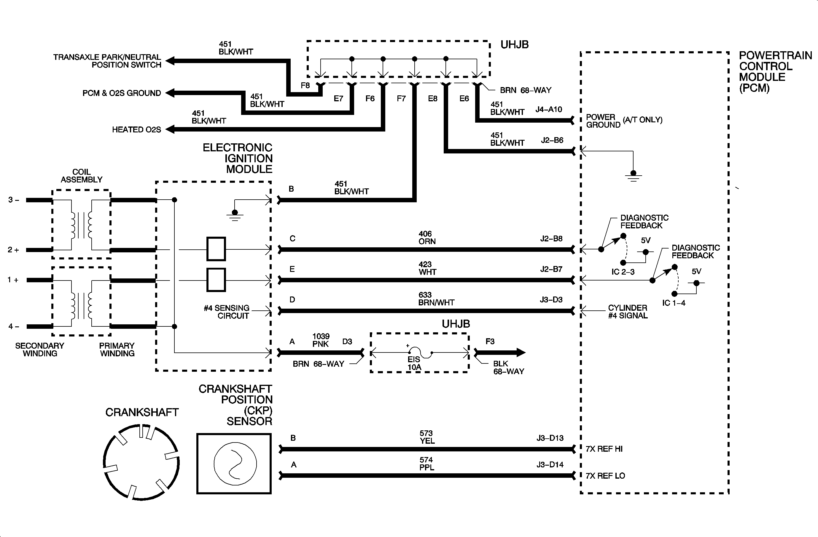
Circuit Description


Object Number: 899497  Size: MF

The PCM uses pulses from the crankshaft position sensor to determine the position and RPM of the engine at various degrees of rotation. The PCM can then base misfire diagnostics on the principle that crankshaft velocity will increase as each cylinder contributes it power input. Under certain conditions the PCM will perform a series of tests to determine misfire percentage on a cylinder based on crankshaft velocity variation. The MIL, service engine soon, light will flash if an active catalyst damaging misfire occurs (20-100 percent) and will illuminate ON solid if an emission related misfire (2-19 percent) is present after 2 consecutive trips. The MIL, service engine soon, light will turn ON after 3 consecutive passed trips meeting the same misfire criteria or 80 passed trips if the criteria has not been met.

Conditions for Setting the DTC

Important: The misfire diagnostics are continually checked with the engine running when the above conditions have been met.

DTC P0301, P0302, P0303, or P0304 will set if a misfire has been detected after a series of tests when:

    • Engine speed is between 469-7,188 RPM.
    • Traction control fuel cutoff is not active.
    • Engine coolant is between -6.75 to +118°C (20-244°F).
    • Throttle change is not rapid.
    • The vehicle is not in decel fuel cut-off (DFCO) mode.
    • Ignition voltage is between 8-15 volts.
    • No TP sensor, CKP, IAT, MAP, or ECT DTCs have been set.

Diagnostic Aids

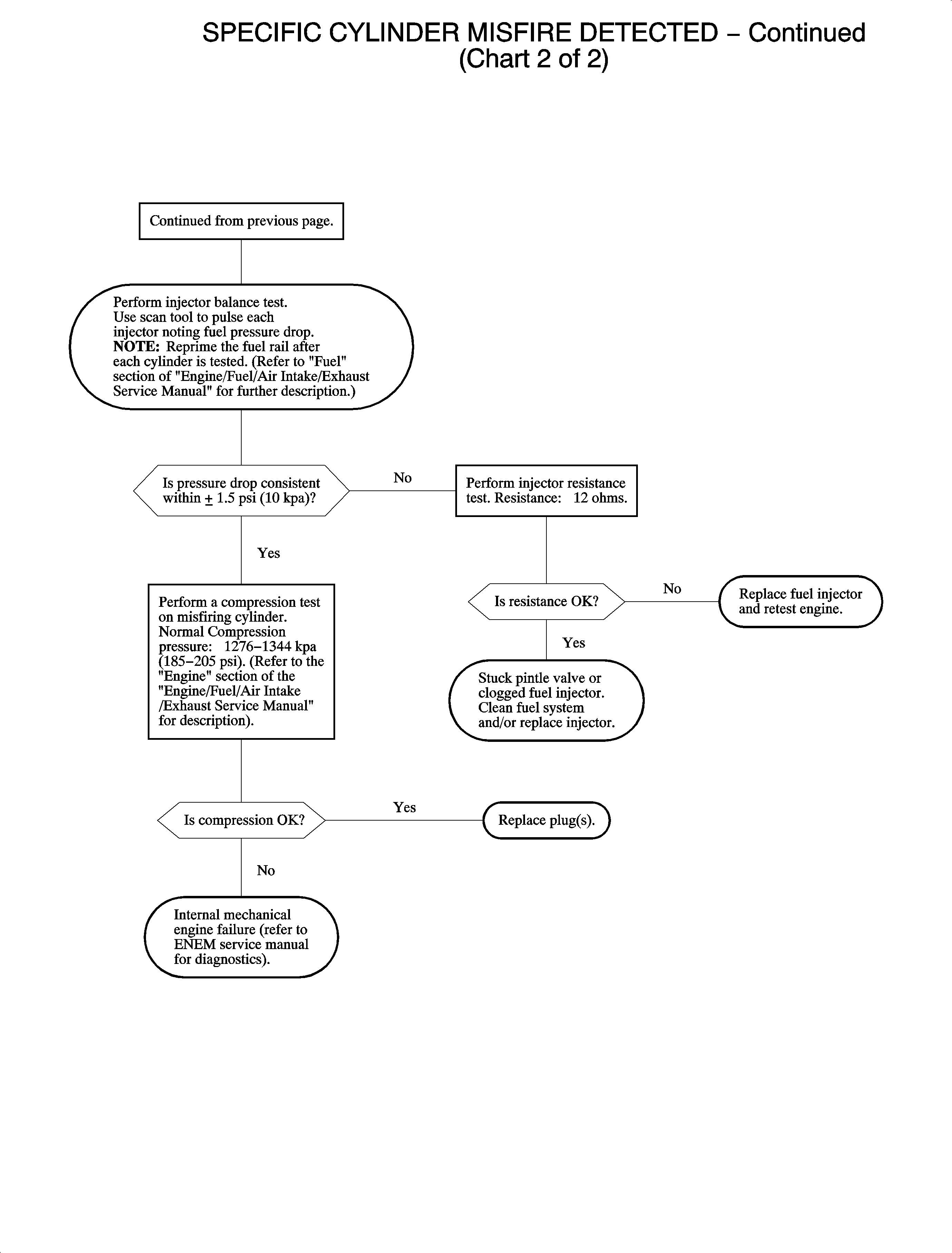
If an injector, IC, or EGR DTC is active and the misfire DTC is active, diagnose the other DTCs first.

Use the scan tool to monitor active misfire counts. Spraying water on the wires provides a good path for current to flow to ground on a bad wire. The scan tool active misfire counts should pick up an intermittent misfire problem. Watch the misfire counter. If a specific cylinder misfires under certain load conditions, it may be duplicated in the stall.

    • Injector resistance is 12 ohms.
    • Wire resistance is under 12k ohms.
    • Spark plug gap is 0.04 in.
    • Coil pack secondary resistance, tower to tower, is 8-15k ohms.
    • Wire positioning on the coils is 4-1-2-3.

Object Number: 900090  Size: FP

Object Number: 899982  Size: FP