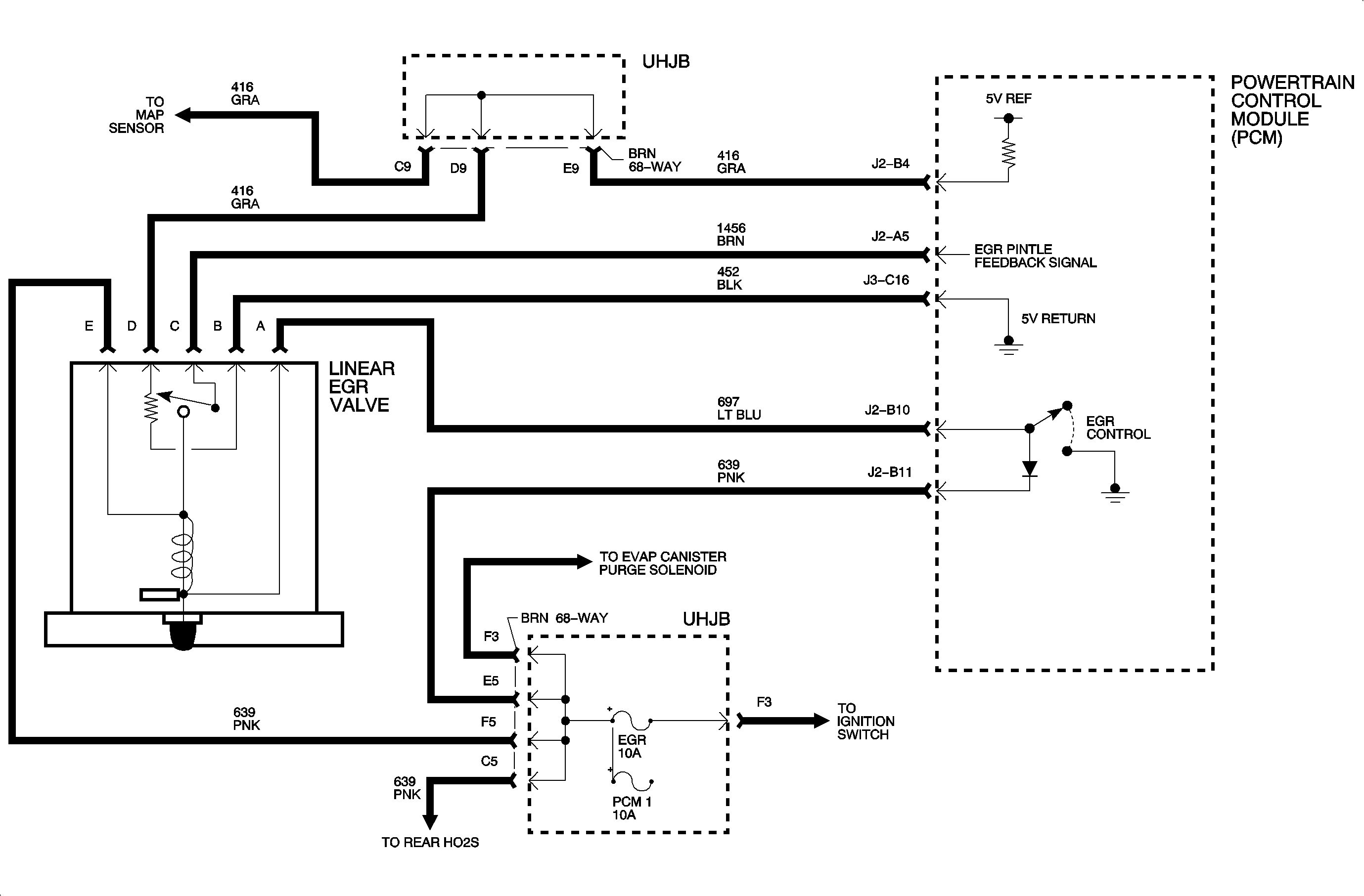
Circuit Descriptions
The linear EGR system consists of a linear EGR valve, the PCM, and its associated
wiring. The EGR valve solenoid is controlled directly by the PCM when certain conditions
have been met. The PCM contains a diode feedback circuit which dissipates energy when
the valve is cycled OFF. When the PCM grounds the valve, a diagnostic feedback signal
can determine if the valve had actually moved. DTC P0405 has been defined to
monitor the feedback signal. This diagnostic will determine if the position feedback
signal properly falls within the correct range under different valve operating conditions.
Conditions for Setting the DTC
DTC P0405 will set if the following conditions are met:
| • | The IGN voltage is above 11 volts. |
| • | The voltage is less than 0.2 volts. |
| • | The condition is present for greater than 5 seconds. |
Important: The EGR valve may operate at any engine coolant
temperature regardless of loop mode.
When this DTC fails, the EGR will be disabled for the entire ignition cycle.
The malfunction history record will aid in diagnosis.
Test Description
- The normal closed valve position feedback voltage should be greater than
0.2 volts at all times.
- A voltage of less than 0.2 volts indicates a problem with the position
feedback circuit.
Diagnostic Aids
| • | Check for backed out or damaged electrical terminals. |
| • | Check the tightness of the female terminal grip with a spare male terminal. |
| • | A short to ground in the 5-volt reference will set both a DTC P1635
and a DTC P0405. If both are set, diagnose DTC P1635 first. |
| • | An open in the 5-volt reference will set only the DTC P0405. |
| • | An open in the PCM diode feedback circuit will result in unstable valve
operation resulting in vehicle surge. |