GM Service Manual Online
For 1990-2009 cars only

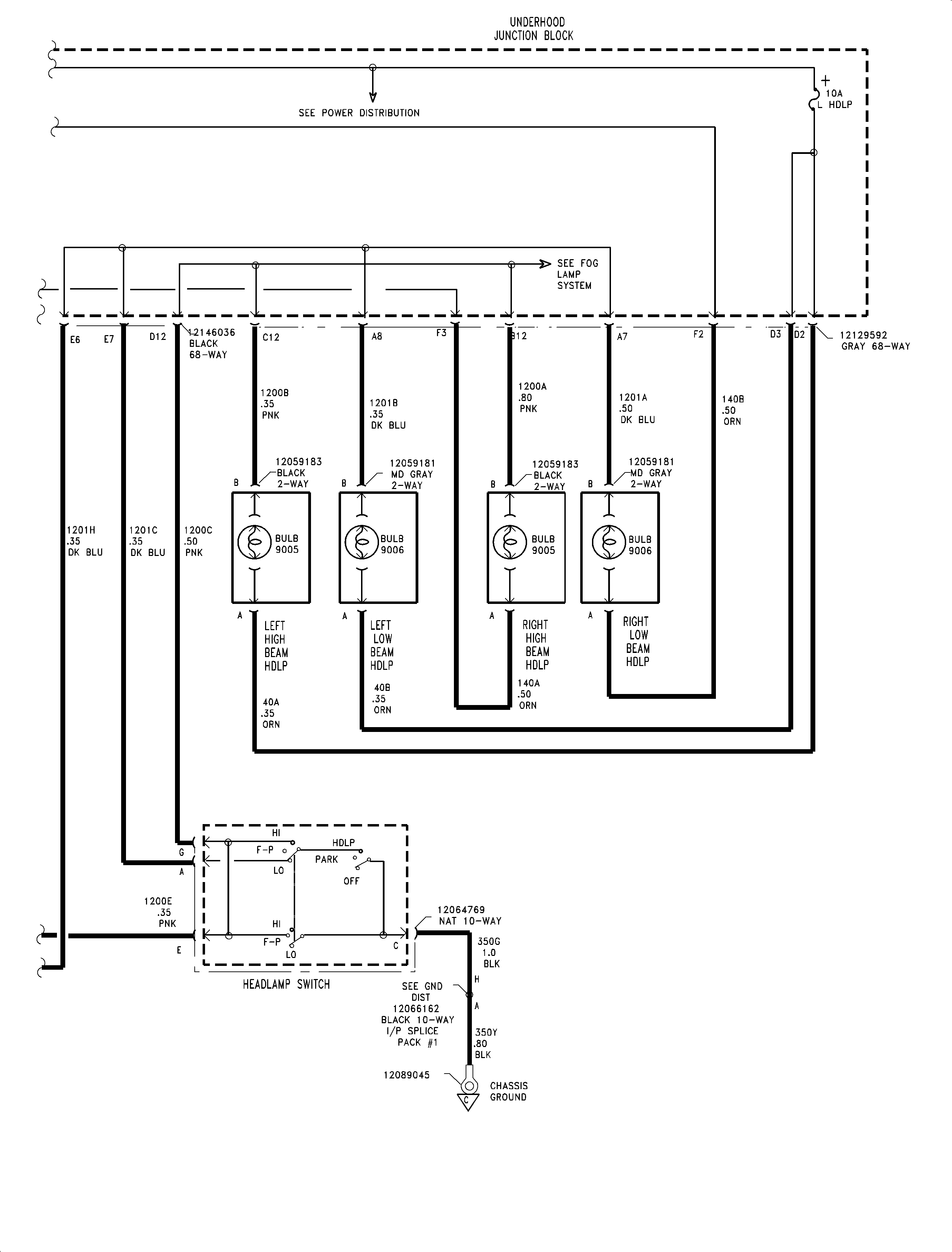
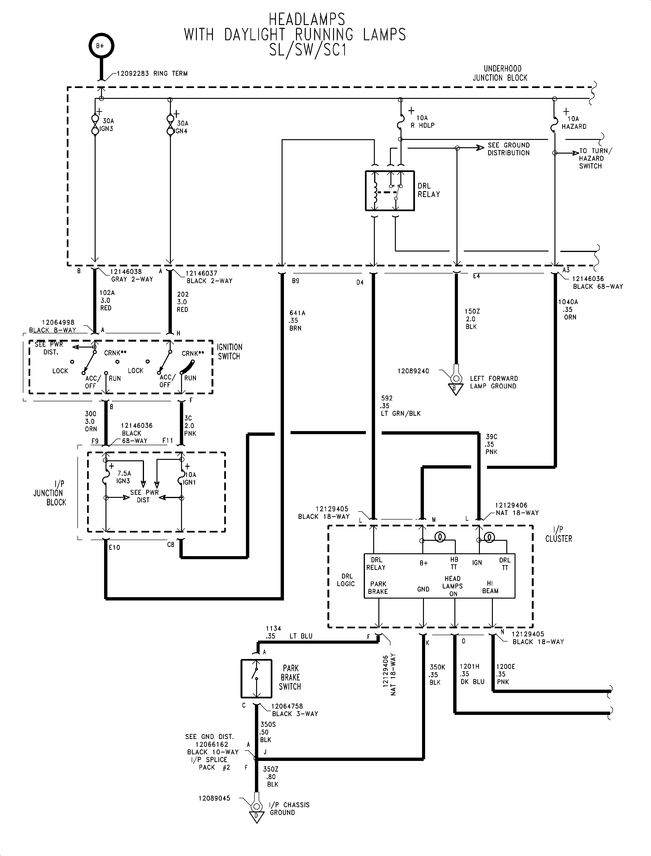
Diagnostic Information for High/Low Beam Headlamps with DRL

Subject:Service Manual Update for High/Low Beam Headlamps with Daytime Running Lamps -- Diagnostic Information

Models:1996 Saturn Sedans and Wagons



Purpose:

The first edition of the 1996 Electrical Service Manual was published with some omissions in the electrical schematics of the High/Low Beam Headlamps with Daytime Running Lamps section. This bulletin provides complete electrical schematics for the 1996 Sedan and Wagon high/low beam headlamps with daytime running lamps. This information will be included in the second edition of the 1996 Electrical Service Manual which is expected to be printed in late 1995.


Object Number: 881725  Size: FP

Object Number: 881737  Size: FP