GM Service Manual Online
For 1990-2009 cars only

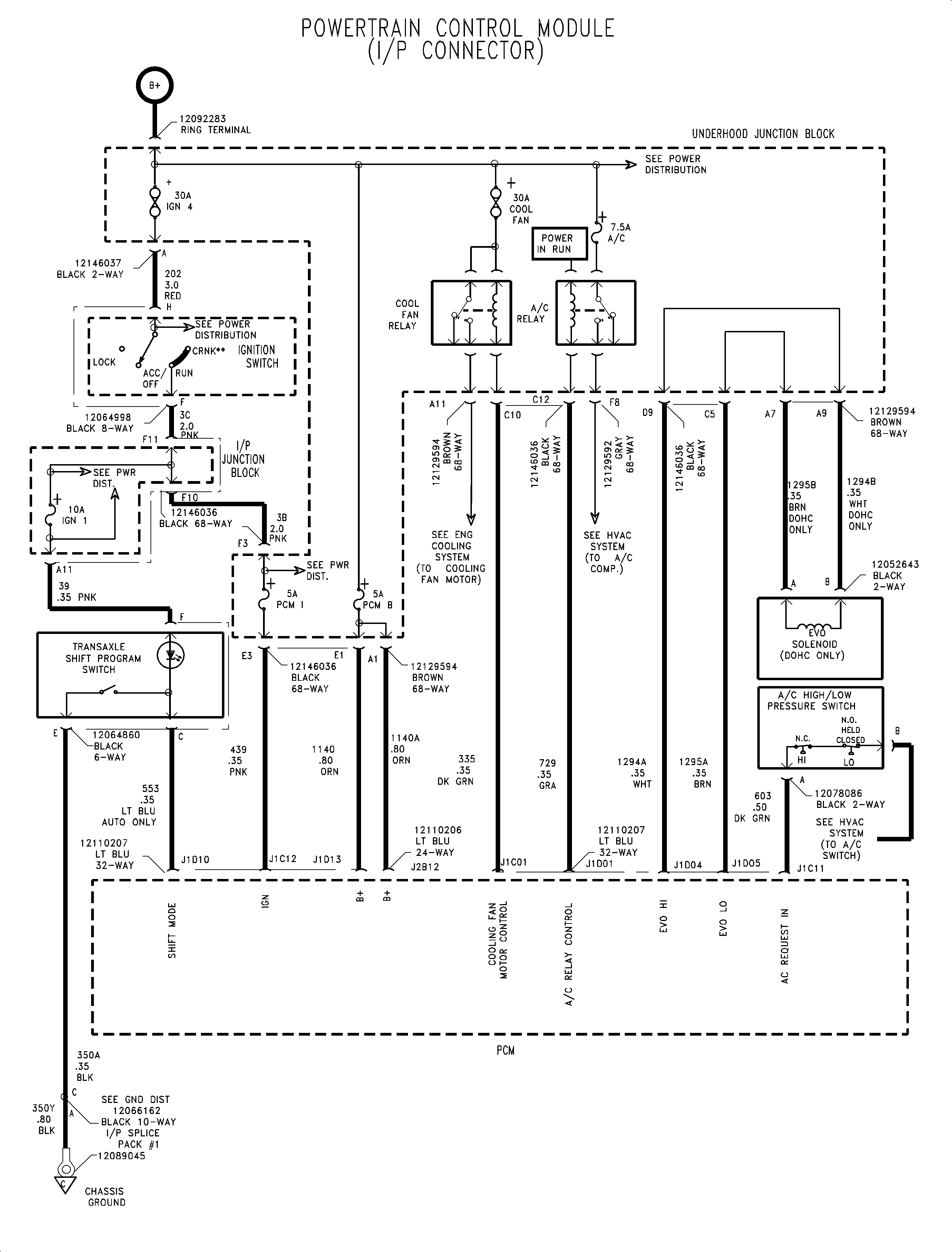
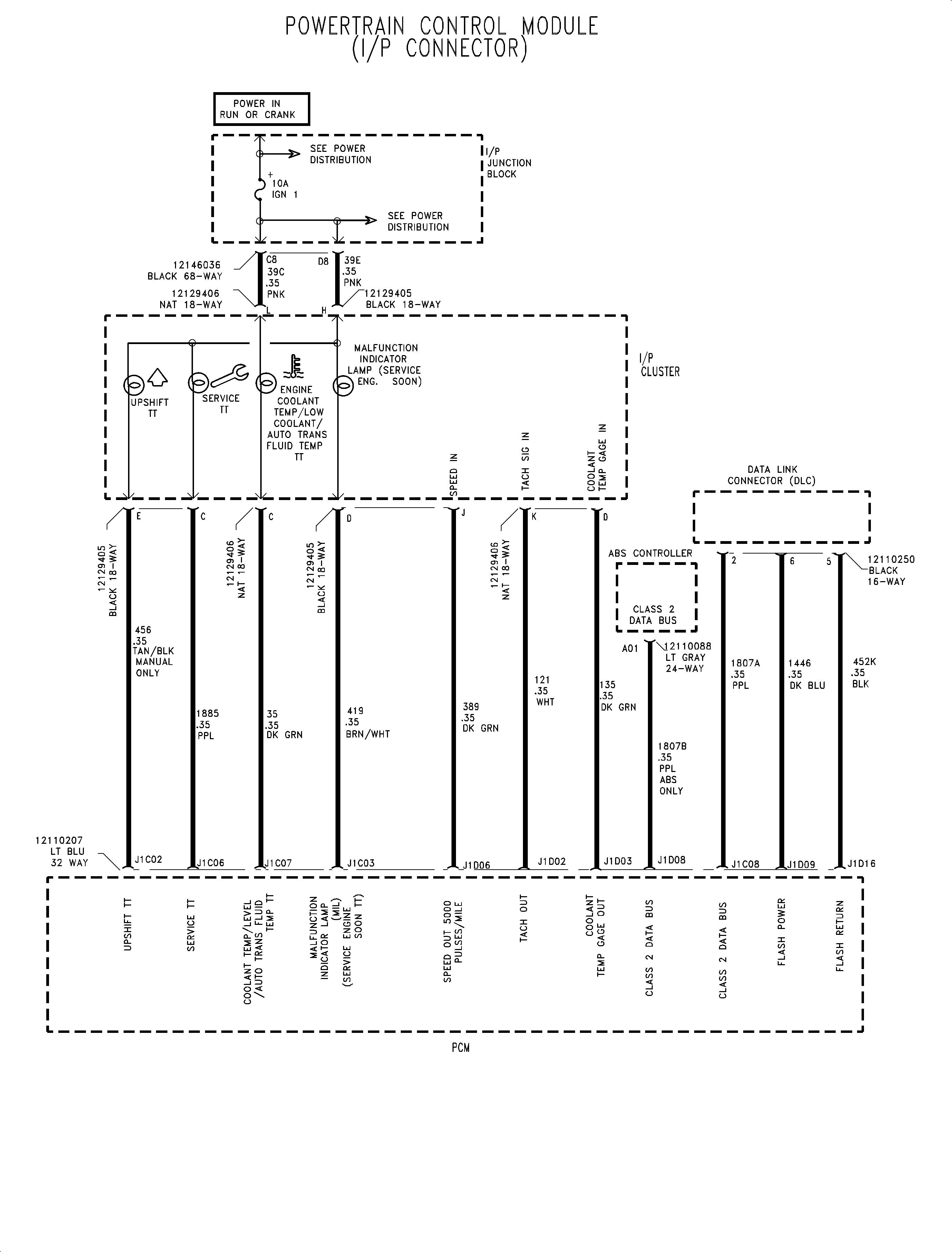
PCM Diagnostic Information

Subject:Service Manual Update for Powertrain Control Module Diagnostic Information

Models:1996 Saturns



Purpose:

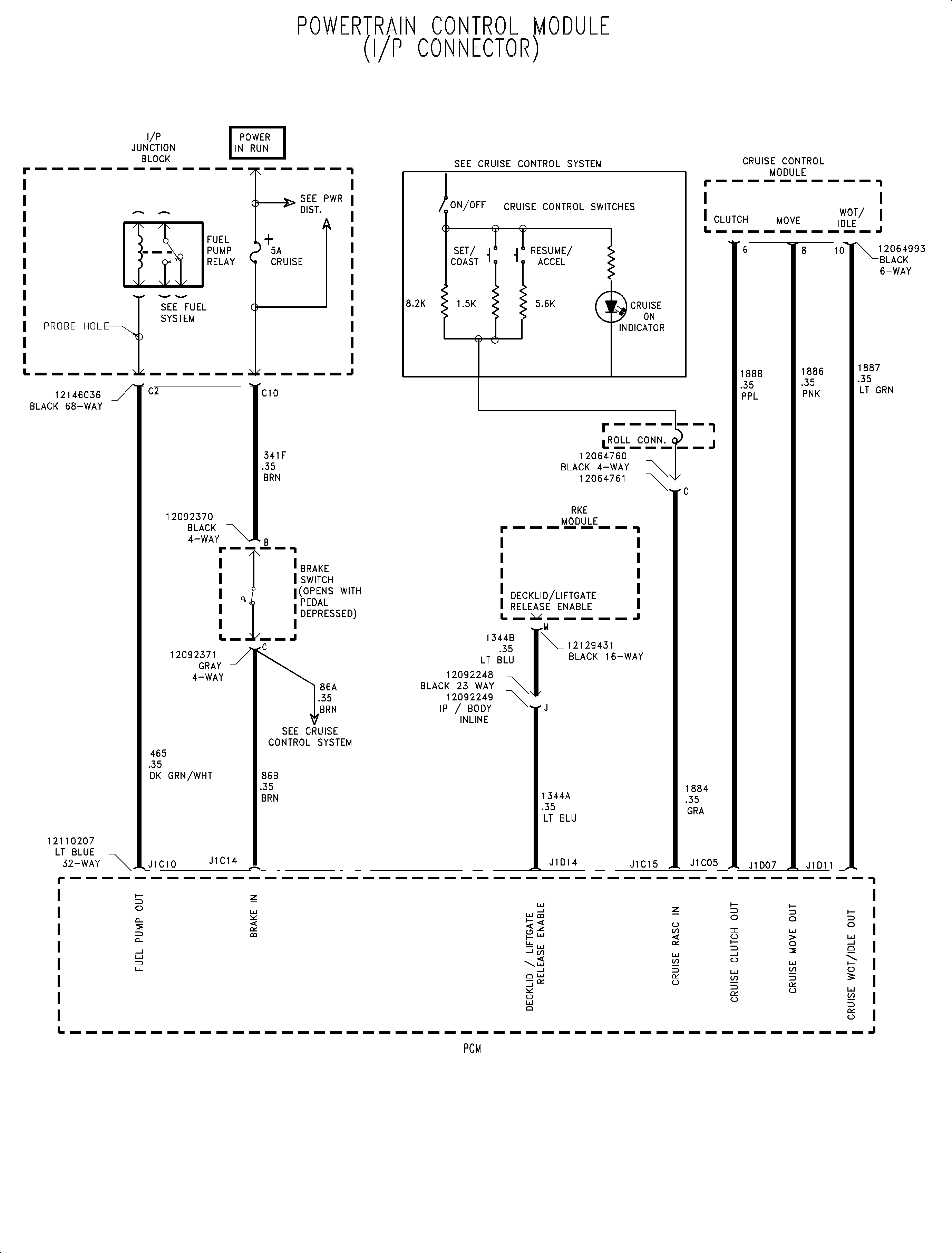
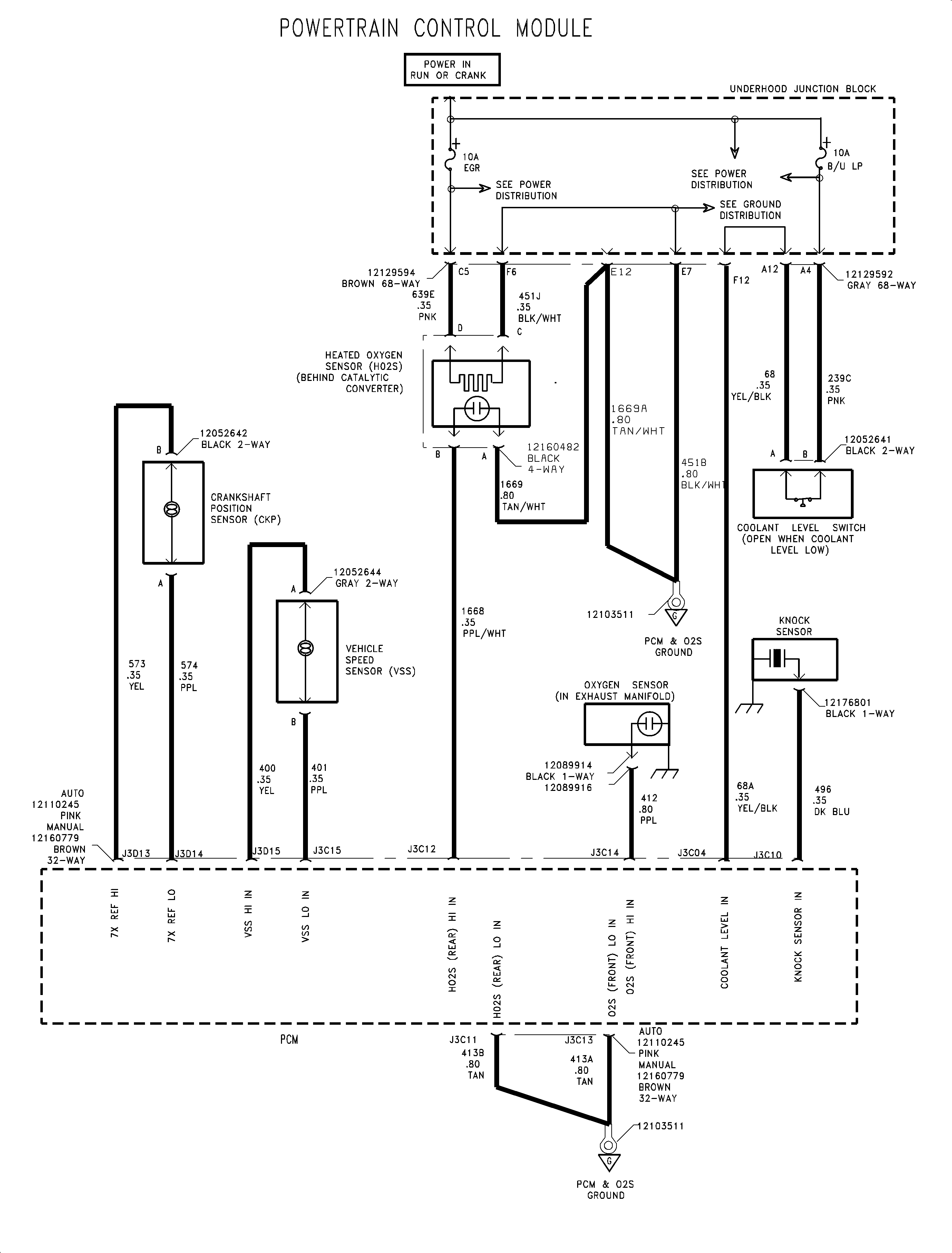
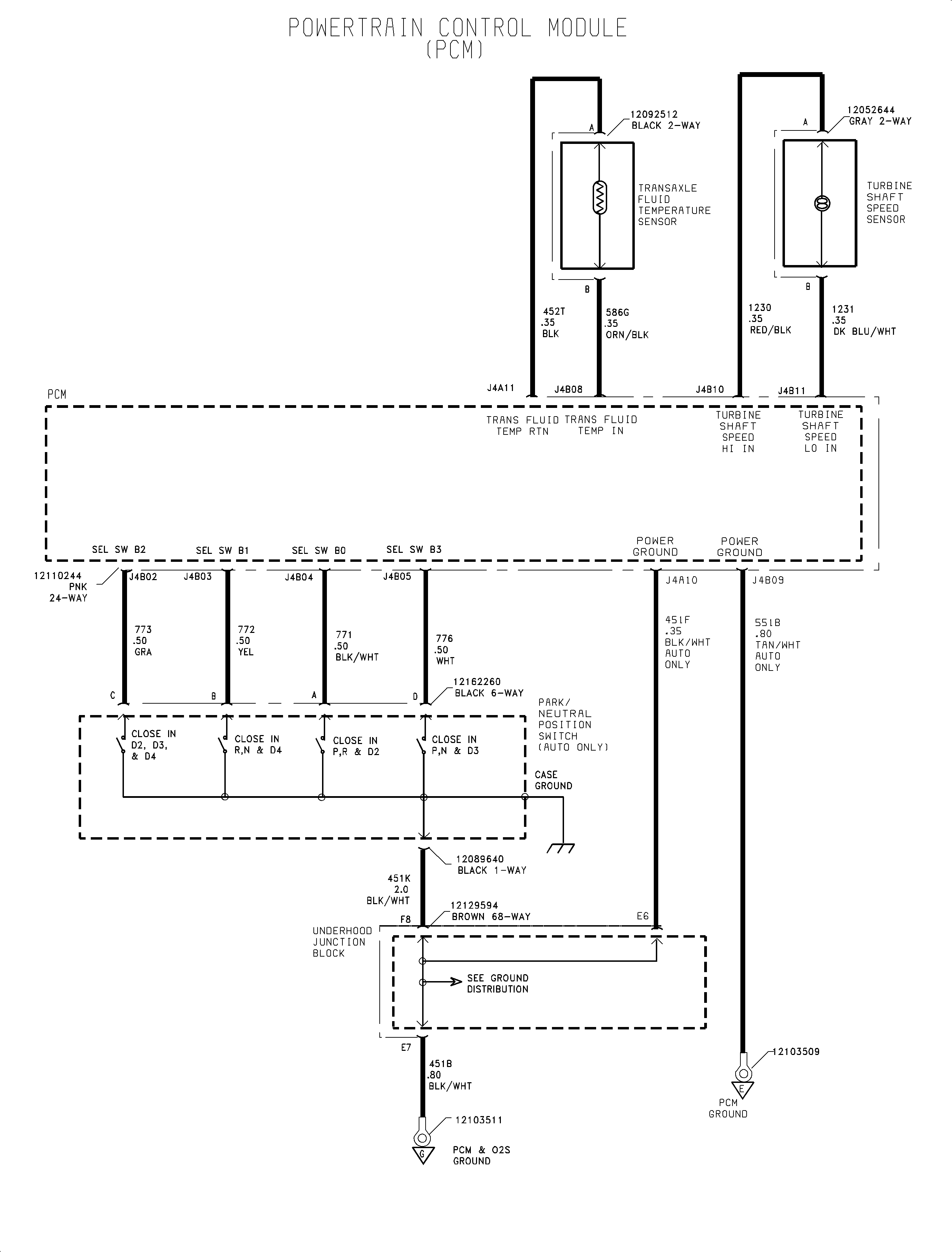
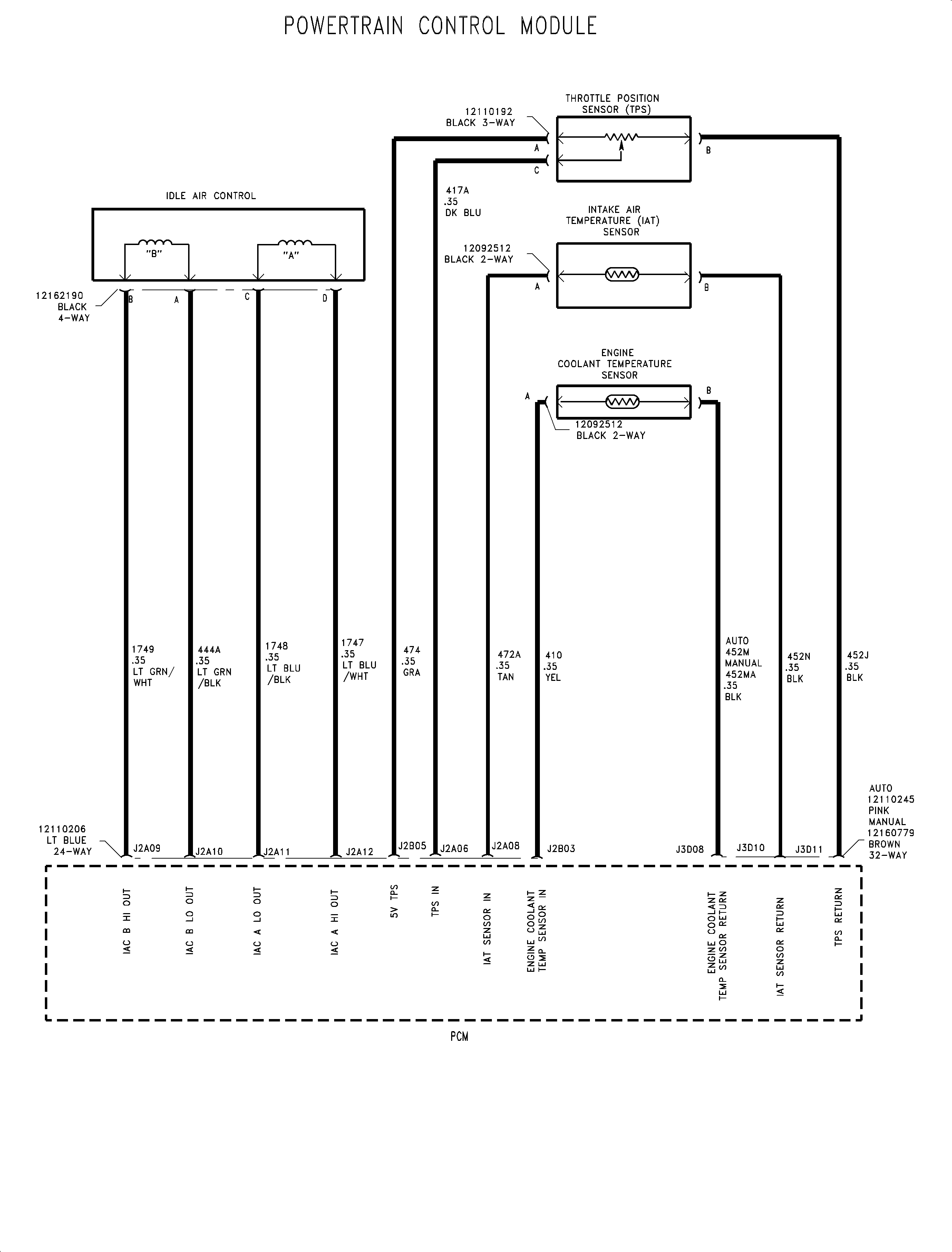
The first edition of the 1996 Electrical Service Manual was published with some omissions in the electrical schematics of the Powertrain Control Module (PCM) section. This bulletin provides complete electrical schematics for the 1996 PCM. This information will be included in the second edition of the 1996 Electrical Service Manual which is expected to be printed in late 1995. Additional diagnostic information for the PCM can be found in the 1996 Powertrain Control Service Manual.

Powertrain Control Module (PCM)


Object Number: 881641  Size: FP

Object Number: 881679  Size: FP

Object Number: 881633  Size: FP

Object Number: 881649  Size: FP

Object Number: 881652  Size: FP

Object Number: 881654  Size: FP

Object Number: 881656  Size: FP

Object Number: 881659  Size: FP

Object Number: 881661  Size: FP