GM Service Manual Online
For 1990-2009 cars only

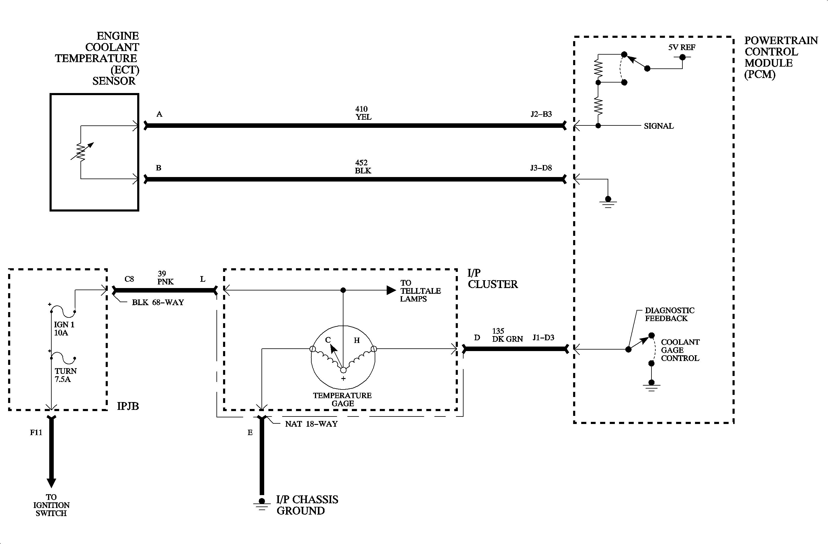
Circuit Description


Object Number: 1207385  Size: MF

The engine coolant temperature (ECT) sensor is a thermistor located in the lower coolant passage of the engine's cylinder head. When the coolant temperature is cold, the sensor has a high resistance. As the temperature increases, the resistance of the sensor decreases. The PCM provides a 5 volt signal to the coolant sensor, which is also connected to the PCM ground. The PCM reads the voltage drop on the signal line to determine coolant temperature.

Conditions for Setting the DTC

DTC P0125 will set if the coolant temperature is below 0°C (32°F) after the engine has been running for more than 5 minutes when no ECT and IAT DTCs have been set.

Important: The ECT signal is continuously checked when the engine is running.

This DTC will only pass if the engine start was determined to be a cold start.

Diagnostic Aids

DTC P0125 indicates lower than normal coolant temperatures and probably does not indicate a faulty ECT subsystem.

Possible causes of low coolant temperature:

    • Thermostat stuck open
    • Cooling fan always ON