GM Service Manual Online
For 1990-2009 cars only

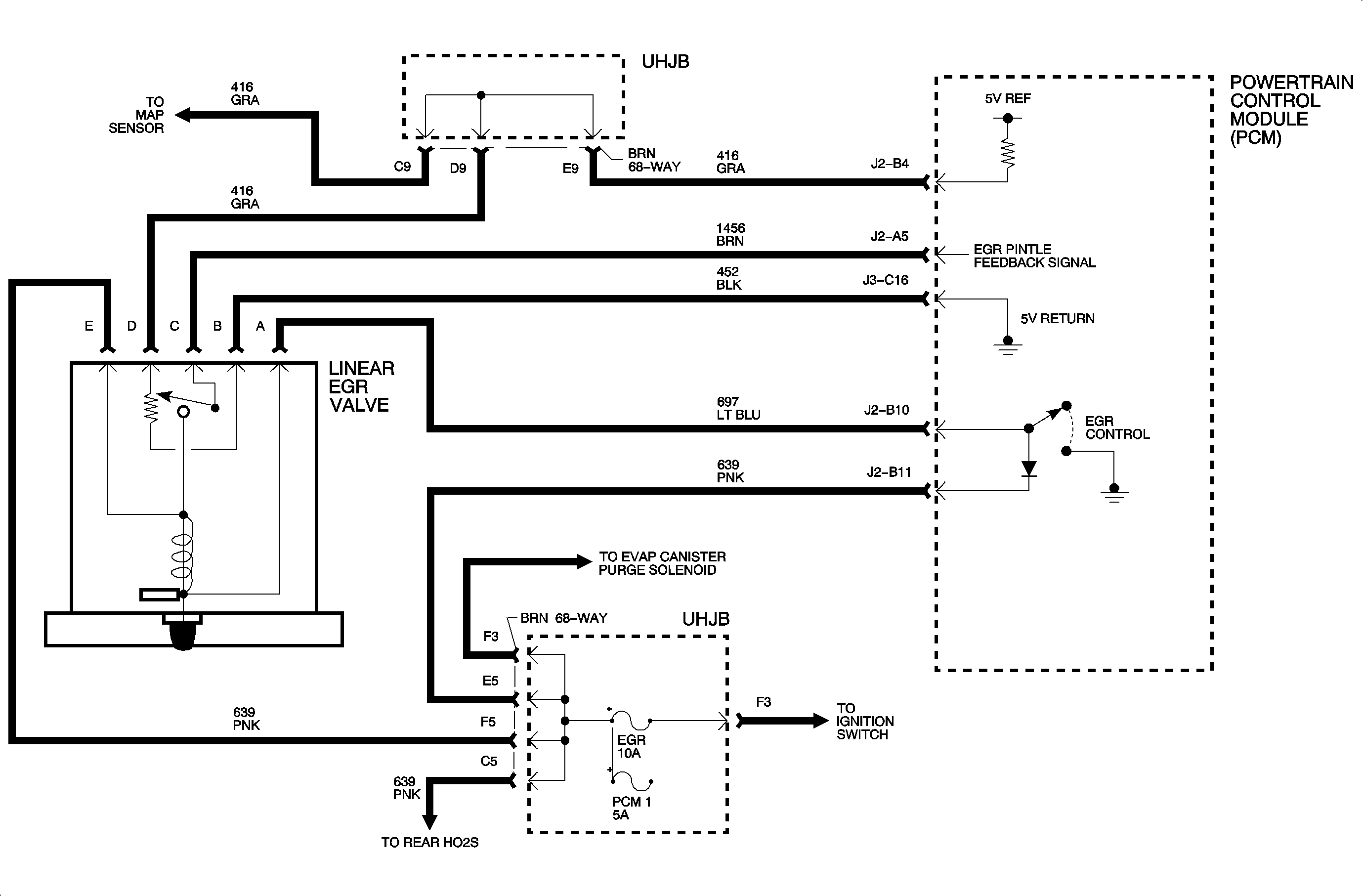
Circuit Description


Object Number: 1207706  Size: MF

The linear exhaust gas recirculation (EGR) system consists of a linear EGR valve, the powertrain control module (PCM) and its associated wiring. The PCM directly controls the ground for the EGR valve when certain conditions have been met. Voltage is supplied by the UHJB to the EGR valve when the ignition is turned ON. When the PCM grounds the valve, a diagnostic feedback signal can determine if the valve had actually moved. Since the correct feedback voltage is possible, but the passage has restricted the flow, DTC P0401 was implemented.

EGR flow restrictions are diagnosed during a deceleration. The EGR valve is commanded closed during a normal deceleration. To run the DTC P0401 test the valve is opened during deceleration and a change in manifold absolute pressure (MAP) is expected. If the change in MAP is below a threshold it indicates the flow is restricted.

DTC P0401 will set if a calculated value compared to an engine speed vs. barometric pressure determines there is a restriction in EGR flow when:

    • The engine speed is between 1350-2000 RPM.
    • The vehicle speed sensor (VSS) is greater than 48 km/h (30 mph).
    • The throttle is closed.
    • The engine coolant temperature is greater than 70°C (150°F).
    • The vehicle is in top gear.
    • No EGR pintle, TP sensor, MAP, VSS, IAT, ECT or IAC DTCs have been set.

Important: The EGR flow insufficient test is checked once per ignition cycle during deceleration.

Diagnostic Aids

When attempting to diagnose an intermittent problem use the scan tool to review the malfunction history diagnostic information. The supplemental data can be used to duplicate a problem.

The scan tool can read the number of deceleration tests that have been performed since the DTCs were cleared. The scan tool also displays the EGR decel average value as well as the fail threshold when the DTC will set. The average must be greater than the threshold to set DTC P0401.

Check the tightness of the female terminal grip with a spare male terminal.

    • B+ is supplied to the E terminal on the EGR valve when the ignition is ON.
    • Carbon buildup around the pintle valve may restrict exhaust gas flow.
    • Diagnose the other DTCs listed under parameters, especially a MAP sensor DTC before diagnosing DTC P0401.

Object Number: 1208100  Size: FP