GM Service Manual Online
For 1990-2009 cars only

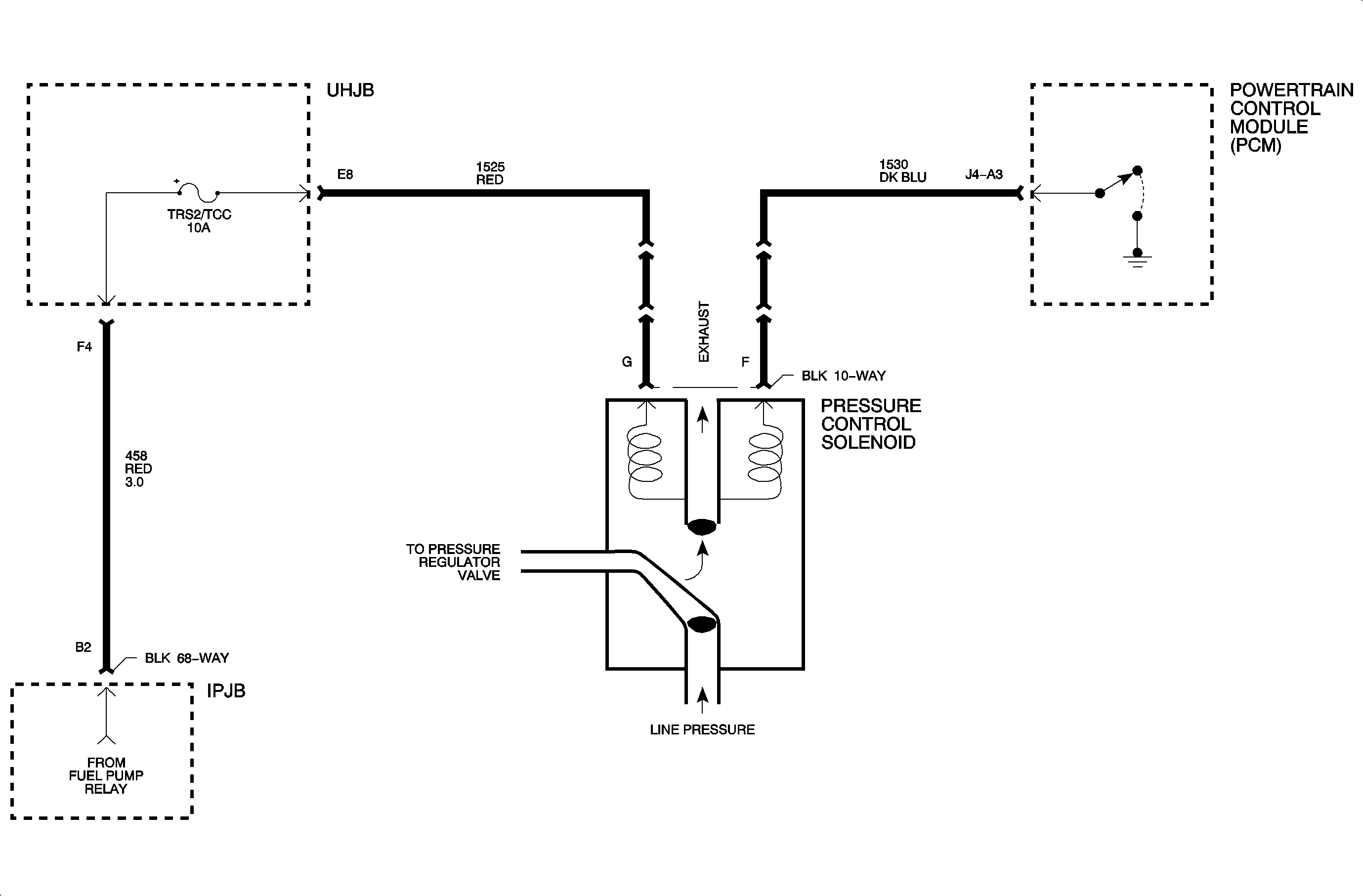
Circuit Description


Object Number: 1209781  Size: MF

During normal driving modes the powertrain control module (PCM) adapts line pressure to prevent clutch slip and harsh shifts. This is accomplished by modulating the line pressure actuator ground (1530) to raise or lower pressure. Open circuit = high pressure, grounded circuit = low pressure. If there is too much slip in all gears and line pressure has been commanded high, it is determined that actual line pressure is too low.

Conditions for Setting the DTC

DTC P0745 is set when the PCM has detected the following conditions within the same ignition cycle:

    • The transaxle diagnostic trouble codes DTC P0731, P0732, P0733 and P0734 are detected.
    • Since these diagnostic trouble DTCs are set, no forward gears are available.

Repair Verification

Monitor the DTC menu ode Status for Pass Since Code Clear and Pass This Ignition Cycle. When both have passed, the repair is verified.

Criteria for pass:

    • Steady state in 2nd, 3rd, and 4th with no slip for 0.4 seconds.
    • The engine torque is greater than 30 counts with no slip for 1.0 seconds.

Diagnostic Aids

    • Could be a hot or cold only condition. If condition is intermittent, try to reproduce conditions in malfunction (MALF) table to reset DTC.
    • When the PCM detects a fault in the circuit, (open, ground short), the PCM will open the circuit internally to protect the circuit.

Test Description

The numbers below refer to the step numbers on the diagnostic table.

  1. Check for DTC P0746. It must be eliminated first as a possible cause of a DTC P0745.

  2. Check actuator operation. Use actuator quick check in test section located at the end of the code charts. The actuator quick test will pulse width modulate (PWM) the actuators at a set rate. Listen and compare noise of the line pressure actuator to that of other actuators. The noise of all should be similar.

  3.    Important: To check actuator operation, command actuator quick test using the scan tool.

    • If noise is faint or not present, replace the line pressure actuator. Be sure to check all connections at the actuator and connector plate before replacing the actuator.
    • If noise is audible, same as other actuators, the pressure regulator valve may be binding in the bore or there is pump damage.
  1. Check the pressure regulator valve operation. Use pressure test in the test section at the end of the DTC charts. Make sure the pressure increases in correct increments during the pressure test.

  1. If no gears are available, a DTC P0730 will probably be set. Make sure the pressure increases in correct increments during pressure test. If pressure changes erratically and moves in large increments, the pressure regulator valve is probably sticking in the bore.

  2. Check for the following conditions:

  3. • Pressure regulator valve stuck
    • Sump suction filter restricted
    • Internal leak, casting or pump to case seal leak
    • Pump problem

Object Number: 902867  Size: FP