GM Service Manual Online
For 1990-2009 cars only

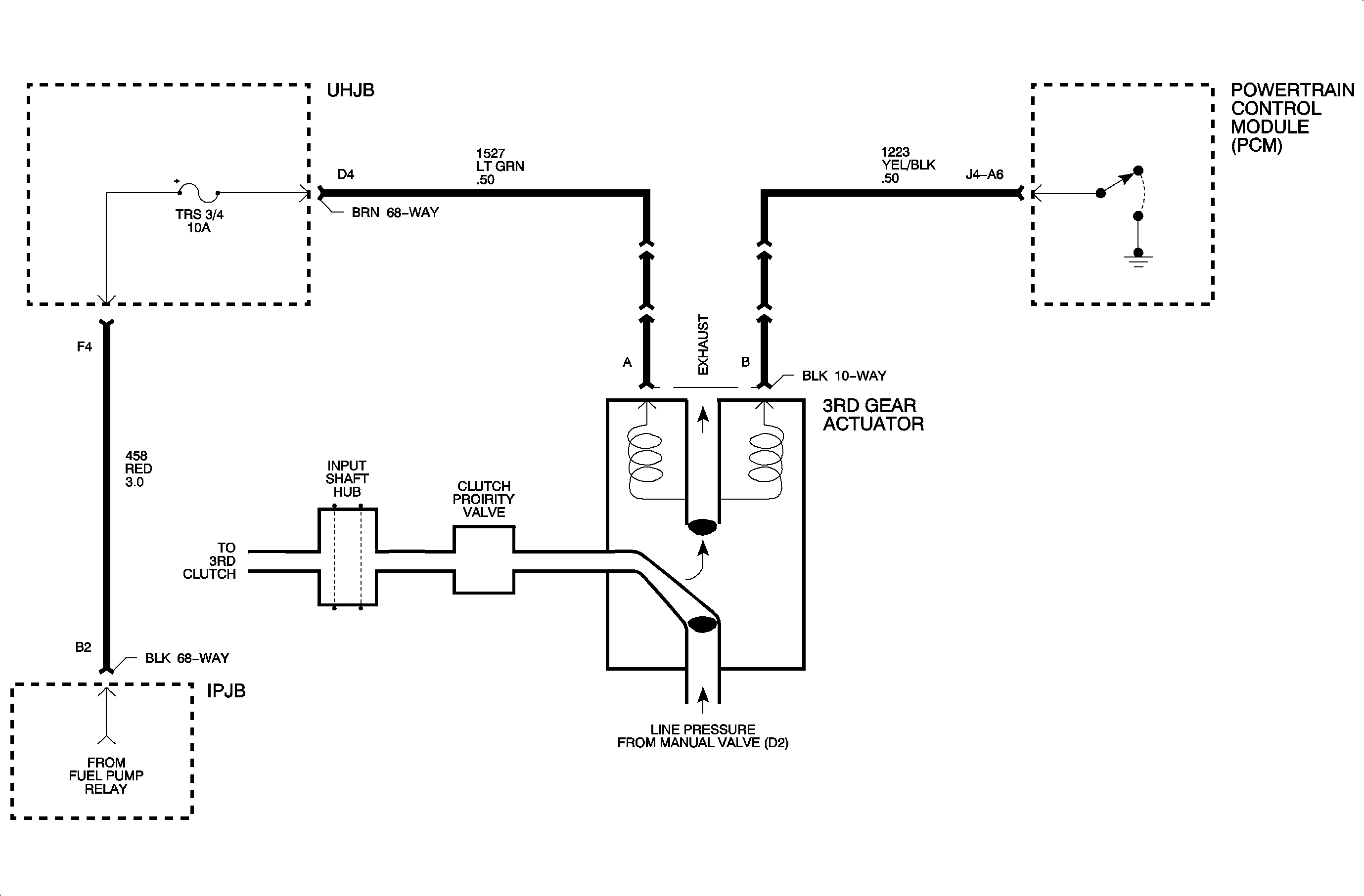
Circuit Description


Object Number: 1209887  Size: MF

3rd clutch is applied when circuit 1223 is opened at the PCM. When the PCM opens the circuit the voltage is monitored at terminal J4A06 to check for proper circuit conditions.

Conditions for Setting the DTC

DTC P0761 is set when the PCM has detected voltage monitored at terminal J4A06 (circuit 1223) is below 2-2.5 volts when the 3rd gear actuator is switched OFF electrically by the PCM, twice per ignition cycle.

Repair Verification

Monitor DTC Menu Code Status for Pass Since Code Clear and Pass This Ignition Cycle. When both have passed, the repair is verified.

Criteria for a pass:

    • The engine is running.
    • Power is present at the actuators and no active faults exist for this actuator.

Diagnostic Aids

When attempting to diagnose an intermittent problem use the scan tool* to review the supplemental diagnostic information. The supplemental data can be used to duplicate a problem.

*Select MALF History and DTC status from the DTC menu of the scan tool.

This DTC may set or intermittent 3rd gear starts may be caused by a poor electrical connection at either the PCM, actuator connector plate or UHJB terminals. Wiggling connectors while performing an actuator quick test may help isolate the problem area.

Check for tightness of the female terminal grip with a spare male terminal.

When the PCM detects a fault in the circuit (open, ground, short) the PCM will open the circuit internally to protect the circuit.

    • An open circuit will probably result in a DTC P0782 3rd gear stuck ON, DTC P0732 no 2nd gear, and DTC P0751 no TCC, while a grounded circuit will result in a no 3rd gear/DTC P0733, and P0732 no 2nd gear.
    • When condition (open circuit) is present, 3rd gear starts will occur.

Test Description

The numbers below refer to the step numbers on the diagnostic table.

  1. This step verifies the problem is still present.

  2. If the TRS 3/4 fuse is OK, check for battery voltage on the fuel pump relay side of the fuse with the engine running.

  3. This step checks for a ground in circuit 1527, A ground in circuit 1527 will cause the TRS 3/4 fuse to fail and DTC P0761 to set.

  4. An open in circuit 1527 will cause DTC P0761 to set. Check circuits 1527 for opens.

  5. This step will determine if a fault is in the circuit to the PCM or in the actuator or connector plate.

  6. This step will determine if the fault is in the actuator or the connector plate.

  7. An open or a ground in circuit 1223 will set DTC P0761. This step checks circuit 1223 for opens or grounds.


Object Number: 902681  Size: FP