GM Service Manual Online
For 1990-2009 cars only

MIL (Service Engine Soon Telltale Lamp) On and EGR DTCs P0401, P0404, P0405, P1404 and/or P1406 in PCM Memory

Subject:Malfunction Indicator Lamp (SERVICE ENGINE SOON Telltale Lamp) On and EGR DTCs P0401, P0404, P0405, P1404 and/or P1406 in PCM Memory (Updated diagnosis and Install Service PCM Calibration) This bulletin is being revised with update diagnostic and repair information for EGR system, bulletin 97-T-20 should be discarded.

Models:1996-1997 Saturns



Condition

The malfunction indicator lamp (MIL) (SERVICE ENGINE SOON telltale lamp) may be On with diagnostic trouble codes (DTCs) P0401, P0404, P0405, P1404 and/or P1406 stored in PCM malfunction history.

Cause

DTCs P1404 and P1406 may be caused by diagnostic trouble code sensitivity to debris. This debris intermittently prevents the exhaust gas recirculation (EGR) pintle from fully seating.

The diagnostic information for DTCs P0401, P0404 and P0405 has been updated to include additional failure modes of the EGR system.

Important: The diagnostic logic and operational logic for several DTCs were modified with the calibrations identified in the "Controller/PCM Part Number (End Model)" table. Referring to the service manual could result in mis-diagnosis and unnecessary replacement of parts.

Correction

To diagnose these conditions, refer to the diagnostic charts in this bulletin.

Procedure

Connect the Scan tool or the Service Stall System (SSS) to the vehicle and turn the ignition On.

    • The TECH - 2 displays the "Controller Part Number" parameter within the "Vehicle System Information" table.
    • The portable diagnostic tool (PDT) and SSS displays the "PCM Part #" parameter within the "Vehicle ID" table.

If the Controller/PCM part number matches one of the numbers listed below, proceed to the diagnostics outlined in this bulletin.

If the Controller/PCM part number does not match one of the numbers listed below, the after completing the diagnostics outlined in this bulletin, reprogram the PCM.

Reprogram the PCM according to the "Controller/PCM Part Number (End Model)" table listed below. (Refer to "EEPROM Reprogramming" in the "Service Stall System User Guide.")

Important: Version 41.0 or greater service stall system (SSS) software is required for this flash process. Verify the SSS is version 41.0 or greater.

If SSS version 41.0 or greater is not available, call Saturn Customer Support Center at 1-800-7SATURN (1-800-772-8876), prompt 3. In Canada, call 1-800828-6860 for English, or 1-800-503-3222 for French.

CONTROLLER/PCM PART NUMBER (END MODEL)

Emissions

Engine

Transaxle

Model Year 1996

Model Year 1996 (Vehicle Equipped w/1997 Service PCM)

Model Year 1997

California

Base (L24)

Automatic

21008847

210008835

21008835

Manual

21008849

21008839

21008839

Perf (LL0)

Automatic

21008832

210032

21008833

Manual

21008837

21008837

21008837

Federal

Base (L24)

Automatic

21008846

21008834

21008834

Manual

21008848

21008838

21008838

Perf (LL0)

Automatic

21008832

21008832

21008832

Manual

21008836

21008836

21008836

Taiwan/Canada

Base (L24)

Automatic

2100

2108843

21008841

Perf (LL0)

Automatic

21008851

2108840

21008840

Manual

21008842

21008842

21008842

Japan

Perf (LL0)

Automatic

N/A

N/A

21008844

Manual

N/A

N/A

21008845

Important: It will be necessary to perform the crankshaft learning procedure. (Refer to Technical Information Bulletin 96-T-39, and perform the Crankshaft Learning Procedure contained in the bulletin.)

Claim Information

To receive credit for this repair during the warranty coverage period, submit a claim through the Saturn Dealer System as follows:

Case Type

Description

Labor Operation Code

Time

VW

Install Service PCM Calibration

T9772

0.3 hrs


Object Number: 886016  Size: MF

EGR - INSUFFICIENT FLOW DETECTED

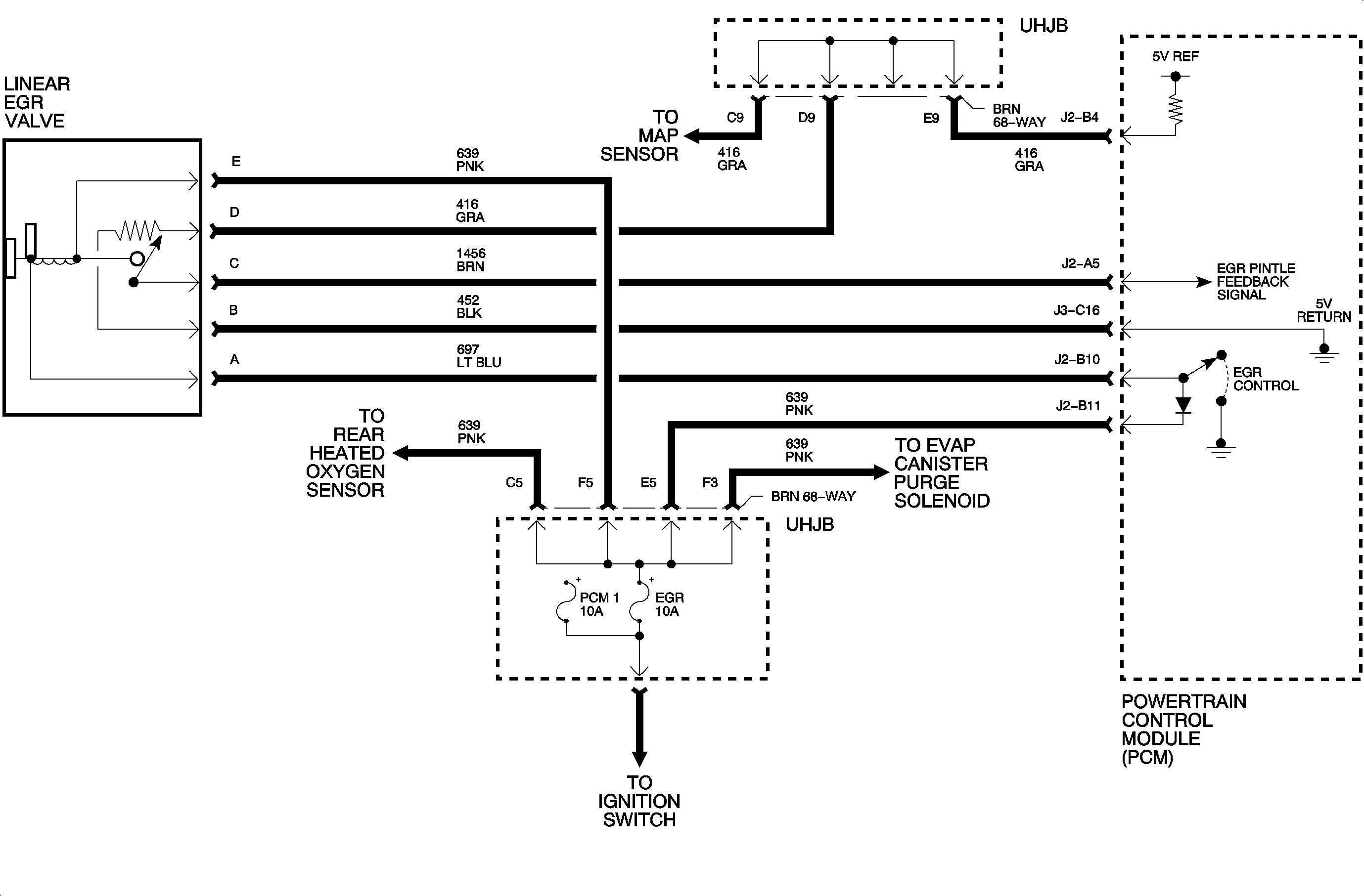
The linear EGR system consists of a linear EGR valve, the PCM and its associated writing. The PCM directly controls the ground for the EGR valve when certain conditions have been met. Voltage is supplied by the UHJB to the EGR valve when the ignition is turned On. When the PCM grounds the valve, a diagnostic feedback signal can determine if the valve had actually moved. Since the correct feedback voltage is possible, but the passage has restricted flow, P0401 was implemented.

DTC PARAMETERS

EGR flow restrictions are diagnosed during a deceleration. The EGR valve is commanded closed during a normal deceleration. To run the P0401 test the valve is opened during deceleration and a change in MAP is expected. If the change in MAP is below a threshold it indicates flow restricted.

DTC P0401 will set if a calculated value compared to an engine speed vs barometric pressure determines there is a restriction in EGR flow when:

    • Engine speed is between 1350-2000 rpm.
    • VSS is greater than 48 km/h (30 mph).
    • Throttle is closed.
    • Engine coolant temperature is greater than 70°C (150°F).
    • Vehicle is in top gear.
    • No EGR pintle, TP Sensor, MAP, VSS, LAT, ECT or IAC DTCs have been set.

       Important: The EGR flow insufficient test is checked once per ignition cycle during deceleration.

DIAGNOSTIC AIDS

The Scan tool can read the number of deceleration tests that have been performed since the DTCs were cleared. The Scan tool also displays the EGR decel average value as well as the FAIL threshold when the DTC is set. The average must be greater than the threshold to set P0401.

    • Carbon buildup around the EGR pintle valve bore opening may restrict exhaust gas flow. Buildup of carbon in the EGR passages will result in P0401.
    • Diagnose the other DTCs listed under parameters, especially a MAP sensor DTC before diagnosing P0401.

Object Number: 882067  Size: FP

Object Number: 886016  Size: MF

EGR - PINTLE POSITION ERROR

The linear EGR system consists of a linear EGR valve, the PCM and its associated wiring. The EGR valve solenoid is controlled directly by the PCM when certain conditions have been met. The PCM contains a diode feedback circuit which dissipates energy when the valve is cycled Off. When the PCM grounds the valve, the diagnostic feedback signal can determine if the valve had actually moved. DTC P0404 has been defined to monitor the under different valve operating conditions.

DTC PARAMETERS

    • If commanded position is greater than 80%, actual position must be within 26 counts (10% [0.5 volts]) of commanded.
    • If commanded position is less than 80%, actual position must be within 60 counts (24% [1.1 volts]) of commanded.
    • Two consecutive ignition cycles while the diagnostic runs with an active fault.
        DTC P0404 will set if either condition exists for greater than 10 seconds.
        When either one of these tests have failed, a DTC will set and EGR will be disabled for that ignition cycle. The malfunction history record will indicate which one of these tests has failed to aid in diagnostics.

       Important: The EGR position error is continuously checked when the EGR is commanded On.

       Important: The EGR valve may operate at any engine coolant temperature regardless of loop mode.

       Important: When this DTC sets, some EGR functions will be disabled for the duration of that ignition cycle. When repairs are complete, codes must be cleared and ignition keyed off for at least 10 seconds to allow proper operation.

DIAGNOSTIC AIDS

    • Check the backed out or damaged terminals.
    • Check the tightness of the female terminal grip with a spare male terminal.
    • Check for B+ voltage at the E terminal on the EGR valve when the ignition is On.
    • Check EGR 10-amp fuse in the UHJB before diagnosing this DTC.
    • Carbon buildup around the pintle valve may restrict pintle movement.
    • An open in the PCM diode feedback circuit will result in unstable valve operation resulting in vehicle surge.
    • Due to moisture associated with the exhaust system, the EGR valve may freeze and stick in extreme cold ambient conditions.

Object Number: 881430  Size: FP

Object Number: 886016  Size: MF

EGR - VOLTAGE OUT OF RANGE - OPEN/SHORT

The linear EGR system consists of a linear EGR valve, the PCM and its associated wiring. The EGR valve solenoid is controlled directly by the PCM when certain conditions have been met. The PCM contains a diode feedback circuit which dissipates energy when the valve is cycled Off. When the PCM grounds the valve, a diagnostic feedback signal can determine if the valve had actually moved. DTC P0405 has been defined to monitor the feedback signal. This diagnostic will determine if the position feedback signal properly falls within the correct range under different valve operating conditions.

DTC PARAMETERS

DTC P0405 will set if the following condition are met:

    • IGN voltage is above 11.0 volts
    • Voltage is less than 0.20 volts
    • Condition present for greater than five seconds.
        When this DTC fails, EGR will be disable for the entire ignition cycle. The malfunction history record aid in diagnosis.

       Important: The EGR valve may operate at any engine coolant temperature regardless of loop mode.

TEST DESCRIPTION

  1. Normal closed valve position feedback voltage should be greater than 0.20 volts at all times.
  2. A voltage of less than 0.2 volts indicates a problem with the position feedback circuit.
  3. DIAGNOSTIC AIDS

    • Check for backed out or damaged electrical terminals.
    • Check the tightness of the female terminal grip with a spare male terminal.
    • A short to ground in the 5-volt reference will set both a P1635 and a P0405. If both are set, diagnose P1635 first.
    • An open in the 5-volt reference will set only the P0405.
    • An open in the PCM diode feedback circuit will result in unstable valve operation resulting in vehicle surge.

Object Number: 881546  Size: FP

Object Number: 886016  Size: MF

EGR - CLOSED POSITION ERROR

The linear EGR system consists of a linear EGR valve, the PCM and its associated wiring. The EGR valve solenoid is controlled directly by the PCM when certain conditions have been met. The PCM contains a diode feedback circuit which dissipates energy when the valve is cycled Off. When the PCM commands the EGR valve closed, a closed valve position value is learned. If the PCM commands the valve closed and the actual feedback value does not match the learned value, DTC P01404 will set.

DTC PARAMETERS

DTC P1404 will set when the actual closed value does not match learned closed within 20 seconds if:

    • RPM is below 5000 and the actual vs learned is greater than 0.2 volts, or
    • RPM is above 5000 and the actual vs learned is greater than 0.4 volts.

       Important: If DTCs P0404 or P0405 are also set, begin diagnosis with these DTCs first. Do not clear codes until diagnosis is completed.

       Important: When the PCM recognizes that the parameters for setting P1404 have been set, the diagnostic software waits until the EGR cycles open 50% or greater four times and then retests. If after the four cycles the actual vs learned is not within the parameters, the DTC will be stored and the MIL (SERVICE ENGINE SOON) will be commanded on.

       Important: When this DTC sets, functions will be disabled. When repairs are complete, codes must be cleared and ignition keyed off for at least 10 seconds to allow proper operation.

DIAGNOSTIC AIDS

    • Check for backed out or damaged terminals.
    • Check for a stuck open EGR pintle. Inspect EGR pintle valve bore for carbon or debris and remove. Verify that the pintle moves freely and the return spring forces the pintle closed.
    • An open in circuit 452 will result in P1404.
    • A short to ground in circuit 697 will result in a severe rough idle and driveability complaint and set a P1404.
    • Check for backed out, damaged, poor terminal tightness or an intermittent open in circuits 416 or 1456.

Object Number: 883002  Size: FP